EasyManua.ls Logo

Siemens simovert masterdrives - Page 1058

Siemens simovert masterdrives
1547 pages
Print Icon
To Next Page IconTo Next Page
To Next Page IconTo Next Page
To Previous Page IconTo Previous Page
To Previous Page IconTo Previous Page
Loading...
-780 -
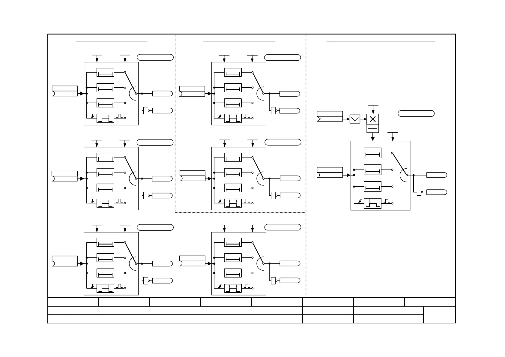
Function diagram
87654321
fp_mc_780_e.vsd
Free blocks
MASTERDRIVES MC
23.10.02
Timers
V2.5
4 timers 0...60.000 s {6 µs} 2 timers 0...600.00 s {6 µs} 1 timer 0...60.000 s with adaption {11 µs}
ON delay
OFF delay
ON/OFF delay
Pulse generator
T T
0 T
T
T 0
0
1
2
3
1
T
ON delay
OFF delay
ON/OFF delay
Pulse generator
T T
0 T
T
T 0
0
1
2
3
1
T
ON delay
OFF delay
ON/OFF delay
Pulse generator
T T
0 T
T
T 0
0
1
2
3
1
T
ON delay
OFF delay
ON/OFF delay
Pulse generator
T T
0 T
T
T 0
0
1
2
3
1
T
ON delay
OFF delay
ON/OFF delay
Pulse generator
T T
0 T
T
T 0
0
1
2
3
1
T
ON delay
OFF delay
ON/OFF delay
Pulse generator
T T
0 T
T
T 0
0
1
2
3
1
T
T T
0 T
T
Pulse generator
T 0
ON delay
0
1
2
3
1
T1
OFF delay
ON/OFF delay
x1T1
100 %
T
<1> Example: T1 = 40.000 s, x1 = 150 %
-> effective time T = 60 s
T is limited to the value range 0...60.000 s.
B
U293 (0)
B0530
U950.95 = __ (20)
0.000...60.000 s
U294.F (0.000)
Mode
U295 (0)
B0531
B
U296 (0)
B0532
U951.67 = __ (20)
0.000...60.000 s
U297.F (0.000)
Mode
U298 (0)
B0533
B
U299 (0)
B0534
U951.84 = __ (20)
0.000...60.000 s
U300.F (0.000)
Mode
U301 (0)
B0535
B
U302 (0)
B0538
U951.99 = __ (20)
0.000...60.000 s
U303.F (0.000)
Mode
U304 (0)
B0537
B
U305 (0)
B0538
U951.83 = __ (20)
0.000...60.000 s
U306.F (0.000)
Mode
U307 (0)
B0539
B
U308 (0)
B0540
U952.16 = __ (20)
0.000...60.000 s
U309.F (0.000)
Mode
U310 (0)
B0541
B
U311 (0)
B0542
U951.50 = __ (20)
0.000...60.000 s
U313.F (0.000)
Mode
U314 (0)
B0543
K
U312 (0)

Table of Contents

Other manuals for Siemens simovert masterdrives

Related product manuals