EasyManua.ls Logo

Siemens simovert masterdrives - Page 1067

Siemens simovert masterdrives
1547 pages
Print Icon
To Next Page IconTo Next Page
To Next Page IconTo Next Page
To Previous Page IconTo Previous Page
To Previous Page IconTo Previous Page
Loading...
- 786d -
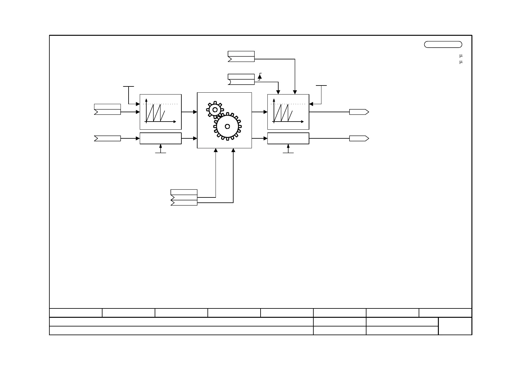
Function diagram
87654321
fp_mc_786d_e.vsd
Free blocks
MASTERDRIVES MC
23.09.03
32-Bit Gear 2
V2.5
.01
Numerator
Denominator
t
.01
Distance setpoint
Scaling
.02
V Setpoint [%]
t
Scaling
{Calculating time without speed branch: 73 s}
{Calculating time with speed branch: 107
s}
<1>
The speed branch is only active if U846.01
and U846.02 are not equal to zero.
<1>
<1>
KK
U849
KK
.02
U953.58 = ___(20)
KK
U847
Axis cycle length
U845.01 (4096)
KK
Scaling speed
0...20.000.000.00 [1000 LU/min]
U846.01 (0)
B
U848
Set output
KK
U847.03
Output of set value
KK0863 Distance setpoint [LU]
KK0864 Speed setpoint [%]
Axis cycle length
U845.02 (4096)
Scaling speed
0...20.000.000.00 [1000 LU/min]
U846.02 (0)

Table of Contents

Other manuals for Siemens simovert masterdrives

Related product manuals