EasyManua.ls Logo

Siemens simovert masterdrives - Page 1066

Siemens simovert masterdrives
1547 pages
Print Icon
To Next Page IconTo Next Page
To Next Page IconTo Next Page
To Previous Page IconTo Previous Page
To Previous Page IconTo Previous Page
Loading...
- 786c -
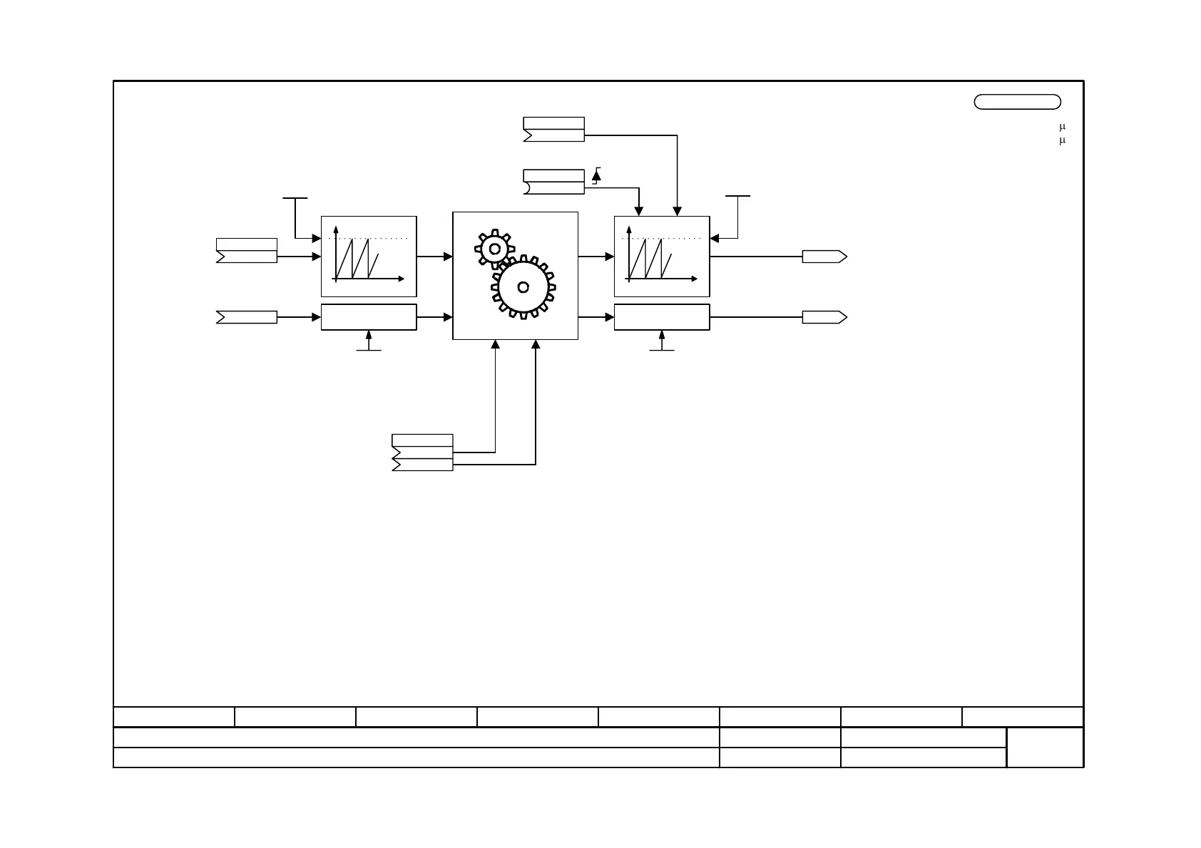
Function diagram
87654321
fp_mc_786c_e.vsd
Free blocks
MASTERDRIVES MC
23.09.03
32-Bit Gear 1
V2.5
.01
Numerator
Denominator
t
.01
Distance setpoint
Scaling
.02
V Setpoint [%]
t
Scaling
{Calculating time without speed branch: 73 s}
{Calculating time with speed branch: 107
s}
<1>
The speed branch is only active if U841.01
and U841.02 are not equal to zero.
<1> <1>
KK
U844
KK
.02
U953.57 = ___(20)
KK
U842
Axis cycle length
U840.01 (4096)
KK
Scaling speed
0...20.000.000.00 [1000 LU/min]
U841.01 (0)
B
U843
Set output
KK
U842.03
Output of set value
KK0861 Distance setpoint [LU]
KK0862 Speed setpoint [%]
Axis cycle length
U840.02 (4096)
Scaling speed
0...20.000.000.00 [1000 LU/min]
U841.02 (0)

Table of Contents

Other manuals for Siemens simovert masterdrives

Related product manuals