EasyManua.ls Logo

Siemens simovert masterdrives - Page 1065

Siemens simovert masterdrives
1547 pages
Print Icon
To Next Page IconTo Next Page
To Next Page IconTo Next Page
To Previous Page IconTo Previous Page
To Previous Page IconTo Previous Page
Loading...
- 786b -
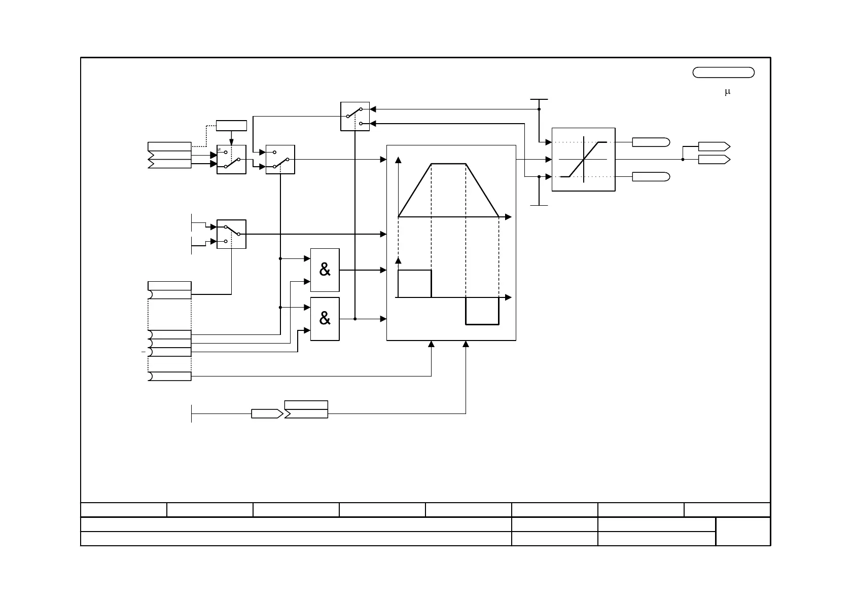
Function diagram
87654321
fp_mc_786b_e.vsd
Free blocks
MASTERDRIVES MC
01.07.03
Simple ramp-function generator 2 (32 Bit)
V2.5
.01
0
=0
1
0
0
1
.01
Enable motor
potentiometer
MOP +
MOP
Set
x
y
16-bit Input
32-bit Input
Positioning speed
1/2
0 ... (2
31
-1)
SET SET_VAL
t
t
yx
LU
LU/s
+
Note for users:
The block can be used, for example, for
continuously and hence smoothly changing
the transmission ratio of the gear function.
The ramp generator ouput takes over the value set at
U469.3 for as long as "Set" is at U470.5 = 1.
Y is always kept within the value range between the
lower and upper limits. If during "Enable motor
potentiometer" both signals MOP+ and MOP- are 1
simultaneously, output y remains unchanged.
0
1
U469.01
{13 s}
K (0)
U469
Simple ramp
generator input
KK (0)
.02
U953.56 = ___(20)
[LU/sec]
U471.01
[LU/sec]
U471.02
B (0)
U470
B (0)
.02
B (0)
.03
B (0)
.04
B (0)
.05
Setting value [LU]
-(2
31
-1) ... +(2
31
-1)
U472.03
KK0856 KK (856)
U469.3
Source setting value
simple ramp generator
Upper limit
-(2
31
-1) ... (2
31
-1)
U472.01
Lower limit
-(2
31
-1) ... (2
31
-1)
U472.02
B0852
Ramp generator at upper limit
B0853
Ramp generator at lower limit
KK0855
K0854

Table of Contents

Other manuals for Siemens simovert masterdrives

Related product manuals