EasyManua.ls Logo

Siemens simovert masterdrives - Page 1064

Siemens simovert masterdrives
1547 pages
Print Icon
To Next Page IconTo Next Page
To Next Page IconTo Next Page
To Previous Page IconTo Previous Page
To Previous Page IconTo Previous Page
Loading...
- 786a -
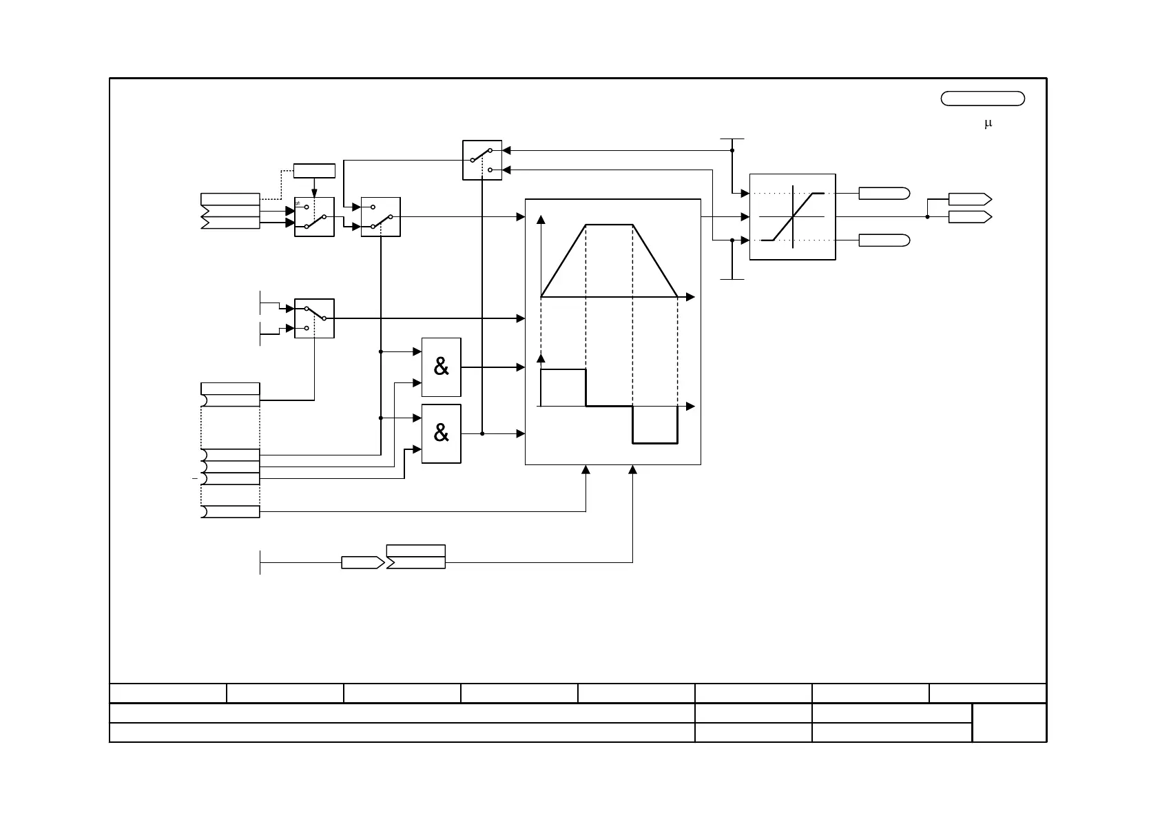
Function diagram
87654321
fp_mc_786a_e.vsd
Free blocks
MASTERDRIVES MC
01.07.03
Simple ramp-function generator 1 (32 Bit)
V2.5
.01
0
=0
1
0
0
1
.01
MOP +
MOP
Set
x
y
16 bit input
32 bit input
Setting speed
1/2
0 ... (2
31
-1)
SET SET_VAL
t
t
yx
LU
LU/s
+
Note for users:
The block can be used, for example, for continuously
and hence smoothly changing the transmission ratio of
the gear function.
0
1
The ramp generator output takes over the value set at
U815.3 for as long as "Set" is at U816.5 = 1.
Y is always kept within the value range between the
lower and upper limits. If during "Enable motor
potentiometer" both signals MOP+ and MOP- are 1
simultaneously, output y remains unchanged.
U815.01
{13 s}
Motor-operated
potentiometer (1)
Changeover ramp-
function generator (0)
K (0)
U815
Input simple
ramp generator
KK (0)
.02
U953.55 = ___(20)
[LU/sec]
U817.01
[LU/sec]
U817.02
B (0)
U816
Selection of
setting speed
B (0)
.02
B (0)
.03
B (0)
.04
B (0)
.05
Setting value [LU]
-(2
31
-1) ... +(2
31
-1)
U818.03
KK0853 KK (853)
U815.3
Source setting value
simple ramp generator
Upper limit
-(2
31
-1) ... (2
31
-1)
U818.01
Lower limit
-(2
31
-1) ... (2
31
-1)
U818.02
B0850
Ramp generator at upper limit
B0851
Ramp generator at lower limit
KK0852
K0851

Table of Contents

Other manuals for Siemens simovert masterdrives

Related product manuals