EasyManua.ls Logo

Siemens simovert masterdrives - Page 1063

Siemens simovert masterdrives
1547 pages
Print Icon
To Next Page IconTo Next Page
To Next Page IconTo Next Page
To Previous Page IconTo Previous Page
To Previous Page IconTo Previous Page
Loading...
-785 -
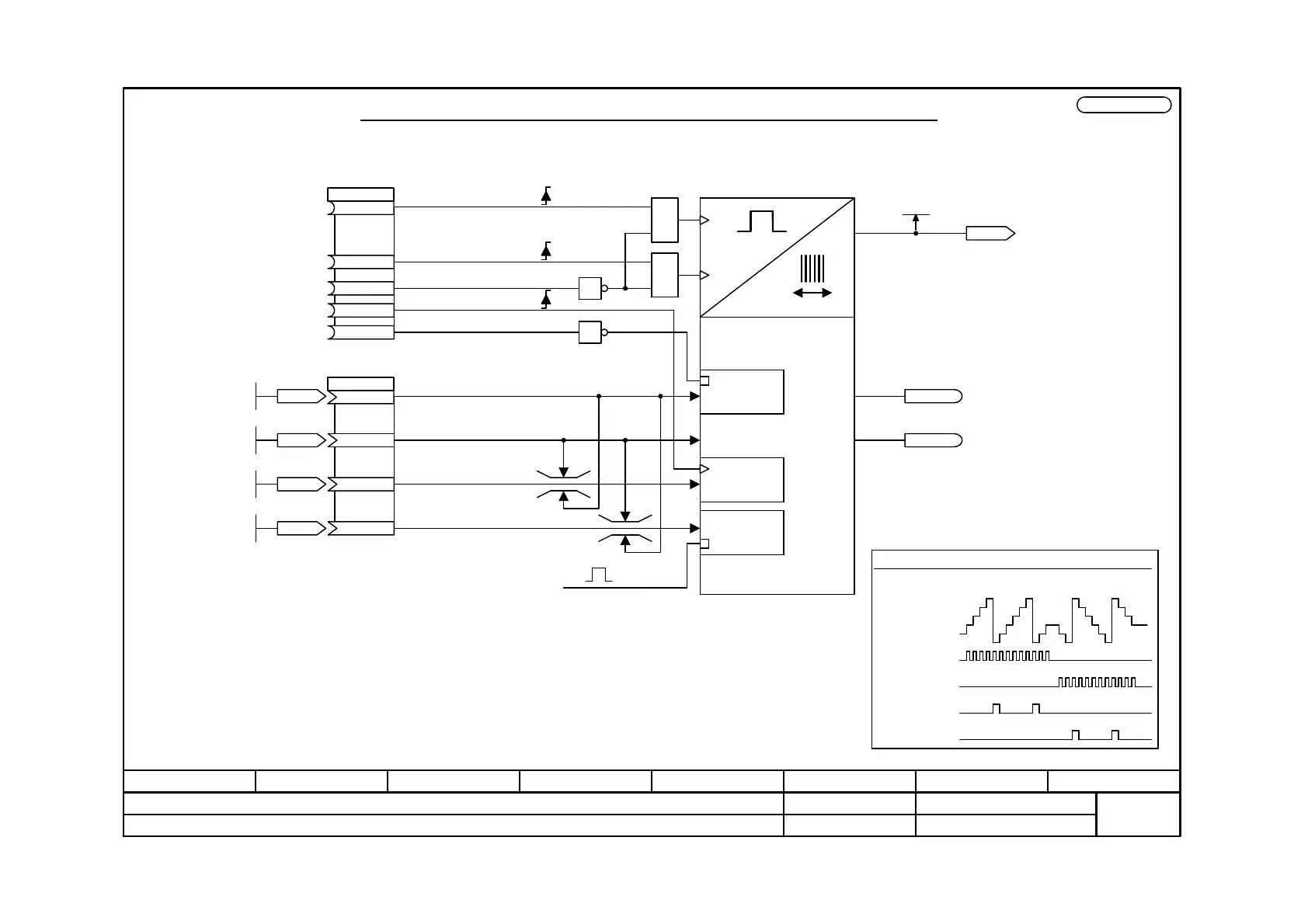
Function diagram
87654321
fp_mc_785_e.vsd
Free blocks
MASTERDRIVES MC
14.10.10
Software counter
V2.5
&
1
Count up
Software counter 16 bit (maximum counting frequency: 1/ [2 x sampling time]) {4 µs}
Count down
Stop counter
&
1
Enable counter
Set counter
Minimum value
Maximum value
Setting value <2>
Starting value <2>
<3>
Overflow
Underflow
UP
DOWN
(Binary code)
OUT
<1>
POWER ON
[710.3]
After POWER ON the counter is set to the starting value.
Starting value and setting value are limited to the range (minimum value... maximum value).
Example: The counter is operating in the 3.2 ms time slot -> max. counting frequency 156 Hz.
<1>
<2>
<3>
Attention: The sampling time and sampling sequence of the upstream signal processing has to be taking into account!
Set counter to
minimum
value
Set counter to
setting value
Set counter to
starting value
Priority:
1. Enable counter
2. Set counter
3. Stop counter
4. Count up/down
Example: Minimum value = 2, Maximum value = 7
Counter output
Count up
Count down
Overflow
Underflow
3
4
5
6
7
2
3
4
5
6
7
2
3
4
3
2
7
6
5
4
3
2
7
6
5
4
2 2
7 7
B
.02 (0)
B
.03 (0)
B
.05 (1)
B
.04 (0)
K0561
Counter minimum value
0 ... 65535
U315.1 (0)
K
.02 (562)
K0562
Counter maximum value
0 ... 65535
U315.2 (65535)
K0563
Counter setting value
0 ... 65535
U315.3 (0)
K
.03 (563)
K0564
Counter starting value
0 ... 65535
U315.4 (0)
K
.04 (564)
B0490
Counter output
0...65535
n318
K0565
B0491
U951.38 = ___(20)
B
U317
.01 (0)
K
U316
.01 (561)

Table of Contents

Other manuals for Siemens simovert masterdrives

Related product manuals