EasyManua.ls Logo

Siemens simovert masterdrives - Page 1062

Siemens simovert masterdrives
1547 pages
Print Icon
To Next Page IconTo Next Page
To Next Page IconTo Next Page
To Previous Page IconTo Previous Page
To Previous Page IconTo Previous Page
Loading...
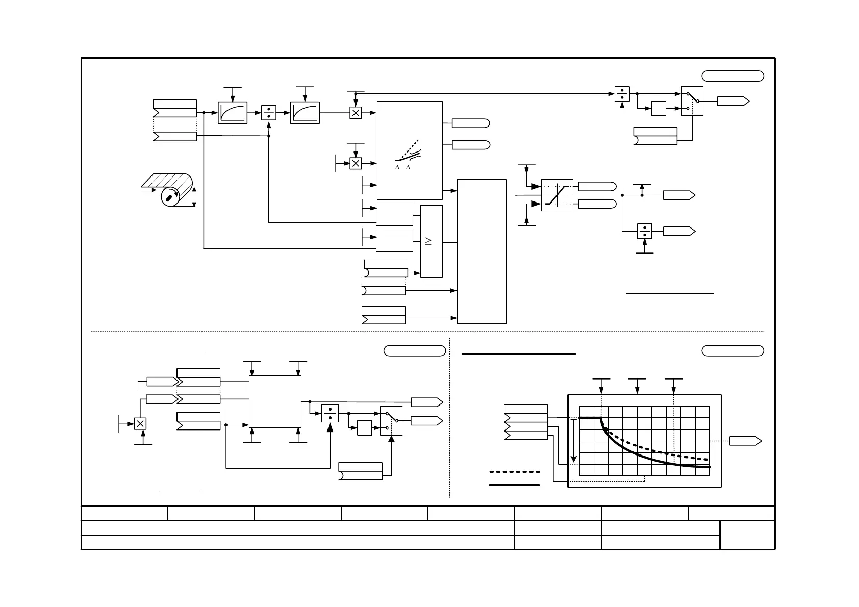
Function diagram
87654321
fp_mc_784b_e.vsd
Free blocks
MASTERDRIVES MC
29.07.04
Axial winder
- 784b -
V2.5
-1
.2
.3
.4
.5
.3
.4
Characteristic = 1
Characteristic = 0
J.Total
<1>
<1>
<2>
<2>
D.actJ
WindBottomJ
TensionSetp TP %
WindPressTP %
D.actTP LU
n < n.min
.1
1
-1
0
1
.1
.2
.6
WindBottomD
n web D
Winding shaft speed
D.SetValD LU
D.holdD
D.setD
Diameter calculator
n
v
D
Plausibility check
D/ T
v < v.min
Diameter
memory
set
hold
Setting value
Multiplicator for
setpoint channel
.3
0
1
x
y
{71 µs}
without plausibility check
{94 µs}
with plausibility check
v web D
Web speed
Diameter in LU
Diameter in %
Winding pressure {22 µs}
Moment of inertia {44 µs}
FixedJ.JCoreJ.JScalingJ*ThicknessJMatWidthJ100%
maxNormJ.D
minNormJ.D
D.actJtotalJ.J
4
4
++
=
U953.47 = ___(20)
KK0558
J.TotalJ
KK0559
Acc.FactorJ
B
U719 (0)
SrcAxialWinderB
D.maxNormJ
1 ... 65535
U714.8 (1000)
U953.49 = ___(20)
D.minNormJ
1 ... 65535
U714.7 (100)
JFixedJ
0.000 ... 200.000%
U715.4 (0.000)
JCoreJ
0.000 ... 200.000%
U715.3 (0.000)
K (0)
U717
SrcAxialWinderK
K0550
Tension
setpoint TP
U951.86 = ___(20)
v minD
0.000 ... 200.000%
U715.1 (1.000)
n minD
0.000 ... 200.000%
U715.2 (1.000)
FilterRawD
0 ... 60000ms
U716.1 (100)
SymmetryD
0 ... 1000ms
U716.2 (0)
KK (0)
U718
SrcAxialWinderKK
K (0)
U717
SrcAxialWinderK
n NormD
0 ... 65535 min
-1
U707 (0)
B
U719 (0)
SrcAxialWinderB
MatThickD
0.000 ... 65.534
U712 (0.000)
B
.2
KK0556
D.actD%
K0557
D.actDLU
KK0555
D.FactorD
B0553
PlausPosD
B0554
PlausNegD
D.maxNormD
1 ... 65535
U714.2 (1000)
B
U719.3 (0)
SrcAxialWinderB
Tol FactorD
1 ... 65535
U714.9 (5)
B0557
MaxLimitD
B0558
MinLimitD
D.minNormD
1 ... 65535
U714.1 (100)
D.actD[LU]
n706
ScalingJ
0.00 ... 200.00%
U713.3 (0.00)
MatWidthJ
0.00 ... 200.00%
U713.1 (100.00)
D.maxLimD
1 ... 65535
U714.4 (1000)
D.minLimD
1 ... 65535
U714.3 (100)
KK (556)
U718
SrcAxialWinderKK
K (540)
U717
SrcAxialWinderK
K0540
MatBreiteJ
K0560
MatConstJ
K (560)
KK (091)
ThicknessJ
0.00 ... 200.00%
U713.2 (100.00)
CharacteristicTP
0 ... 1
U711 (1)
D.minTP
1 ... 65535
U714.5 (100)
D.maxTP
1 ... 65535
U714.6 (1000)
K (0)
K (557)

Table of Contents

Other manuals for Siemens simovert masterdrives

Related product manuals