EasyManua.ls Logo

Siemens simovert masterdrives - Page 1061

Siemens simovert masterdrives
1547 pages
Print Icon
To Next Page IconTo Next Page
To Next Page IconTo Next Page
To Previous Page IconTo Previous Page
To Previous Page IconTo Previous Page
Loading...
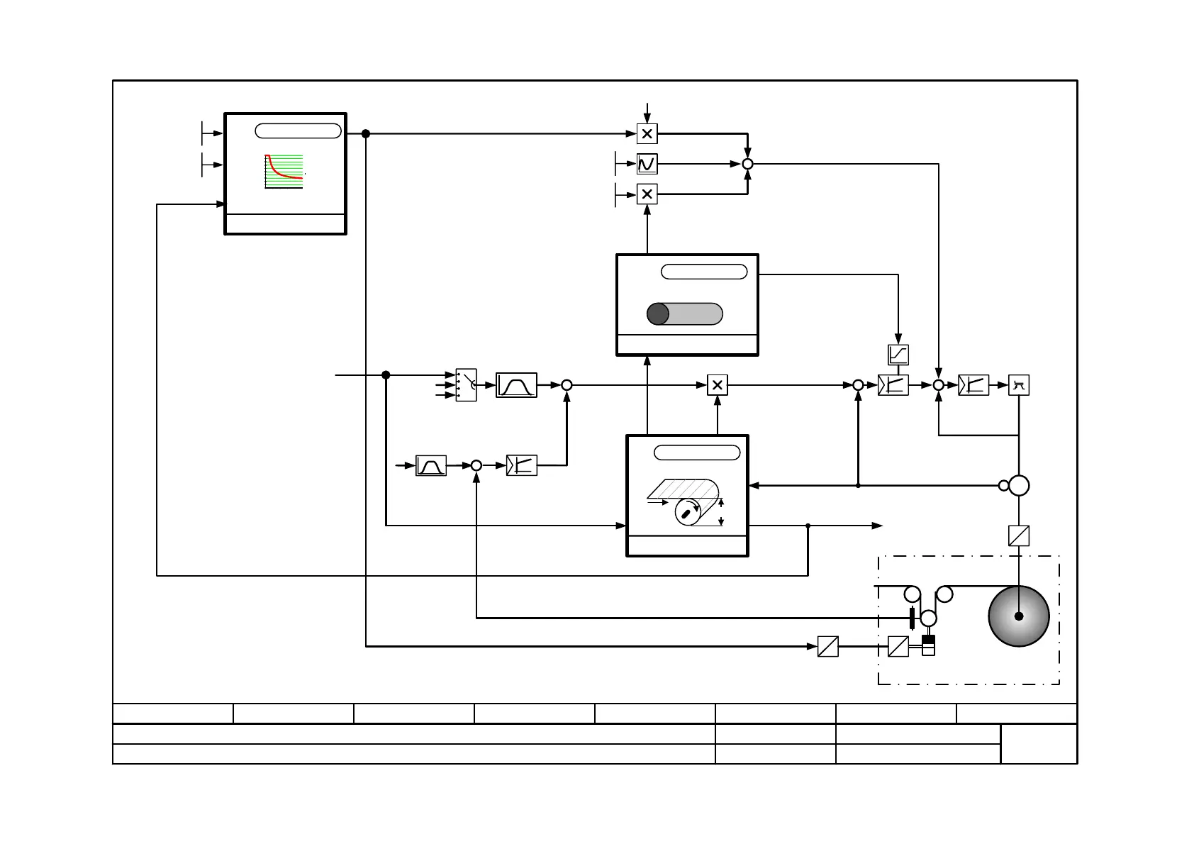
Function diagram
87654321
fp_mc_784a_e.vsd
Free blocks
MASTERDRIVES MC
21.12.05
Overview of axial winder with dancer control
- 784a -
V2.5
Local
setpoints
Dancer position
Dancer control
Speed setpoint
M
Acceleration torque
Friction torque Additional torque setpoint
Tension torque
V
Diameter factor
KK0555
Diameter calculator
n
v
D
P440=555
Winding speed
U178.2=91
Moment of inertia calculation
KP adaption
FD360
J.total in %
KK0558
Diameter in%
KK0556
Machine speed
U718.1
Diameter in LU
K0557
Winding characteristic
Acceleration precontrol factor
KK0559
U718.3=556Machine speed
Diameter in LU
U717.5=557
Tension setpoint
K0550
+
+ +
--
+
+
-
FD398
K0623
P262=623
P232=555
Diameter in%
KK0556
FD320
Technology controller
FD792
FD399
FD791
FD320
P438=588
FD398
U373=559
FD320
U
P
D
A
FD80
P640.B=550
Setting
dancer power
U953.47 = ___(20)
U953.49 = ___(20)
U951.86 = ___(20)
Tension setpoint
U717.3
Tension setpoint
U374
Winding speed
U214=91
Winding pressure
U717.4

Table of Contents

Other manuals for Siemens simovert masterdrives

Related product manuals