EasyManua.ls Logo

Siemens simovert masterdrives - Page 1075

Siemens simovert masterdrives
1547 pages
Print Icon
To Next Page IconTo Next Page
To Next Page IconTo Next Page
To Previous Page IconTo Previous Page
To Previous Page IconTo Previous Page
Loading...
- 789c -
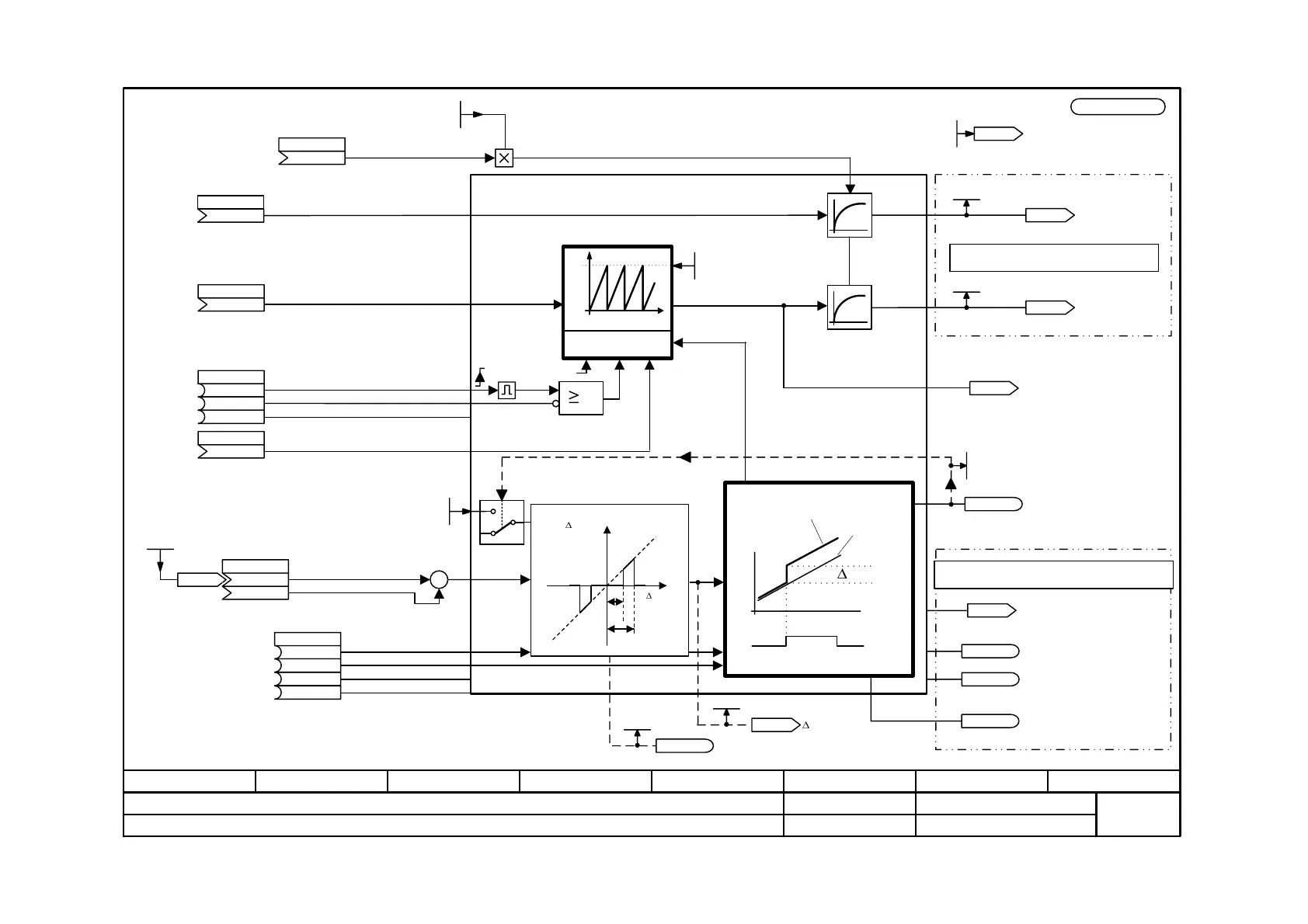
Function diagram
87654321
fp_mc_789c_e.vsd
Free blocks
MASTERDRIVES MC
01.07.03
Basic Positioning: Correction Block / Homing
V2.5
Correction value COR [LU]
(e.g.: P174 = 885 [330.5])
Start Ref.
.2
Set position setpoint
ENABLE_REF
KK0120
[330.8]
s_set
and
s_act
t
With homing
s_Corr
Limiting to ACL
SET
SET
VALUE
RESET
POWER ON
s_ Corr
F(
s_ Corr)
F1
F2
Reference position
Act. pos. on interrupt
.4
PT1
PT1
1
0
[REF]
Enable homing
[ENABLE_
POS_REF]
+
1
0
[V _pos[%]]
[S_pos [LU]]
.1
.3
KK0122 [330.7]
(Measured pos val)
(880)
(122)
(0)
.3
.4
[F_REF_WD]
For position detection
(e.g.: position detection for motor encoder [330])
For position controller
(e.g.: [340])
(e.g.: P209.B = 881 [340.1])
(e.g.: P190.B = 882 [340.1])
Change takes effect
on standstill
.7
Measured value_ok
"Valid meas. value"
from motor enc.
REF_D_REF (0=CW)
REF_D_REF_EN
[REF_D]
B0212 [330.7]
(ACKNOWLEDGEMENT
Valid meas val)
U953.62=___ (20)
B0891
Enable measured value memory
(e.g.: P179 = 891 [330.5])
B0890
NOV (Pos. correction -COR)
(e.g.: P175.2 = 890 [330.5])
B0889
POV (Pos. correction +COR)
(e.g.: P175.1 = 889 [330.5])
KK0885
KK
U877.2(120)
Position setpoint setting
KK
U877.1(871)
Src. Position set IN
KK
KK
U876(870)
Src. V-set IN
Smoothing time
0...10.000(s)
U880(0)
F1=Inner window
F2=Outer window
0...2
32
-1
U879.1 (0) F1
U879.2 (0) F2
B0892
Printing mark outside window 2
B0888
[ARFD]
Axis referenced
KK0880
Fixed connector
Ref. setpoint
U874.2(0)
B
U878
Src. STW_REF
KK
U877
Homing position.
B (212)
U878
KK0883
Position actual value [LU]
(to > U850.2 [789b.1])
n860.3 [%]
KK0881
Speed
setpoint [%]
KK0882
Position setpoint [LU]
n861.3 [LU]
KK0884
S-Corr[LU]
n861.4 [LU]
n862.2 /11
K0889
Status word: Output E.-Pos.
and Ref.
n862.2
n862.2 /10
K
U881 (1)
Src. Adaption smoothing t.
B (895)
.5
B (0)
.6
B (870)
B (70)
B (871)
Axis cycle ACL
0...2
31
-1
U858.2 (-1)
(-1): U858.2 = U858.1

Table of Contents

Other manuals for Siemens simovert masterdrives

Related product manuals