EasyManua.ls Logo

Siemens simovert masterdrives - Page 1076

Siemens simovert masterdrives
1547 pages
Print Icon
To Next Page IconTo Next Page
To Next Page IconTo Next Page
To Previous Page IconTo Previous Page
To Previous Page IconTo Previous Page
Loading...
-790 -
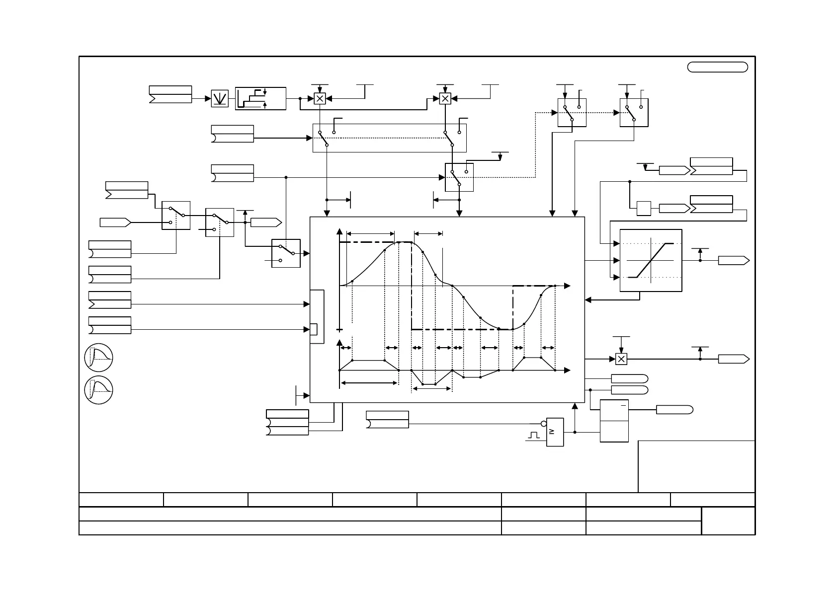
Function diagram
87654321
fp_mc_790_e.vsd
Free blocks
MASTERDRIVES MC
08.01.02
Comfort ramp-function generator
V2.5
0
1
Stop RGen
(Freeze y)
0
1
0 %
Bring RGen to a standstill
Ramp-function generator setting value
Set RGen (y = setting value)
x
10
0 s
10
0 s
10
Tdn
<1> <6>
Tup
<6>
0...3599640.0 s
10
0 s
AR
10
0 s
ER
t
y
Tup
t
y
ERARERARERARERAR
B+
B-
y
Track RGen
<3>
B+
-1
B-
Output limitation
y = 0
y = x
R
S
Q
<1>
1
<6>
dy/dt
0.2 %
y = 0
1 = Enable ramp-function generator
0 = Set ramp-function generator to zero
POWER ON
[710.5]
U327 (0) Operating mode for rounding
Rounding Mode
0: Final rounding does not act upon sudden reduction
of the input value during acceleration
1: Rounding always acts (except when output limitation
has responded). If there is a sudden reduction of the
input value, overshooting can occur.
<5> Rounding also acts during a zero passage
<4> Rounding and adaption do not act with the 'min' or 'h' unit for accel./decel. time
<3> Ramp-function generator is tracked when a limitation responds (y:=RGen output)
(If adaption is used, the jerk remains the same)
Effective decel.time: Tdn_eff = Tdn * adaption factor + (AR/2 + ER/2)/adaption factor
<2> Effective accel.time: Tup_eff = Tup * adaption factor + (AR/2 + ER/2)/adaption factor
<1> At U328 = 552 the RGen only acts once in each case after enabling (^ edge)
<6> Priority of control commands:
1. Set RGen to zero
2. Quick stop comfort RGen
3. Set ramp-function generator
4. Bypass RGen (y:=x)
5. Bring RGen to a standstill
6. Stop ramp-function generator
Priority:
1. S (SET)
2. R (RESET)
(with this acceleration time
dy/dt = 100 %)
<4>
Tdn
100 %
<5>
Tup_eff <2>
Tdn_eff <2>
-100 %
Comfort ramp-function generator
{70 µs}
{130 µs}
Without rounding and adaption
With rounding and adaption
.01
.02
Selection of function data set
for comfort ramp-function generator
0
1
0 %
KK
U320 (0)
Ramp-function generator input
KK0571
[790.8] (RGen output)
B
U321 (0)
B
U322 (0)
KK
U323 (0)
B
U324 (0)
n326
KK0570
Acceleration time
0.0...999.9
U330.F (10.0)
K
U329 (1)
Adaption of acceleration/deceleration time
Unit for accel. time
U331.F (0)
Deceleration time
0.0...999.9
U332.F (10.0)
Unit for decel. time
U333.F (0)
B
U328 (0)
Bypass ramp-function generator (y:=x)
B
U338 (0)
Quick stop comfort RGen
Quick stop time
0.0...999.9 s
U337 (10.0)
n339.01
n339.02
Initial rounding
0.00...10.00 s
U334.F (0.00)
Final rounding
0.00...10.00 s
U335.F (0.00)
U951.51 = ___(20)
KK
U343 (573)
KK0571
RGen output
n340
KK0573
0.00...+200.00 %
U342 (100.00)
KK
U344 (574)
KK0574
B0550 Ramp-function generator output = 0
B0551 Acceleration finished
B0552
0 = RGen initial runs
B
U325 (1)
Rated acceleration time
0.01 ... 300.00 s
U336 (0.01)
n341
KK0572
B (93)
B (92)
U345

Table of Contents

Other manuals for Siemens simovert masterdrives

Related product manuals