EasyManua.ls Logo

Siemens simovert masterdrives - Page 1091

Siemens simovert masterdrives
1547 pages
To Next Page IconTo Next Page
To Next Page IconTo Next Page
To Previous Page IconTo Previous Page
To Previous Page IconTo Previous Page
Loading...
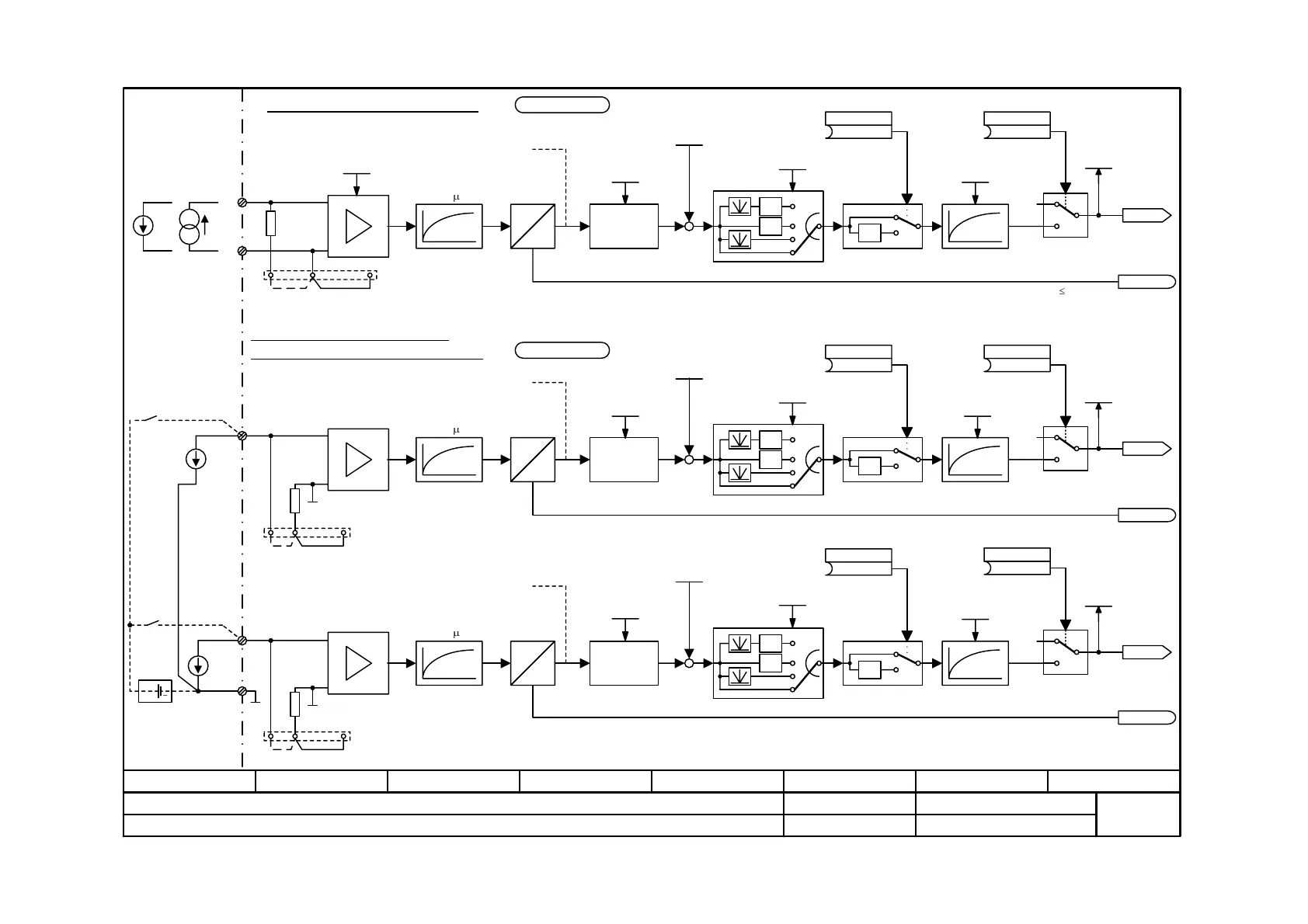
Function diagram
87654321
fp_mc_Y04_e.vsd
Terminal expansion EB1 No. 2
MASTERDRIVES MC
08.01.02
Analog inputs, combined digital inputs
-Y04 -
V2.5
0
1
0%
Smoothing
Enable analog
input
-1
0
1
Sign inversion
-1
-1
3
2
1
0
y [%] =
x [%] * P656.4
yx
A
D
13 Bit + sign
10 V = 100 %
20 mA = 100 %
200 s
Hardware
smoothing
i
± 20 mA
50
51
± 10 V
Analog input (differential input)
u
20 mA
12 3
X488
10 V
0
1
0%
Smoothing
Enable analog
input
-1
0
1
Sign inversion
-1
-1
3
2
1
0
y [%] =
x [%] * P656.5
yx
A
D
10 V = 100 %
200 s
Hardware
smoothing
52
Analog inputs (single-ended)
Can also be used as digital inputs
20 mA
12 3
X486
10 V
0
1
0%
Smoothing
Enable analog
input
-1
0
1
Sign inversion
-1
-1
3
2
1
0
y [%] =
x [%] * P656.6
yx
A
D
10 V = 100 %
200 s
Hardware
smoothing
53
12 3
X487
10 V
54
± 10 V
± 10 V
24 V
+
High at input (U_in > 8 V)
High at input (U_in > 8 V)
Wire break (i
2 mA)
13 Bit + sign
13 Bit + sign
K5201
r662.4
Time constant
0 ... 1000 ms
P660.4 (0)
B
P661.4 (1)
B
P659.4 (0)
P658.4 (0)
Offset
-100.00 ... +100.00 %
P657.4 (0.00)
Normalization
0.00 ... 100.00
P656.4 (1.00)
Signaltyp
(0/1 = 10 V / 20 mA)
P655.4 (0)
U953.06 = ___
B5201
K5202
r662.5
Time constant
0 ... 1000 ms
P660.5 (0)
B
P661.5 (1)
B
P659.5 (0)
P658.5 (0)
Offset
-100.00 ... +100.00 %
P657.5 (0.00)
Normalization
0.00 ... 100.00
P656.5 (1.00)
U953.07 = ___
K5203
r662.6
Time constant
0 ... 1000 ms
P660.6 (0)
B
P661.6 (1)
B
P659.6 (0)
P658.6 (0)
Offset
-100.00 ... +100.00 %
P657.6 (0.00)
Normalization
0.00 ... 100.00
P656.6 (1.00)
B5203
Digital input
B5202
Digital input

Table of Contents

Other manuals for Siemens simovert masterdrives

Related product manuals