EasyManua.ls Logo

Siemens simovert masterdrives - Page 1092

Siemens simovert masterdrives
1547 pages
Print Icon
To Next Page IconTo Next Page
To Next Page IconTo Next Page
To Previous Page IconTo Previous Page
To Previous Page IconTo Previous Page
Loading...
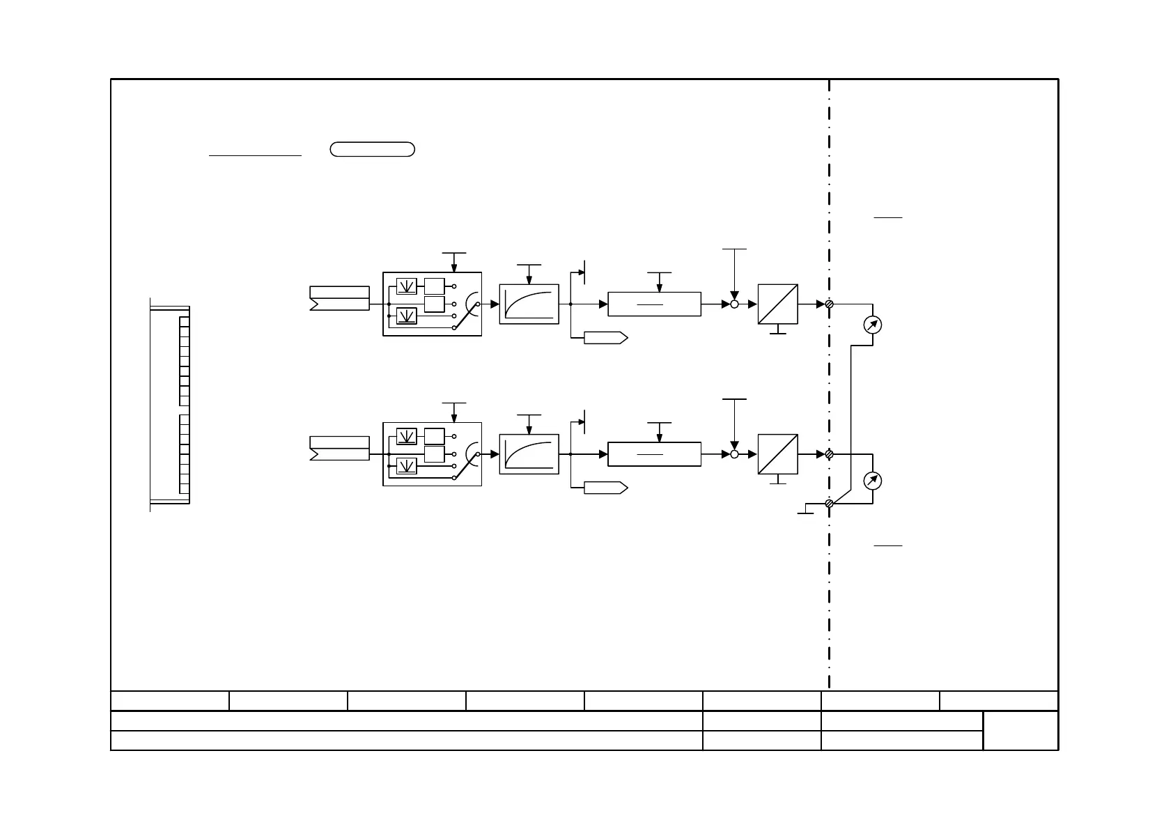
Function diagram
87654321
fp_mc_Y05_e.vsd
Terminal expansion EB1 No. 2
MASTERDRIVES MC
08.01.02
Analog outputs
-Y05 -
V2.5
Analog outputs
Smoothing
-1
-1
3
2
1
0
D
A
11 bit + sign
47
yx
Smoothing
-1
-1
3
2
1
0
D
A
48
yx
49
Uout = -10 V ... + 10 V
Uout = -10 V ... + 10 V
P666.3 *
% 100
x
[V]y =
P666.4 *
% 100
x
[V]y =
11 bit + sign
[V] Offset [V] ionNormalizat *
% 100
K5204
[V] Uout +=
[V] Offset [V] ionNormalizat *
% 100
K5205
[V] Uout +=
38
39
40
41
42
43
44
45
46
47
48
49
50
51
52
53
54
EB1
Viewed from the
front when
installed
U953.08 = ___
Time constant
0 ... 10000 ms
P665.3 (0)
P664.3 (0)
Offset
-200.00 ... +200.00 V
P667.3 (0.00)
Normalization
-200.00 ... +200.00 V
P666.3 (10.00)
K5204
r668.3
K
P663.3 (0)
Time constant
0 ... 10000 ms
P665.4 (0)
P664.4 (0)
Offset
-200.00 ... +200.00 V
P667.4 (0.00)
Normalization
-200.00 ... +200.00 V
P666.4 (10.00)
K5205
r668.4
K
P663.4 (0)

Table of Contents

Other manuals for Siemens simovert masterdrives

Related product manuals