EasyManua.ls Logo

Siemens simovert masterdrives - Page 1093

Siemens simovert masterdrives
1547 pages
Print Icon
To Next Page IconTo Next Page
To Next Page IconTo Next Page
To Previous Page IconTo Previous Page
To Previous Page IconTo Previous Page
Loading...
Function diagram
87654321
fp_mc_Y06_e.vsd
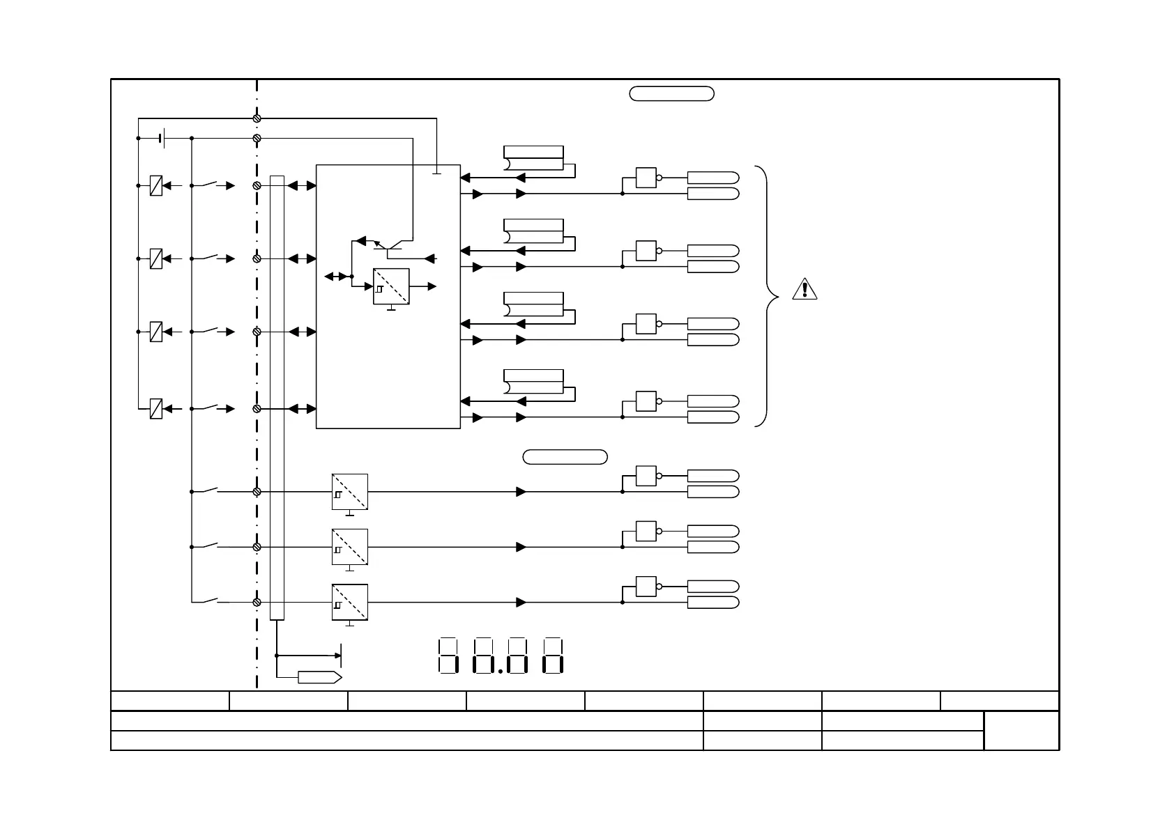
Terminal expansion EB1 No. 2
MASTERDRIVES MC
08.01.02
Digital inputs/outputs
-Y06 -
V2.5
-
+
Attention!
If one of the terminals 43 to 46 is to be used as an
input, the corresponding output has to be set to the
value "0" (transistor blocks) !
Example: Terminal 45 = input => P669.7=0!
out
in
24 V
38
39
2
0
43
44
45
46
2
1
2
2
2
3
40
41
42
Inputs
2
4
2
5
2
6
4 bidirectional digital inputs/outputs
Inputs
Outputs
1
out
in
1
out
in
1
out
in
1
out
in
3 digital inputs
5 V
5 V
5 V
M_external
24 V
24 V
24 V
1
1
1
5 V
24 V
out
in
out/in
Display of the terminal statuses via r670.2 on the PMU:
42 41 40 46 45 44 43
M_external
M_external
U953.09 = ___
K5206
r670.2
B
P669.8 (0)
B5210
B5211
B
P669.7 (0)
B5208
B5209
B
P669.6 (0)
B5206
B5207
B
P669.5 (0)
B5204
B5205
U953.10 = ___
B5213
B5212
B5215
B5214
B5217
B5216

Table of Contents

Other manuals for Siemens simovert masterdrives

Related product manuals