EasyManua.ls Logo

Siemens simovert masterdrives - Page 1094

Siemens simovert masterdrives
1547 pages
Print Icon
To Next Page IconTo Next Page
To Next Page IconTo Next Page
To Previous Page IconTo Previous Page
To Previous Page IconTo Previous Page
Loading...
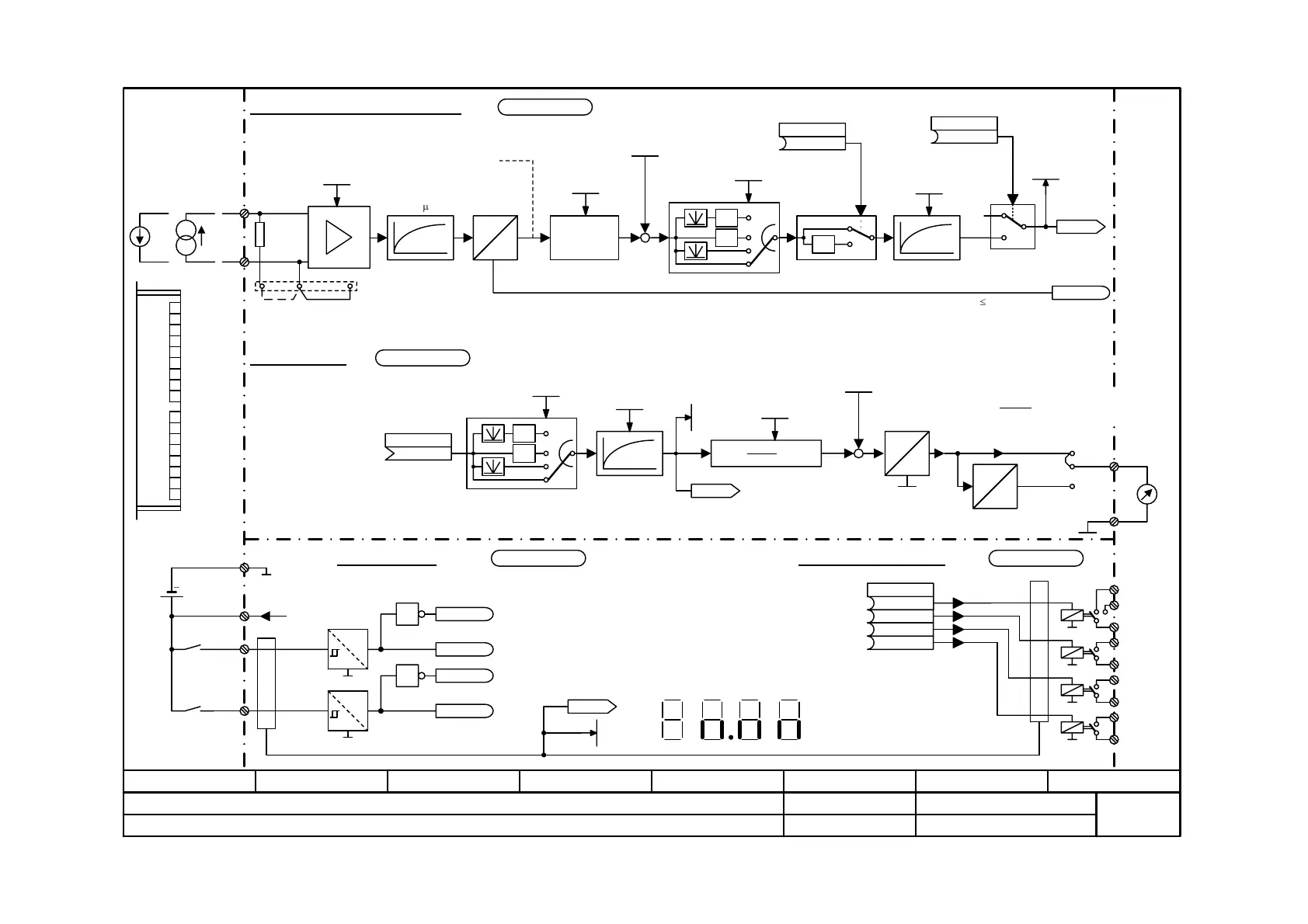
Function diagram
87654321
fp_mc_Y07_e.vsd
Terminal expansion EB2 No. 1
MASTERDRIVES MC
08.01.02
analog and digital inputs/outputs
-Y07 -
V2.5
0
1
0%
Smoothing
Enable analog
input
-1
0
1
Sign inversion
-1
-1
3
2
1
0
y [%] =
x [%] * P676.1
y
x
A
D
10 V = 100 %
20 mA = 100 %
200 s
Hardware
smoothing
i
± 20 mA
49
50
± 10 V
Analog input (differential input)
u
20 mA
12 3
X498
10 V
Wire break (i 2 mA)
Smoothing
-1
-1
3
2
1
0
D
A
47
yx
48
Uout = -10 V ... + 10 V
P686.1 *
% 100
x
[V]y =
[V] Offset [V] ionNormalizat *
% 100
K5112
[V] Uout +=
Analog output
U
I
Iout =
-20 mA...+ 20 mA
53
54
2
0
2
1
5 V
M
external
5 V
M
external
24 V
24 V
52
P24
aux
24 V
+
51
M
extern
Display of the terminal
statuses via r673.1 on the PMU:
45 43 41 39 54 53
46
45
44
43
42
41
40
39
38
.01
.02
.03
.04
2
3
2
5
2
4
2
2
2 digital inputs 4 digital relay outputs
1
2
3
X499
9 Bit + sign
11 Bit + sign
38
39
40
41
42
43
44
45
46
47
48
49
50
51
52
53
54
EB2
Viewed from the
front when
installed
1
1
K5111
r682.1
Time constant
0 ... 1000 ms
P680.1 (0)
B
P681.1 (1)
B
P679.1 (0)
P678.1 (0)
Offset
-100.00 ... +100.00 %
P677.1 (0.00)
Normalization
0.00 ... 100.00
P676.1 (1.00)
Signal type
(0/1 = 10 V / 20 mA)
P675.1 (0)
U953.11 = ___
B5121
Time constant
0 ... 10000 ms
P685.1 (0)
P684.1 (0)
Offset
-200.00 ... +200.00 V
P687.1 (0.00)
Normalization
-200.00 ... +200.00 V
P686.1 (10.00)
K5112
r688.1
K
P683.1 (0)
U953.12 = ___
K5113
r673.1
B
P674 (0)
B
B
B
U953.13 = ___ U953.14 = ___
B5122
B5123
B5124
B5125

Table of Contents

Other manuals for Siemens simovert masterdrives

Related product manuals