EasyManua.ls Logo

Siemens simovert masterdrives - Page 1096

Siemens simovert masterdrives
1547 pages
Print Icon
To Next Page IconTo Next Page
To Next Page IconTo Next Page
To Previous Page IconTo Previous Page
To Previous Page IconTo Previous Page
Loading...
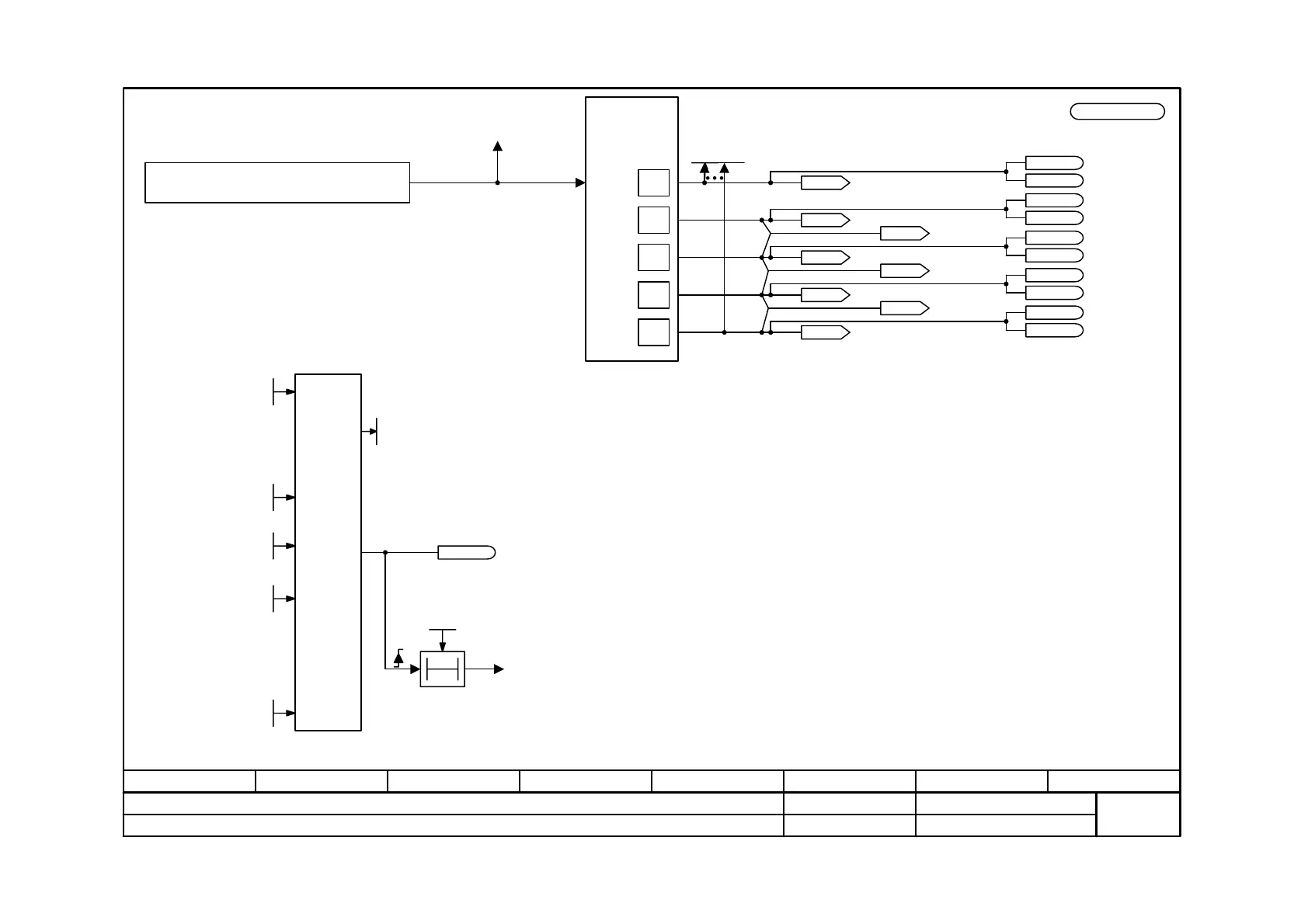
Function diagram
87654321
fp_mc_Z01_e.vsd
SCB1/2
MASTERDRIVES MC
08.01.02
Peer-to-peer receiving
- Z01 -
V2.5
Note: Bit 0 must be set in the first PZD word of the telegram
received via USS, so that the converter will accept the
process data as being valid. For this reason, the control
word 1 must be transferred to the converter in the first
PZD word.
1
2
3
Low
High
Low
High
Low
High
Low
Peer-to-Peer Telegram
Receiving
Transmitting for
Peer transfer
P696 (x)
x=0: Master for SCI boards
x=1: 4-wire USS
x=2: 2-wire USS
x=3: Peer-to-peer
SCB
configu-
ration
T0
to F079
SCB
telegram failure
P704.3 (x)
x=0 no monitoring
SCB:
4
5
SCB:
<1> (xx) see parameter list
Not with Compact PLUS!
No fault when P781.15 = 101.0 s
K4501
SCB Word 1
B4515 Word 1 Bit 15
K4502 SCB Word 2
B4600 Word 2 Bit 0
B4615 Word 2 Bit 15
KK4532 SCB DWord 2
K4503
SCB Word 3
B4700 Word 3 Bit 0
B4715 Word 3 Bit 15
B4500 Word 1 Bit 0
KK4533
SCB DWord 3
K4504 SCB Word 4
B4800 Word 4 Bit 0
B4815 Word 4 Bit 15
KK4534 SCB DWord 4
K4505
SCB Word 5
B4900 Word 5 Bit 0
B4915 Word 5 Bit 15
U953.25 = ___(4)
SCom Baud
1 ... 13
P701.3 (6)
SCom PcD #
0 ... 5
P703.3 (2)
SCom TlgOFF
0 ... 6500 ms
P704.3 (0)
B0050
SCB TlgOFF
Fault Delay
0.0 ... 101.0 s
P781.15 (0.0)
SCB Peer2PeerExt
0 ... 1
P705 (Index 1 to 5)
SCB Protocol
0 ... 5
P696 (0)
SCB Diagnosis
r697.xx <1>
SCB/SCI Values
r699.17 to .21

Table of Contents

Other manuals for Siemens simovert masterdrives

Related product manuals