EasyManua.ls Logo

Siemens simovert masterdrives - Page 1133

Siemens simovert masterdrives
1547 pages
Print Icon
To Next Page IconTo Next Page
To Next Page IconTo Next Page
To Previous Page IconTo Previous Page
To Previous Page IconTo Previous Page
Loading...
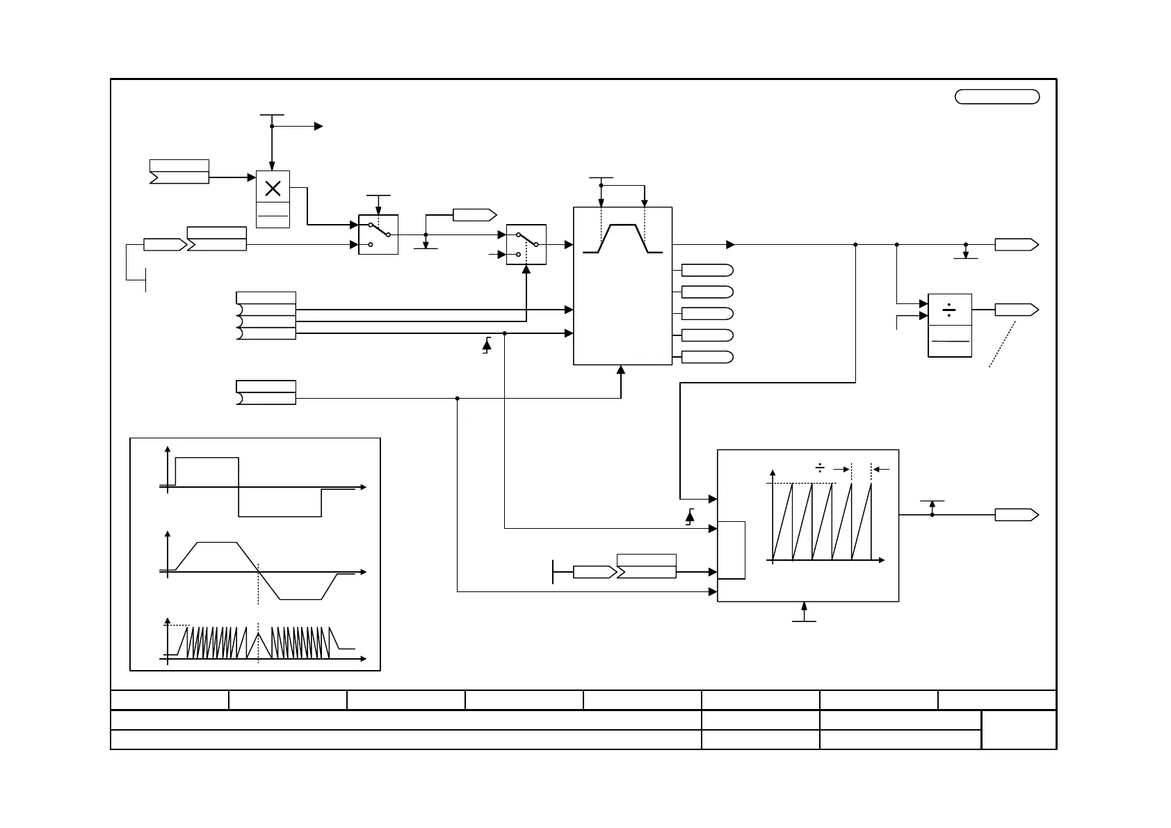
Function diagram
87654321
fp_mc_832_e.vsd
Technology option
MASTERDRIVES MC
03.03.08
virtual master axis
-832 -
x1
x1 x2
100%
*
V_master_rated [832.7]
<2>
x2
0
1
1
0
.01 (0) [R_VM] RESET (V = 0)
.02 (1) [ST_VM] START/STOP (1=Start accel.)
.03 (0) [S_VM] Set virtual master axis to
initial position
V = 0
V = X
Virtual master axis
V
see [331.5]
The virtual master axis is an
independent free block and not inserted
in the positioning operating modes
Speed setpoint of virtual master axis
V<>0
|X| > |V|
V = X
|X| < |V|
Freeze V
± 2
31
-1 [x 10 LU/min]
x1
*
x1 100%
x2
V_master_rated
[832.2]
x2
y
0 = Freeze ramp-function generator
Set position setpoint to zero
(Virtual master axis is
not calculated)
Speed setpoint of
virtual master axis
in [% von U682] [832.2]
<1> At U685=0, the ramp-function generator is out of force, and output V follows
input X undelayed. This is purposeful, for example, if you want to use the
comfort ramp-function generator with rounding on sheet [790] for the virtual
master axis. In this case you can also use the integrator on sheet [791]
Input speed ramp-function generator
t
X
Output speed ramp-function generator
t
V
Position setpoint of virtual master axis
t
ACL_V
S
0
S
ACL_V
ACL_V
V
ACL_V
0
t
SET
SET-
VAL
EN
S
(e.g. for SIMOLINK,
transmit words 1 und 2:
P751.01 = 817,
P752.02 = 817 [160.1])
Integrator
set S=initial position
V
Speed ramp-function generator
<2> Factory setting 1 228 800 corresponds to 3000 rpm at an axis
cycle length of ACL_V=4096 LU/rev. (e.g. set at MD23)
<3> Factory setting 204 corresponds to 1 s acceleration time at an
axis cycle length of ACL_V=4096 LU/rev
y
0 ... 2
31
-1 [x 10 LU/min]
Master speed
0
<3>
<1>
A
B
C
D
A
B
CD
V2.5
K
U681 (0)
Speed setpoint in [%]
Operating mode for setting
the speed setpoint
0 = specified in [% von V_master_rated]
1 = specified in [10 LU/min]
U683 (0)
KK0818 KK
U680 (818)
Speed setpoint
in [10 LU/min]
KK0815
n692
B
U684
Control signals
Virtual master axis
Acceleration
1 ... 2
31
- 1 [1000 LU/s2]
U685 (204)
U953.34 = ___(20)
KK0816
B0815 [FUR_VM] RFG running
B0816 Acceleration ramp active
B0817
Reference speed achieved
[VM_RSA]
B0818 Deceleration ramp active
B0819 Output=0
n691
KK0820
B
U689 (1)
Enable
virtual master axis
Axis cycle length of virtual master axis
(for rotary axis preferably set to number
LU per revolution of the master axis)
0 ... 2
31
-1 [LU]
U687 (4096)
KK0817
Position setpoint of
virtual master axis
[LU]
n690
KK
U686 (819)
Setting value virtual master axis
KK0819
B
B
Rated master speed
0...2
31
1 [x 10 LU/min]
U682 (1 228 800)
-2
31
… +(2
31
-1) [LU]
U693 (0)
-2
31
… 2
31
-1
U679 (0)

Table of Contents

Other manuals for Siemens simovert masterdrives

Related product manuals