EasyManua.ls Logo

Siemens simovert masterdrives - Page 1138

Siemens simovert masterdrives
1547 pages
Print Icon
To Next Page IconTo Next Page
To Next Page IconTo Next Page
To Previous Page IconTo Previous Page
To Previous Page IconTo Previous Page
Loading...
Function diagram
87654321
fp_mc_834c_e.vsd
Technology option
MASTERDRIVES MC
31.08.04
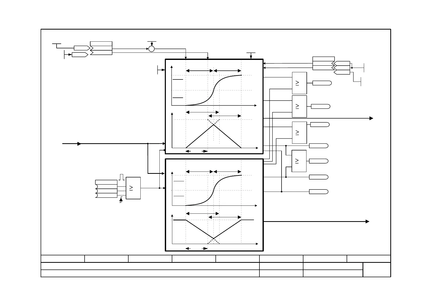
Synchronism-engaging/diseng. actions catch-up (variable ramps peak travel (C)<(B)) U475=111
- 834c -
V2.5
1
<1>
<2>
[SSC] Permanent enable
0.1
0.2
Single enable [SST]:
After a positive edge, engaging/disengaging is carried out once.
[LU]
+
+
[LU]
[834.3]
Ramp inactive (in constant travel phase)
(=1 during time span of (B') .. (C'))
1
Engaging is running
(=1 during the time span of (A) .. (D))
Engaging/disengaging is running
(=1 during the time span of (A) .. (D))
Disengaging is running
(=1 during the time span of (A) .. (D))
[834.5]
[834.5]
ENGAGING
s_slave
s_master
v_slave
s_master
(B')-(A)
Disengaging
s_master
s_slave
s_master
v_slave
0.3
[SST] Single enable
Permanent enable continuous
.01 (822)
Src Disengage Position
Only one of the two permanent enables can be given. If the permanent
enable signal is given, engaging/disengaging action is performed every time
the engaging position is reached again.
The engaging/disengaging action must be completed at the latest in the
greatest possible axis cycle of the ACL max master axis in order to already
recognise the next engaging position again in the following ACL.
If the permanent signal is output continuously the engaging/disengaging
action is only performed once when it first reaches the engaging position.
After this, the drive remains engaged or disengaged respectively.
The engaging/disengaging length is not taken into account, but it must be set
greater than the desired total length of the acceleration/deceleration ramp.
<3>
1
Decel. ramp
DEC-RA [LU]
Acc. ramp
ACC-RA [LU]
1
1
<1>
<2>
<4>
[LU]
(D)
U609.2
(A)
(C)
(D)
<4>
0: Standard configuration
1: Special configuration (specified disengaging position)
11: Special configuration (specified disengaging position
+ variable acceleration/deceleration ramp) from V2.1
111: Special configuration (as in 11 + peak travel (C) < (B)) from V2.2
Special configuration : U475 = 111 and U601>0
Acceleration ramp and deceleration ramp can be adjusted independently
of each other. If the disengaging position is situated ahead of the
acceleration ramp end (B), point (B') (or (C' respectively)) will be defined
as a result of this. Thus an acceleration ramp of (A)<->(B') or a
deceleration ramp of (C')<->(D) is the result.
When configuring (C)>= (B) the engaing/disengaging action displays the
same behavior as with U475=11.
The deceleration ramp cannot be changed in this configuration while
engaging/disengaging is active.
<3>
.01 (894)
.02 (894)
(D)-(C')
2
(B')-(A)
2
(D)-(C')
Acc. ramp
Decel. ramp
(B')
(C')
(B)
(B)
(B')
(C')
(C)(A)
(D)-(C')
2
(B')-(A) (D)-(C')
Acc. ramp
Decel. ramp
U609.2
(B')-(A)
2
B
U612 (0)
Enable
Engaging/Disengaging
KK0822 KK
U609
Src Offset
Couple Position
B0832
B0833
B0831
B0803
B
KK
.02 (821)
Config.Eng/diseng
0 ... 111 (0)
U475
B0814
Change to Src.Variable Ramps (U474) permitted
(=0 Change during time span of (A) .. (B)
and (C) .. (D) not permitted)
KK
U474
Src Variable Ramps
KK0894
KK0894
Total length of
acceleration/dec.
ramp
U610.1 (1) [LU]
KK
B0802
In deceleration ramp
(=1 during the time span of (C') .. (D))
B0801
In acceleration ramp
(=1 during the time span of (A) .. (B'))
Length of
ramp
U610.2(0) [LU]
KK0895
TG FK ramp
KK0821
Diseng.pos.
U613.2 (0)
Couple Position
U608 (0) [LU]
Offset
Couple Position
U613.1 (0)
B
Engaging/disengaging length
U611 (0) [LU]

Table of Contents

Other manuals for Siemens simovert masterdrives

Related product manuals