EasyManua.ls Logo

Siemens simovert masterdrives - Page 1150

Siemens simovert masterdrives
1547 pages
Print Icon
To Next Page IconTo Next Page
To Next Page IconTo Next Page
To Previous Page IconTo Previous Page
To Previous Page IconTo Previous Page
Loading...
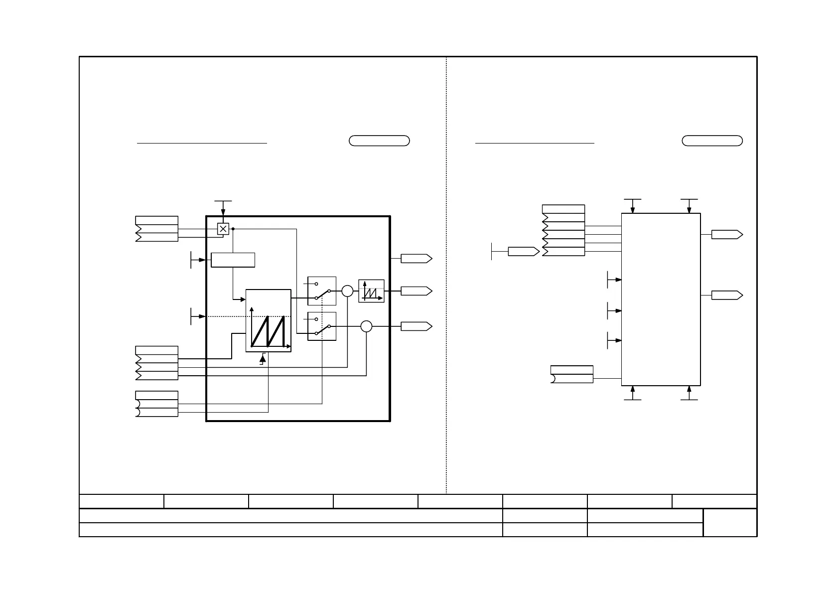
Function diagram
87654321
fp_mc_842_e.vsd
Technology option
MASTERDRIVES MC
06.02.06
Register displacement
-842 -
V2.5
DRD control
Dynamic
register
displacement
v.InputDIS %
CircAdaptionDIS %
ACL
Normalization
Register displacement {44µs}
(DIS – register displacement)
.1 (799)
.2 (0)
Integrator with
ACL limitation
0
1
0%
0
1
0%
+
+
Limitation
to ACL
.1 (820)
.2 (0)
.5 (0)
.4 (0)
.3 (0)
SetDIS
EnableDIS
OffAngleDIS %
phi.OffsetDIS LU
SetValDIS LU
.3 (811)
EnableDEC
Register decoupling {54µs}
(DEC – register decoupling)
CurCircDEC LU
v.DecouplDEC %
AnglSpDispDEC %
ActAngleSpDEC %
KK0796
OffAngleDIS
KK
U700
SrcRegisterKK
KK0795
phi.OffsetDIS
KK0798
v.SuccessorDEC
KK0794
v.DecouplDIS
Axis cycle DIS
1 ... 2
31
-1
U703.1 (4096)
v.AdaptDIS
0.00 ... 200.00%
U702.1 (100.00)
KK0799
CircAdaptDEC
B
U701
SrcRegisterB
U953.27=___ (20) U953.59=___ (20)
KK
U700
SrcRegisterKK
v.NormDIS
0.00 ... 20.000.000,00
U704.1 (0.00)
Characteristic
0 normal
U705.2 (0)
Mode
0 Circumferential register
1 Register rollers
U705.1 (0)
T.AdaptDEC
0.00 ... 200.00%
U702.3 (100.00)
v.AdaptDEC
0.00 ... 200.00%
U702.2 (100.00)
v.NormDECmm/min
0,00 ... 20.000.000,00
U704.2 (500.000,00)
DistanceDEC mm
1 ... 2
31
-1
U703.4 (10000)
CircNormDEC
1 ... 2
31
-1
U703.3 (500)
KK
U700
SrcRegisterKK
KK
.6 (794)
KK
.7 (803)
KK
.8 (312)
KK
.9 (979)
KK0797
CircumDEC
CircumDEC
1 ... 2
31
-1
U703.2 (500)
B
U701
SrcRegisterB
KK
KK
KK
B

Table of Contents

Other manuals for Siemens simovert masterdrives

Related product manuals