EasyManua.ls Logo

Siemens simovert masterdrives - Page 1149

Siemens simovert masterdrives
1547 pages
Print Icon
To Next Page IconTo Next Page
To Next Page IconTo Next Page
To Previous Page IconTo Previous Page
To Previous Page IconTo Previous Page
Loading...
- 841a-
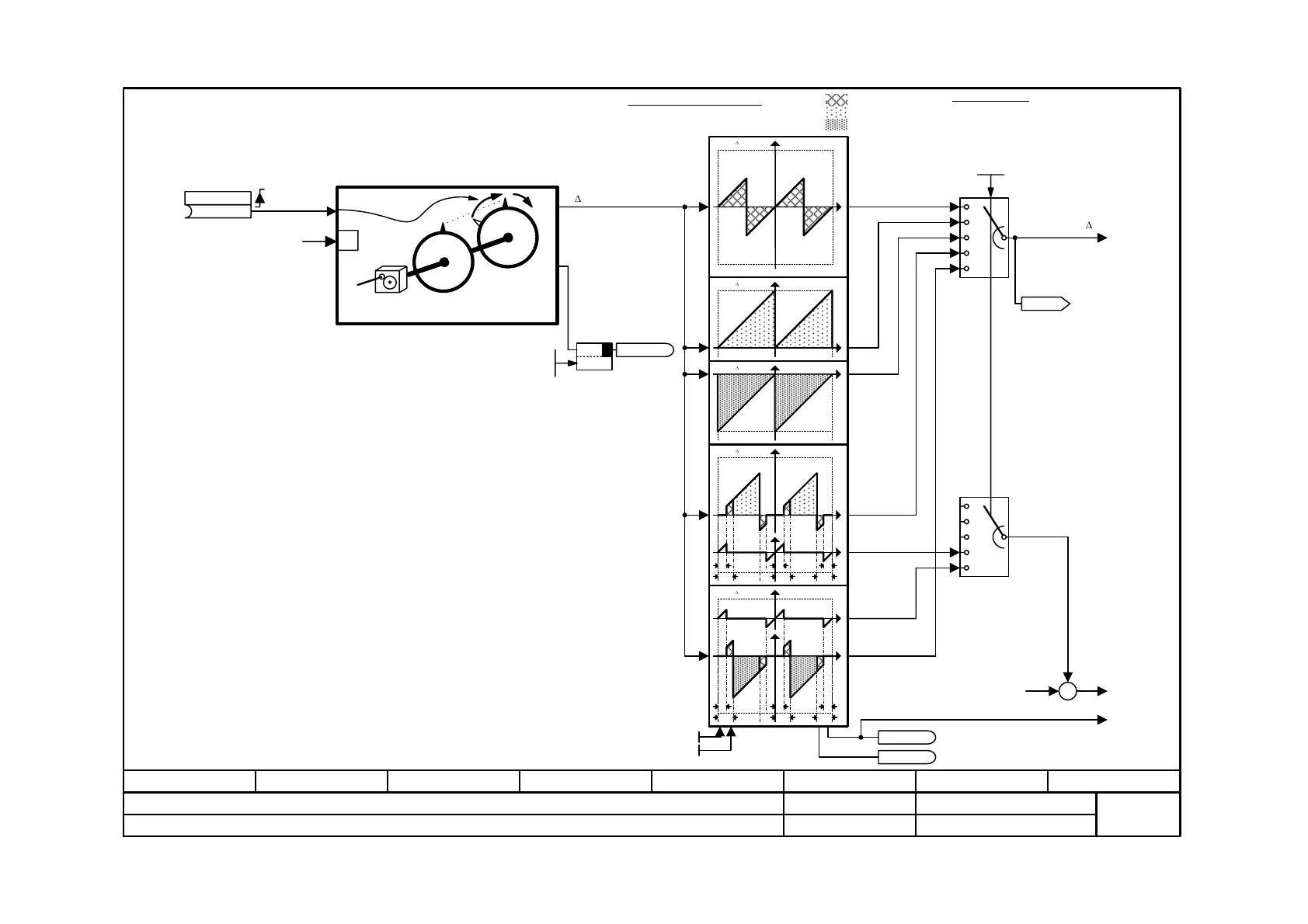
Function diagram
87654321
fp_mc_841a_e.vsd
Technology option
MASTERDRIVES MC
12.08.04
Synchronization with window / Synchronism - Synchronization
Correction
value of
Sync.diff.
Synchronization in window 1
Synchronization to master setpoint
s_Master_Slave
F
( s_Master_Slave)
F1
F2
F1
F2
F1
F2
AZL
AZL
x
F
( s_Master_Slave)
F1
F2
F1
F2
F1
F2
AZL
AZL
x
F
( s_Master_Slave)
AZL
AZL
x
F
( s_Master_Slave)
+AZL
AZL
x
F
( s_Master_Slave)
-AZL
AZL
x
s_set_Slave
[836.6]
<1>
+
Start
<2>
+
Setpoint for master value
synchronization [831 <2>]
4
3
1
0
2
s_Master_Slave
Synchronization in window 2
[841.5]
4
3
1
0
2
[841.6]
Current displacement [841.8]
Displace. set value
[841.6]
Set displacement
Correction of motion direction: shortest path
in positive direction
in negative direction
Correction value
Current
displacement
Current displacement [841.8]
+
S
R
V2.5
KK0828
B0837
B0811
Synchronizing
status 1 =
"is synchronized"
B0836
B
U676 (0)
Synchronize to master setpoint
Memory backstop
active B0812 [836]
Correction mode:
0= shortest path
1= in positive direction
2= in negative direction
3 = in pos. direction with window
4= in neg. direction with window
U699.1 (0)
F2 = Outer window U462.2 (200)
F1 = Inner window U462.1 (0)

Table of Contents

Other manuals for Siemens simovert masterdrives

Related product manuals