EasyManua.ls Logo

Siemens simovert masterdrives - Page 393

Siemens simovert masterdrives
1547 pages
Print Icon
To Next Page IconTo Next Page
To Next Page IconTo Next Page
To Previous Page IconTo Previous Page
To Previous Page IconTo Previous Page
Loading...
09.2008 Communication / PROFIBUS
Siemens AG 6SE7087-6QX70 (Version AK)
SIMOVERT MASTERDRIVES Compendium Motion Control 8.2-63
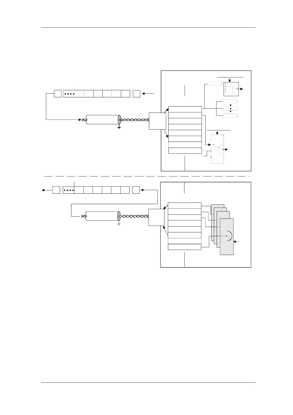
The following pages contain examples of how the transferred data are
allocated in the units by means of process data interconnection.
STW
HSW
PZD3
PZD4
3001
3002/3032
e.g. P554.1 = 3100
Source of
HSW
from analog
input
PKW
Process data (PZD) - Setpoint channel
STW1
Bit 0
PZD1
STW
Bus
connector
PZD5
PZD6
PROFIBUS-DP
Dual -port- RAM
Setpoint channel
e.g. P443.1=3002
PZD2
HSW
PZD3 PZ D4 PZD5 PZD6
3003
3004
3005/3035
3006/3036
PZD10
3010
Actual-value channel
ZSW
HIW
PZD3
PZD4
P734.1
P734.2
States
Actual
values
PKW
Process data (PZD) - Actual-value channel
PZD1
ZSW
Bus
connector
CBP
PZD5
PZD6
PROFIBUS-DP
PZD2
HI W
PZD3 P ZD4 PZD5 PZD6
P734.3
P734.4
P734.5
P734..6
PZD10
P734.10
(CB/TB-actual values)
P734.1
P734.2
P734.3
P734.10
B3101
B3115
B3100
SIMOVERT MASTERDRIVES
Dual -port- RAM
SIMOVERT MASTERDRIVES
CBP
from the master
to the master
Fig. 8.2-21 Example of process data interconnection of the first CB board in function
classes Motion Control Compact PLUS, CUPM, CUMC and CUVC
Examples

Table of Contents

Other manuals for Siemens simovert masterdrives

Related product manuals