EasyManua.ls Logo

Siemens simovert masterdrives - Page 394

Siemens simovert masterdrives
1547 pages
Print Icon
To Next Page IconTo Next Page
To Next Page IconTo Next Page
To Previous Page IconTo Previous Page
To Previous Page IconTo Previous Page
Loading...
Communication / PROFIBUS 09.2008
6SE7087-6QX70 (Version AK) Siemens AG
8.2-64 Compendium Motion Control SIMOVERT MASTERDRIVES
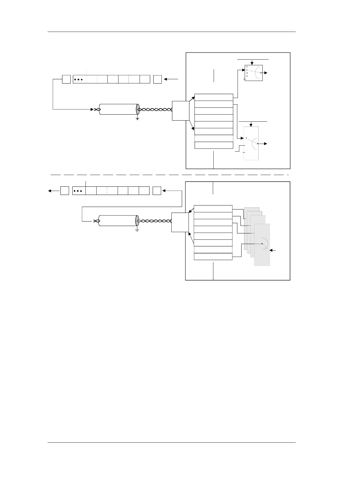
STW
HSW
PZD3
PZD4
3001
3002/3032
e. g. P554.1 = 3001
from analog
input
PKW Process data (PZD) - Setpoint channel
PZD1
STW
Bus
connector
PZD5
PZD6
PROFIBUS-DP
e. g. P443.1=3002
PZD2
HSW
PZD3PZD4
PZD5PZD6
3003
3004
3005/3035
3006/3036
PZD10 3010
ZSW
HIW
PZD3
PZD4
P694.1
P694.2
PKW Process data (PZD) - Actual-value channel
PZD1
ZSW
CBP
PZD5
PZD6
PROFIBUS-DP
PZD2
HIW
PZD3 PZD4 PZD5 PZD6
P694.3
P694.4
P694.5
P694..6
PZD10 P694.10
(CB/TB-Actual values)
P694.1
P694.2
P694.3
P694.10
SIMOVERT MASTERDRIVES
SIMOVERT MASTERDRIVES
CBP
From the master
To the Master
Bus
connector
Dual-port-RAM
Actual-value channel
States
Actual
values
Dual-port-RAM
Setpoint channel
Source of
HSW
STW1
Bit 0
Fig. 8.2-22 Example of process data interconnection for function classes FC (CU1),
VC (CU2) and SC (CU3)

Table of Contents

Other manuals for Siemens simovert masterdrives

Related product manuals