EasyManua.ls Logo

Siemens simovert masterdrives - Page 55

Siemens simovert masterdrives
1547 pages
Print Icon
To Next Page IconTo Next Page
To Next Page IconTo Next Page
To Previous Page IconTo Previous Page
To Previous Page IconTo Previous Page
Loading...
12.2010 Configuration and Connection Examples
Siemens AG 6SE7087-6QX70 (Version AM)
SIMOVERT MASTERDRIVES Compendium Motion Control 2-27
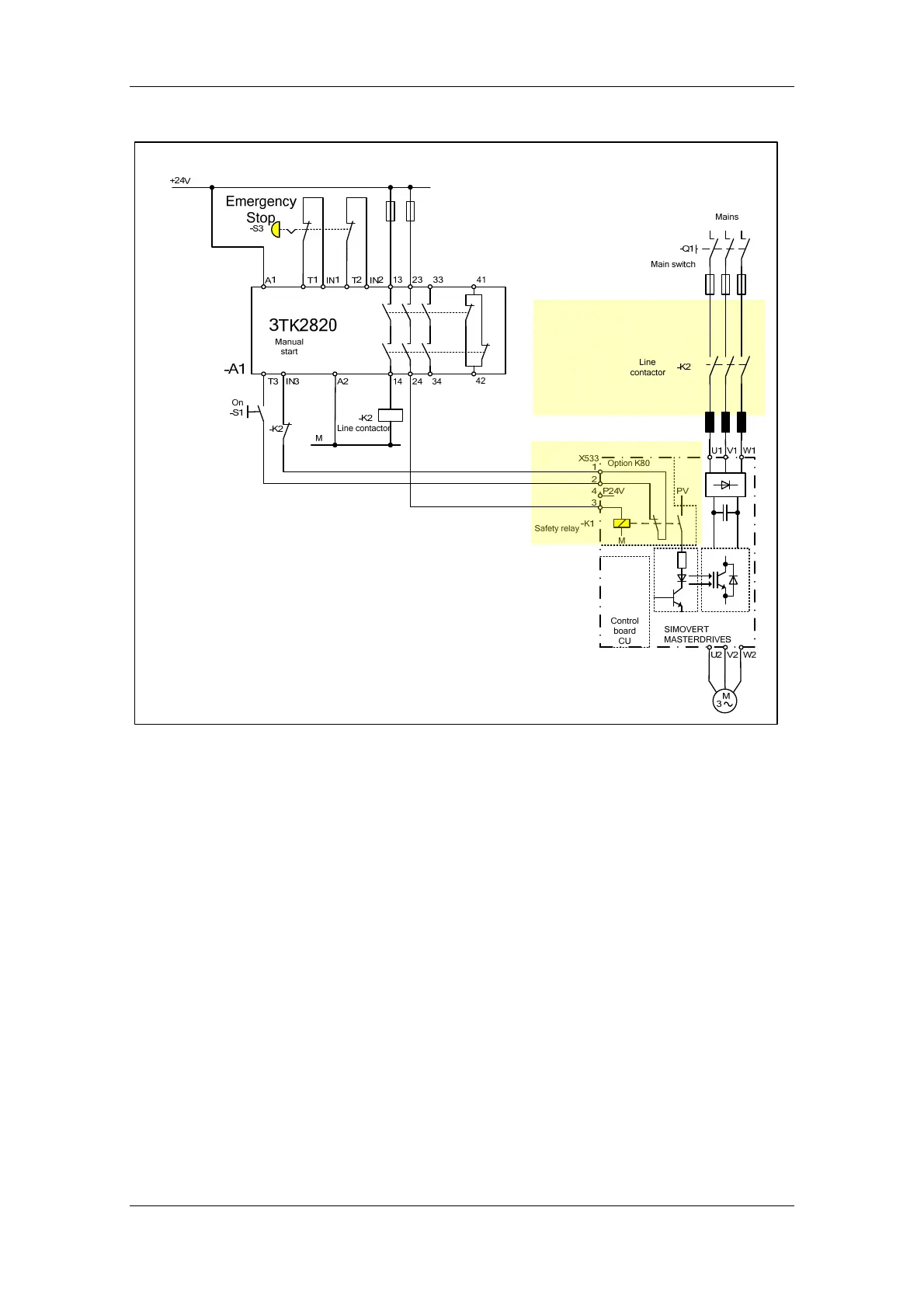
Fig. 2-11 Emergency Stop on a Compact PLUS converter
STO on drive
Emergency Stop is canceled and the safety switching device –A1 is
reset by means of button –S1.
Safety relay –K1 and line contactor –K2 are energized via the
contacts of the safety switching device –A1.
Requirements for
operating the drive

Table of Contents

Other manuals for Siemens simovert masterdrives

Related product manuals