EasyManua.ls Logo

Siemens simovert masterdrives - Page 953

Siemens simovert masterdrives
1547 pages
Print Icon
To Next Page IconTo Next Page
To Next Page IconTo Next Page
To Previous Page IconTo Previous Page
To Previous Page IconTo Previous Page
Loading...
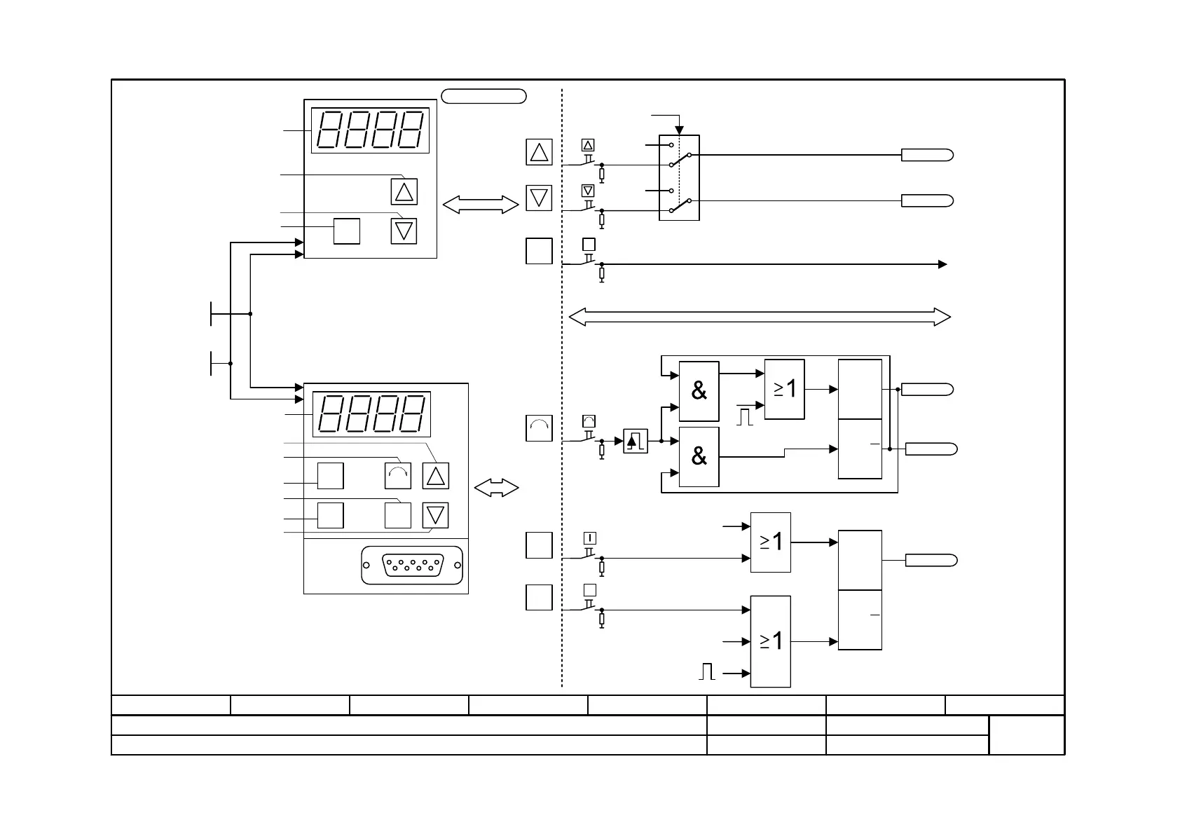
Function diagram
87654321
fp_mc_050_e.vsd
PMU
MASTERDRIVES MC
08.01.02
Keypad, functionality and wiring
- 50 -
V2.5
O
POWER ON
SET
(Q=1)
RESET
(Q=0)
Q
Q
Priority:
1 RESET
2 SET
Set-command from
sequence control if OFF2
or OFF3 from PMU
POWER ON
Reset command from
sequence control if
ON/OFF1 from PMU
Priority:
1 RESET
2 SET
SET
(Q=1)
RESET
(Q=0)
Q
Q
I
O P
PMU, Compact and
chassis type unit
X300
Seven-segment display
ON key
OFF key
Toggle key
Reversing key
Raise key
Lower key
Actuation of
seven-segment
display
5 V
0
1
0
1
0
0
5 V
P
5 V
5 V
5 V
5 V
Toggle key to operating
system, fault
acknowledgement to
control word 1 [see 180.2]
Operating display (r000)
selected and operation=1
of sequence control
Note: Activation of the raise and lower keys is only effective
if the operating display(r000) is selected, a changeover
to the value display has taken place with the toggle key
and the unit is in the "Operation" status.
P
I
O
P
PMU,
Compact PLUS type unit
Seven-segment display
Toggle key
Raise key
Lower key
B0006
Positive direction
of rotation from
PMU
B0007
Negative direction
of rotation from
PMU
B0005
ON/OFF1, OFF2,
OFF3 from PMU
[see 180.3]
B0009
Lower motorized
potentiometer from
PMU [see 180.3]
B0008
Raise motorized
potentiometer from
PMU [see 180.3]
n959.15 = 4
Parameter Acess
Bit 1 = 1
xxxx xxxx xxxx xx1x
P053
PMU OperDisp
0 ... 3998
P048 (2)

Table of Contents

Other manuals for Siemens simovert masterdrives

Related product manuals