EasyManua.ls Logo

Siemens simovert masterdrives - Page 970

Siemens simovert masterdrives
1547 pages
Print Icon
To Next Page IconTo Next Page
To Next Page IconTo Next Page
To Previous Page IconTo Previous Page
To Previous Page IconTo Previous Page
Loading...
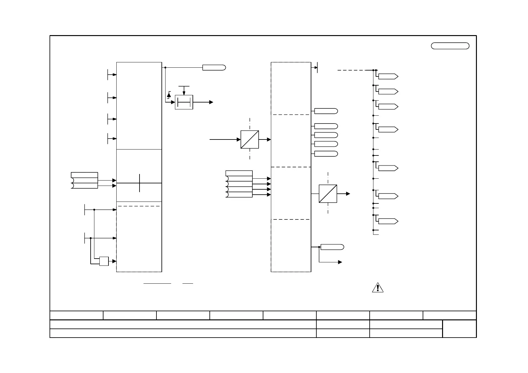
SLB diagnosis
Function diagram
87654321
fp_mc_140_e.vsd
SIMOLINK board (SLB)
MASTERDRIVES MC
30.08.01
Configuration and diagnosis
-140 -
V2.5
SLB configuration
General part
Dispatcher-specific part
Module address = 0
f
<1>
T0
F056
SIMOLINK TlgOFF
Monitoring is not active until after first
valid telegram.
No fault when P781.16 = 101.0 s
O
E
Receive
SIMOLINK
.015: Implemented bus cycle time
.016: internal
E
O
Transmit
<1>
.03
.04
A002
SIMOLINK Start alarm
SIMOLINK
<2>
<2>
.01
.02
.01
.02
1
0
0
0
SLB in
lower
slot
SLB in
higher
slot
Select active SLB
0 = SLB is source for
synchronizing
When SIMOLINK is used, telegram failure
monitoring should always be activated!
For the SLB telegram failure time
P741 = 4* P746 (SLB bus cycle time) is
recommended.
r748.001: Number of error-free synchronizing
telegrams
.002: Number of CRC faults
.003: Number of timeout errors
.004: Last address actuated
.005: Address of the node which transmits
the special telegram, "Time out"
.006: Active SYNC interrupt delay
1 = 273 ns
.007: Position of the node in the ring
.008: Number of nodes in the ring
.009: Synchronism deviation
(65535 synchronisation not active)
should fluctuate between 65515 and 20
.010: Corrected pulse periods in units of
100 ns
.011: T0 counter (0 with active synchronization)
.012: internal
.013: internal
.014: Time counter
telegram a for Time=6.36µs ;
P745
1
2)
µs 6.36
µs 3.18+P746
(= nodes addressed of Number :f ×
(3.18 due to rounding off)
Number of channels = Number of transmission channels (32-bit transmit words) per node; is according to the node which uses the most transmission channels.
This formula is only applicable if no special data (FD 160a) are assigned.
SLB NodeAddr
0 ... 200
P740.1 (1)
SLB TlgOFF
0 ... 6500
P741 (0)
P741 = 0: No monitoring
SLB Trns Power
1 ... 3
P742 (3)
SLB # Nodes
0 ... 255
P743.1 (0)
B0040
SLB TlgOFF
Fault Delay
0.0 ... 101.0 s
P781.16 (0.0)
SLB Diagnosis
r748
B0041
Timeout
B7010 SLB Appl.Flag 0
B7011 SLB Appl.Flag 1
B7012 SLB Appl.Flag 2
B7013 SLB Appl.Flag 3
B0042 Start alarm
B
B
n959.20 = 7
SLB Channel #
1 ... 8
P745.1 (2)
SLB Cycle time
0.20 ... 6.50 ms
P746.1 (3.20)
B
P744
Source SYNC select
B
K7081
K7082
K7083
K7085
K7089
K7091
K7094
B
P747 (0)
Q.SLB Appl.Flags
B

Table of Contents

Other manuals for Siemens simovert masterdrives

Related product manuals