EasyManua.ls Logo

Siemens simovert masterdrives - Page 995

Siemens simovert masterdrives
1547 pages
Print Icon
To Next Page IconTo Next Page
To Next Page IconTo Next Page
To Previous Page IconTo Previous Page
To Previous Page IconTo Previous Page
Loading...
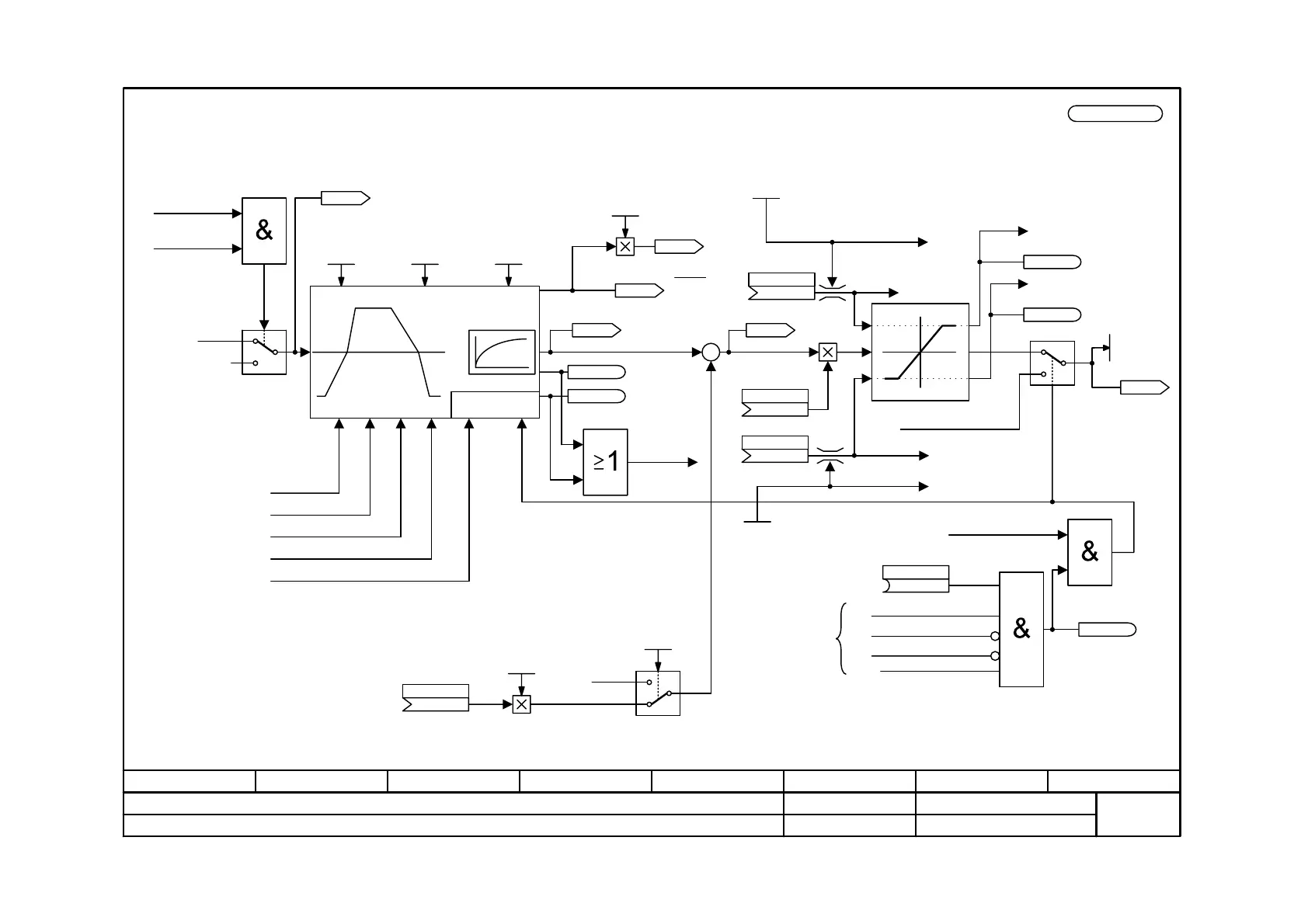
Make correction to
ramp func. gen.
Function diagram
87654321
fp_mc_320_e.vsd
Setpoint processing
MASTERDRIVES MC
18.01.06
Ramp-function generator
-320 -
V2.5
0
1
[180.7]
Release setpoint
of control word 1
Drive status
OPERATION
0 %
n(set, spd sel)
from setpoint
processing 1
[310.8]
Ramp generator release of sequence control
1 = Release
0 = Set ramp generator output to 0
HLRgen active to
status word 1
[200.2]
[180.7] RampGen stop from control word 1
[320.8] Limitr FWS act.
[320.8] Limitr REV act.
0
1
0 %
x
y
+
+
[
100 %
ms
]
[320.2]
[320.2]
0
1
Position controller output [340.8]
Jog bit 0
Enable RGen bypass
from position control [340.5]
Setpoint enable
Jog bit 1
Enable speed control
From process
control
Ramp-function generator bypass
[500.5] Actual speed value (KK0091)
0 %
[360.4] [370.1]
[480.7]
0 %
[480.6]
[360.4] [370.1]
Accel Time
0.00 ... 600.00 s
P462.F (0.50)
KK
P438.B (0)
Src Add Setp 2
Scale Add Setp 2
-300.0 ... 300.0 %
P439.F (100.0)
KK0073
n(set, RGenOut)
B0204
Limitr REV act.
KK0074
n(set,sum2)
n(set,limitr)
r472
n959.43 = 2
SmoothRGenOut
0.000 ... 60.000 s
P469.F (0.000)
Decel Time
0.00 ... 600.00 s
P464.F (0.50)
B0201 Accel active
B0202 Decel active
No inching of
sequence control
n(max,FWDSpeed)
0.0 ... 200.0 %
P452.F (100.0)
n(max,REVSpeed)
-200.0 ... 0.0 %
P453.F (-100.0)
KK0076
dn/dt (RgenOut)
K0077
Torque(PRE)
Scale Torq(PRE)
0.0 ... 214748339 %
P471.F (100.0)
B0203
Limitr FWD act.
KK0075
n(set,limitr)
B
P772 (1)
SrcEnRGenByp
KK0072
n(set,RGen-I)
B0205
Enable position control
from HLG bypass
KK
P440 (1)
Src.Diameter factor
K
P454.2 (4)
Src. n(max,REVSpeed)
K
P454.1 (2)
Src.n(max,FWDSpeed)

Table of Contents

Other manuals for Siemens simovert masterdrives

Related product manuals