EasyManua.ls Logo

Sony CCD-TRV32 - Audio System Adjustment; Ee-Output Level Check

Sony CCD-TRV32
212 pages
Print Icon
To Next Page IconTo Next Page
To Next Page IconTo Next Page
To Previous Page IconTo Previous Page
To Previous Page IconTo Previous Page
Loading...
6-76
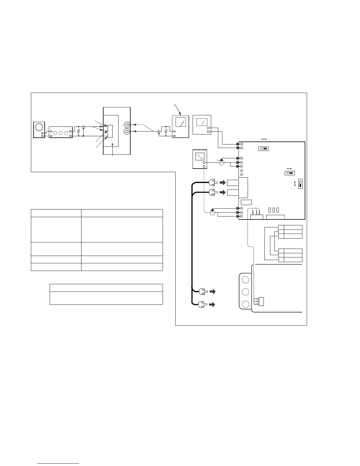
Fig. 6-4-1
6-4. AUDIO SYSTEM ADJUSTMENT
The right channel (STEREO) adjustment is performed in
STEREO MODEL only.
Use the alignment tape for audio system adjustment.
Connect an audio input signal from VC-188 board CN501 as
shown in Fig.6-4-1.
4-1. EE-OUTPUT LEVEL CHECK
Mode Record
signal CN501 pin 4 INPUT (Left)
CN501 pin 2 INPUT (Right)
400 Hz, –38 dBs
Audio input from CN501 pin 4, 2
Measurement Point AUDIO output terminal (Left/Right)
(no load)
Measuring Instrument Audio level meter
Specification Value –7.5 ± 2.0dBs
Check procedure:
Order Procedure
1 Check that 400 Hz signal level satisfies the
specification.
Alignment tape
MONO model WR5-5CSP : PAL
WR5-5NSP : NTSC
STEREO WR5-9CS : PAL
WR5-9NS : NTSC
Audio
transmitter
Attenuater
600
Pin4
Pin2
Pin3
VC-188 board
CN501
VIDEO CAMERA
RECODER
Audio level meter or
distortion meter
AUDIO output
terminal
47k
When connecting AFM DEV jig
Stabilized power supply
(+7Vdc to +9Vdc)
TP27
(GND)
T28(DC)
INV
SIN
S3
A
B
AFM DEV jig
(J-6082-312-A)
Oscilloscope
CH1
CH2
TP33(GND)
TP32(R OUT 1)B
TP31(L OUT 1)A
TP30(R OUT 2)
TP29(L OUT 2)
S2
PAL
NT
S1
ST
BIL
Red
White
J1(R)
J2(L)
J3
TP1(GND)
TP2(R OUT)B
TP3(L OUT)A
CN2
4
67
CN1
CN2
4 RF SWP
6 REC RF
7 RF GND
CN102
2 REC 2
3 GND
8 RF SWP
VC-188 BOARD
CN102
White
Red
AUDIO L
terminal
AUDIO R
terminal
A : 1.5MHz deviation adjustment
B : 1.7MHz deviation adjustment
2
3
8
L
R
L
R
+

Table of Contents

Related product manuals