EasyManua.ls Logo

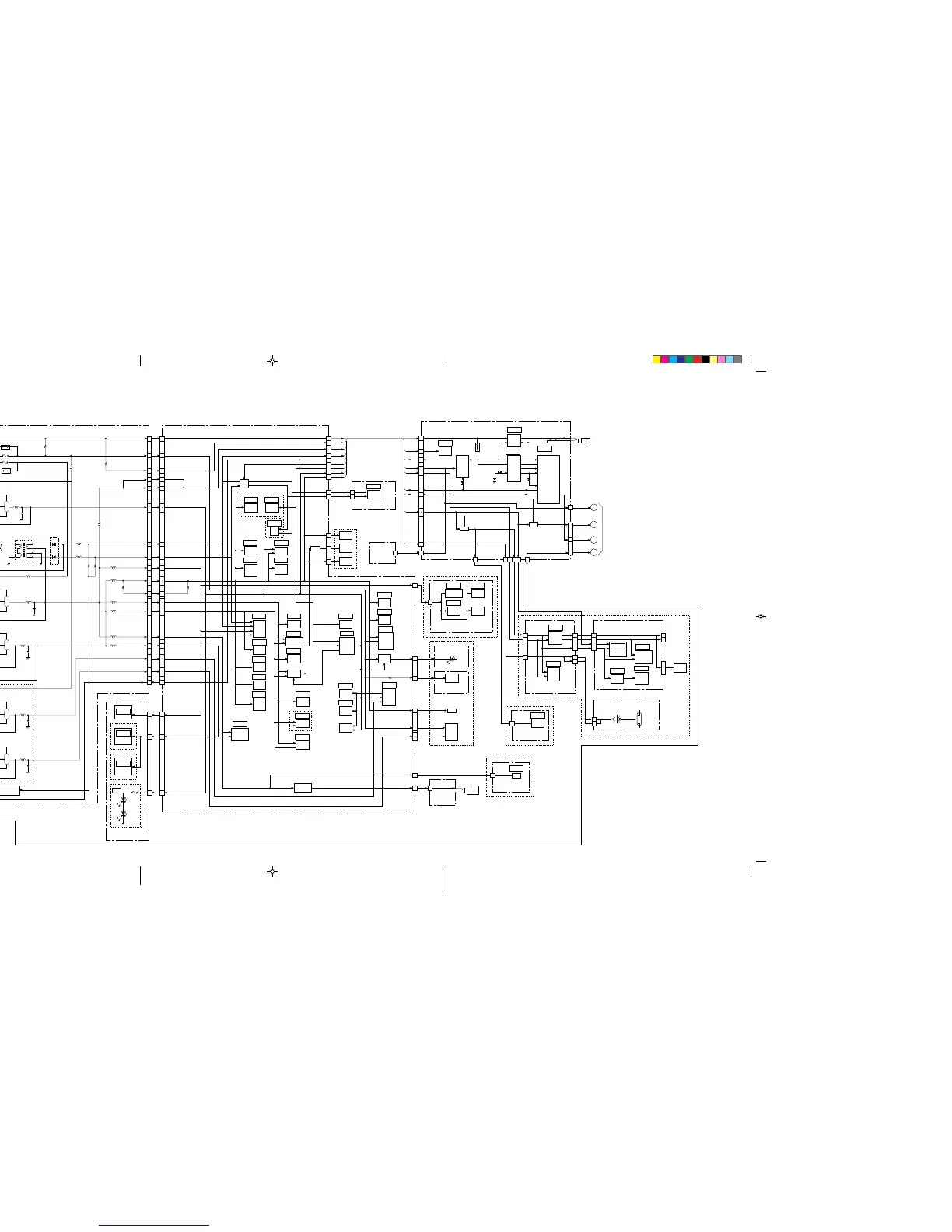
Sony CCD-TRV32 - Power (1) Block Diagram

Sony CCD-TRV32
212 pages
Print Icon
To Next Page IconTo Next Page
To Next Page IconTo Next Page
To Previous Page IconTo Previous Page
To Previous Page IconTo Previous Page
Loading...
CCD-TRV32/TRV34/TRV34PK/TRV44/TRV52/TRV53/TRV312/TRV512(NTSC)
CCD-TRV14E/TRV24E/TRV44E(PAL)
3-13.POWER (1) BLOCK DIAGRAM
3-31 3-32 3-33
L014
L018
L017
L012
L010
R040
SE-60 BOARD(1/2)
FP-355 BOARD
FP-249 BOARD
B-MECHA
CHASSIS
JK-154/155
BOARD
TAPE
LED
FG
S/T
REEL
CAP
MOTOR
DRIVE
+
BATT
BH001
(SEE PAGE 4-79)
F004
PS004
PS003
F003
SWITCHIG
DRIVE
(1)
IC001
DC/DC CONV.
28 43
42
44
45
46
41
27
31
1
2
4
5
.
3
40
39
+
DD-94 BOARD
L008
Q004
SWITCHING
T001
1
Q003
SWITCHING
VCC
F001
V REF
V REF
VCC1,3
SWITCHIG
DRIVE
(3)
52
54
55
56
34
VCC2,4
51
33
32
35
SWITCHIG
DRIVE
(2)
47
48
49
50
38
37
36
SWITCHIG
DRIVE
(4)
SW
MOS GATE
62
59
58
57
60
18
63
VCC5,6
19
20
SWITCHIG
DRIVE
(5)
3
2
1
64
14
16
17
21
22
23
RT
CT
SCP
13
29
30
CN005
SWITCHIG
DRIVE
(6)
EMERGENCY
DET
7
6
5
4
9
16
11
12
24
26
MOS DUTY
SOFT DUTY
STBY B
LCD UNREG
COMP
STANBY
1
2
4
5
.
3
+
L007
1
2
4
5
.
3
+
L009
Q007
SERVO
BLOCK
L015
L002
6
4
5
3
2
L004
1
2
4
5
.
3
+
L006
1
2
4
5
.
3
+
L005
Q008
SW
Q010,12
Q002
SWITCHING
Q001
SWITCHING
Q005
SWITCHING
Q006
SWITCHING
37
38
36
26
25
35
18
17
15
16
VTR UNREG
CN003
CN302
MT UNREG
EVF UNREG
EVF 5V
EVF 5V
VTR UNREG VTR UNREG
CN301
VTR UNREG
EVF UNREG
MT UNREG
EVF UNREG
EVF 5V
EVF 5V
EVF 5V
VTR DD ON
CAM DD ON
CAM 15V
CN601
EVR 3V
DIG 3V
MT 5V
CAM 7.5V
EVF 15V
MT 5V
L016
D001
CAM 15V
CAM 7.5V
DIG 3V
DIG 5V
DIG 3V
DIG 3V
R302
DIG 5V
DIG 3V
VIDEO 5V
VIDEO 3V
L013
VIDEO 5V
VIDEO 3V
VIDEO 3V
L011
AUDIO 3V
AUDIO 5V
DRUM VS
CAP VS
VTR DD ON
AUDIO 3V
DRUM VS
CAP VS
VTR DD ON
R041
7
8
6
21
22
37
38
36
18
17
15
16
7
8
6
21
22
29
30
13
14
11
12
10
27
28
_
MT 5V
CAM 15V
CAM 7.5V
_
7
MA-296/297 BOARD
IC953
SIRCS
IC707
ZOOM
PROC
IC708
VISTA
IC709
VCO
IRIS
MOTOR
CCD
IMAGER
FOCUS
SENSOR
ZOOM
SENSOR
SW
SW
LD DIG 3V
TMP COM
SENSE
PAL
MODEL
SE650,SE651
(SEE PAGE 4-87)
LENS BLOCK
DIGITAL ZOOM MODEL
SW
Q703-706
STEREO MODEL
MONO MODEL
F951
MT 5V
D955
D956
IR MODEL
(SEE PAGE 4-51)
11
5
10
AU 3V
VCC
CN951 CN501
DIG 5V
AUDIO 3V
IC951
MIC
AMP
IC952
MIC
AMP
IR
26
25
35
29
30
13
14
11
12
10
27
28
11
5
10
IC601
IRIS
SENSOR
AMP
IC603
MOTOR
DRIVE
IC602
HALL
BIAS
CONT
IC604
MOTOR
PRE
DRIVE
IC652
DISCHARGE
STEADY SHOT MODEL
IC650
L.P.F
CN702
DIG 5V
CN650
3
3
IC651
BUFFER
/AMP
PITCH
/YAW
SENSOR
(SEE PAGE 4-13,17,21,25,29,33,35,37)
VC-188 BOARD
24
_
33
35
36
34
29
13
10
13
10
8
18
22
28
23
30
15
IC702
TIMING
GEN.
IC404
LOADING
MOTOR
DRIVE
IC703
S/H
AGC
IC400
SERVO/
SYSTEM
CONTROL
IC403
DRUM
MOTOR
DRIVE
IC405
BUFF
LENS RESET LED
EVR 3V
IC706
DIGITAL
CAMERA
CORE
IC704
AD
CONV.
IC401
IC852
EEP
ROM
IC402
ATF
IC302
D/A
CONV.
IC705
AFD
IC501
AFM 
PROCESS
IC101
REC/PB
AMP
PB 5V
VA PB MODE
IC201
Y/C
PROCESS
IC202
IC205
BUFF
IC901
IC001
CRT
DRIVE
B/W EVF MODEL
Q212-214
PB 5V
SW
Q401
CN402
(SEE PAGE 4-25)
(SEE PAGE 4-54)
TAPE LED(K)
DIG 3V
DIG 3V
DC OUT
IR VCC
CAP VS
MT UNREG
MT UNREG
MT 5V
CAPSTAN
LED
REG
Q304,305
Q301,302
CURRENT
LIMITER
CG
MIX
IC570
PAL
JOG
PAL
ONLY
J060
RFU
DC OUT
6
CN060
CN303
CN304
CN401
(SEE PAGE 4-43)
LB-49 BOARD
VF-102 BOARD
9
10
BL801
CN801
T801
(SEE PAGE 4-74)
(SEE PAGE 4-77)
VF-109 BOARD
EVF 4.9V
EVF 5V
EVF 4.9V
CN901
EVF 15V
13.5V
12V
13.5V/
12V
REG
IC851
INV.
DC/AC
CONV
7
8
5
1
5
2
16
12
5
15
10
9
CN851
CN851
CN852
CN701
COLOR EVF MODEL
EVF UNREG
(SEE PAGE 4-72)
IR-28 BOARD
2
IR
IR MODEL
IR VCC
CN001
6
CN703
4
CN702
VF-110 BOARD(1/2)
(SEE PAGE 4-69)
IC702
D/A
CONV.
IC701
IC704
PGB
DECODER
IC703
FILTER
LCD
PANEL
TEST
CONNECT
LCD
TIMING
GEN.
9
16
5
LD
SW
IC303
CG
IC304
SW
9
13
10
7
8
2
3
9
CD-164/165 BOARD
CN401
(SEE PAGE 4-40)
IC401
IC403
CF-45/46 BOARD
Q403,404
SW
Q405,406
Q409,411
LANC
I/O
IC401
INTAL
RESET
DH401
BATT
IC402
POWER
CONT.
31
16
123
7
512
22
18
17
11
10
13
12
23
D410
EVR 3V
MT 5V
CN402
DIG 3V
CN403
CN404
CN407
P UNREG
EVF 15V
VTR DD ON
CAM DD ON
EVF 5V
EVF UNREG
(SEE PAGE 4-63)
VCC
LANC
J401
MODE CONT
LI PREEND
RESET
BATT
MV RESET
EVF ON
D3.1V
A
CN405
CN406
(NEXT PAGE)
D4.9V
BL ON
BL ON
1
CN401
1
MF-7800
BLOCK
6
CN001
(SEE PAGE4-118)
DIG 3V
7
6
2
3
HP/SP
AMP
IC404
B
C
D
PS001

Table of Contents

Related product manuals