EasyManua.ls Logo

Sony CCD-TRV32 - Camera 2) Schematic Diagram

Sony CCD-TRV32
212 pages
Print Icon
To Next Page IconTo Next Page
To Next Page IconTo Next Page
To Previous Page IconTo Previous Page
To Previous Page IconTo Previous Page
Loading...
CCD-TRV32/TRV34/TRV34PK/TRV44/TRV52/TRV53/TRV312/TRV512(NTSC)
CCD-TRV14E/TRV24E/TRV44E(PAL)
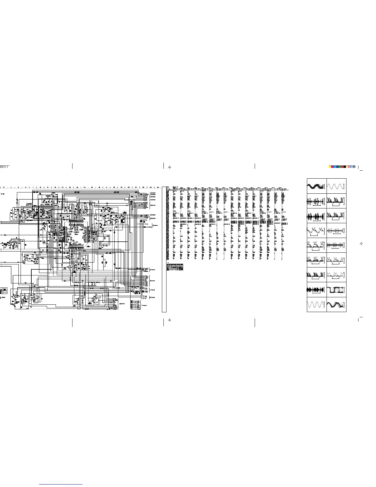
VC-188 (CAMERA 2) SCHEMATIC DIAGRAM
— Ref. No. VC-188 Board; 1,000 Series —
4-17 4-18 4-19 4-20
CAMERA 2
VC-188 (2/8)
VC-188
BOARD
(2/8)
!•
IC201 PB
IC201 REC
%™
IC201 PB
%™
50nsec/div
IC201 REC/PB
@•
IC201 !∞ PB
IC201 PB
IC201 !∞ REC
@™
IC201 REC
IC201 , REC
0.5Vp-p
H
IC201 REC
IC201 PB
#™
IC201 , PB
0.5Vp-p
H
4.43MHz (PAL)
3.58MHz (NTSC)
IC201 #• REC
IC201 #• PB
@∞
IC201 REC
IC201 REC
IC201 REC/PB
#∞
IC201 PB
0.2Vp-p
280mVp-p
H
0.3Vp-p
H
550mVp-p
H
0.7Vp-p
H
2.4Vp-p
H
0.4Vp-p
H
0.5Vp-p
4.43MHz (PAL)
3.58MHz (NTSC)
0.4Vp-p
0.7Vp-p
H
0.6Vp-p
H
0.4Vp-p
H
0.6Vp-p
H
2.5Vp-p
H
0.5Vp-p
50nsec/div
0.5Vp-p
50nsec/div
• See page 4-5 for VC-188 BOARD printed wiring board.

Table of Contents

Related product manuals