EasyManua.ls Logo

Sony CCD-TRV32 - System Control Block Diagram

Sony CCD-TRV32
212 pages
Print Icon
To Next Page IconTo Next Page
To Next Page IconTo Next Page
To Previous Page IconTo Previous Page
To Previous Page IconTo Previous Page
Loading...
CCD-TRV32/TRV34/TRV34PK/TRV44/TRV52/TRV53/TRV312/TRV512(NTSC)
CCD-TRV14E/TRV24E/TRV44E(PAL)
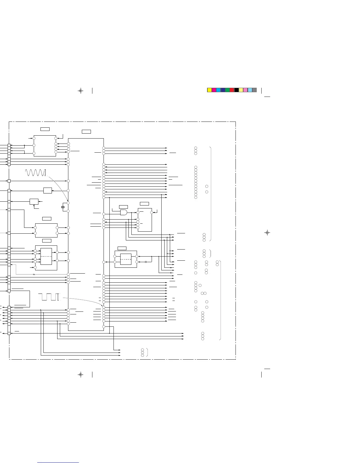
3-5. SYSTEM CONTROL BLOCK DIAGRAM
3-13 3-14
55
54
5
LOAD
UNLOAD
LM LIM CONT
LM LIM ON
DEW
T/E LED ON
TAPE END SENS
TAPE TOP SENS
60
59
S REEL FG
T REEL FG
MODE SW A
MODE SW B
MODE SW C
82
SYSTEM CONTROL
(MECHA CONTROL)
IC400
56
20
69
70
5
4
2
29
25
VCC2
MT 5V
DEC2
26
LIMIT IN
27
15
14
13
71
12
Q400
DEW
D001
MT UNREG
XTAL1
EXTAL1
40
41
LIMIT OUT
24
DEC1
63
FOCUS RESET SENS
ZOOM RESET SENS
65
49
TEMP
1
LENS RESET LED
22
CS LOGOS
46
CLR
25
CS AFOPD
64
VTR SYNC
FOCUS RESET SENS
ZOOM RESET SENS
TEMP
LENS RESET LED
VTR SYNC
2
AFD/PDR RESET
62
CAM VD
72
VA PB MODE
9
1
2
PBV
EVER 3V
DIG 3V
26
CS TG
CS LOGOS
CLR
CS AFOPD
AFD PDR RESET
CAM VD
CS TG
79
MMC SCK
77
MMC SI
21
CE EEPROM
91
EEPROM WE
61
CLOG DET
11
22
24
29
FE ON
78
MMC SO
64
VTR SYNC
23
CS LARK
3
JOG VD
24
CS DA
89
REC SP1
90
REC SP2
CS VISTA
CS VISTA
93
94
REC LP1
28
CS AU
95
REC LP2
97
RF SWP
35
V MUTE
32
7
4
JOG
LP/SP
LP PB
27
CS PDR
57
HALL AD
IRIS PWM
OUT1
VM
(1/4)
(1/2)
OUT2
LOADING
MOTOR DRIVE
MT
UNREG
IC404
MT 5V
8
CN403
LM(+)
LM( )
3
4
7
6
5
2
14
9
8
2
_
11.895MHz
X400
13
16
17
END OUT
14
TOP OUT
END IN
TAPE LED(K)
TAPE LED(A)
TAPE END(C)
TAPE TOP(C)
TOP IN
(2/4)
TAP TOP/END DET
LED
DRIVE
IC404
19
18
22
3
21
20
23
(3/4)
WAVE SHAPER
WAVE
SHAPER
WAVE
SHAPER
IC404
17
REEL HALL CONT
ME/MP
HI8 MP
REC PROOF
19
18
36
44
RESET
STBY/WAKE UP
MEC CS
MEC SO
42
45
MEC SI
HI SCK
43
53
38
S REEL( )
SENSOR VCC
DIG 3V
_
_
S REEL(+)
T REEL( )
T REEL(+)
DIG 3V
(1/2)
SP/LP
DET
CLOG
DET
IC402
IC405
31
CN301
22
18
20
19
21
16
16
40
17
HI SO
PB V
PB V
HI SCK
CC DOWN SW
CC DOWN SW
S001
S002
CC DOWN
MV RESET
MV STBY
CS MEC
HI SO
HI SCK
CC DOWN SW
MV RESET
MV STBY
CS MEC
HI SI
HI SI
19
21
23
66
71
5
7
39
51
1
65
69
IRIS PWM IC601
IC602
IC604
CN601
Q603
CN601
CN601
IC706
IC706
IC706
IC705
IC705
9
TO/FROM
CAMERA
BLOCK
IC604
(SEE PAGE 3-7)
1
IC604
,
,
IC702
IC706
IC703
IC706
8
3
5
29
(SEE PAGE 3-15)
6
TO/FROM
MODE CONT
BLOCK
CN402
CN402
CN402
CN402
CN402
CN402
CN402
28
24
27
26
CN402
30
25
Q401
LED
REG
CS PDR
HALL AD
VA PB MODE
PBV
DO
CS
RST
4
4
1
3
2
8
VCC
SCK
DI
EEPROM
IC401
6
MEC SCK
67
68
70
IC706
IC703
IC706
MEC SO
MEC SI
MEC SCK
19
TO
SERVO
BLOCK
TO/FROM
VIDEO
BLOCK
20
31
IC402
IC402
IC402
MEC SO
(SEE PAGE 3-28)
PB RF
MEC SCK
64
63
20
IC201
IC201
2
1
IC302
IC302
IC501
MEC SO
MEC SI
VA PB MODE
17
Q213,Q222
IC101
Q107
Q229
,
,
,
59
60
IC501
IC501
,
,
21
IC570
,
22
IC501
,
,
,
PB RF
FE ON
IC302
IC201
IC201
28 29
62
3
IC201
Q217
Q217
33
Q221
IC101
22
LP/SP
LP PB
IC101
21
IC302
30
20
IC302
6
,
,
,
,
IC101
27
IC101
25
IC101
24
IC101
23
IC303
19
IC303
1
IC303
3
IC501
Q108
Q109
58
Q110
Q111
8
V OUT MUTE V OUT MUTE
VTR SYNC
CS LARK
JOG VD
CS DA
V MUTE
JOG
REC SP1
REC SP2
REC LP1
HI SCK
HI SO
PBV
CS AU
REC LP2
RF SWP
3
7
15
6
ME/MP
HALL COM
HI8 MP
REC PROOF
ME/MP
HI8 MP
REC PROOF
IC708
IC708
IC708
27
28
TO
CAMERA
BLOCK
39
MV RESET
MV STBY
VC-188 BOARD
4
13
H
Q001
TAPE TOP
SENSOR
TAPE END
SENSOR
TAPE
LED
H001
S REEL
SENSOR
H002
T REEL
SENSOR
5
11
12
10
H
Q002
FP-249
BOARD
FP-356
BOARD
FP-355
BOARD
FP-220 BOARD
A
B
C
S901
MODE SW
M
M903
LOADING
MOTOR
FP-248
BOARD
DEW
SENSOR
(SEE PAGE 4-25)
(SEE PAGE 4-25)
B-MECHA CHASSIS
CN401
CN402
22
IC570
,
IC400 REC/PB
3Vp-p
25Hz (PAL)
30Hz (NTSC)
IC400 REC/PB
11.895MHz (PAL)
11.718MHz (NTSC)
2.2Vp-p
(SEE PAGE 3-7)
(SEE PAGE 3-10)

Table of Contents

Related product manuals