CCD-TRV32/TRV34/TRV34PK/TRV44/TRV52/TRV53/TRV312/TRV512(NTSC)
CCD-TRV14E/TRV24E/TRV44E(PAL)
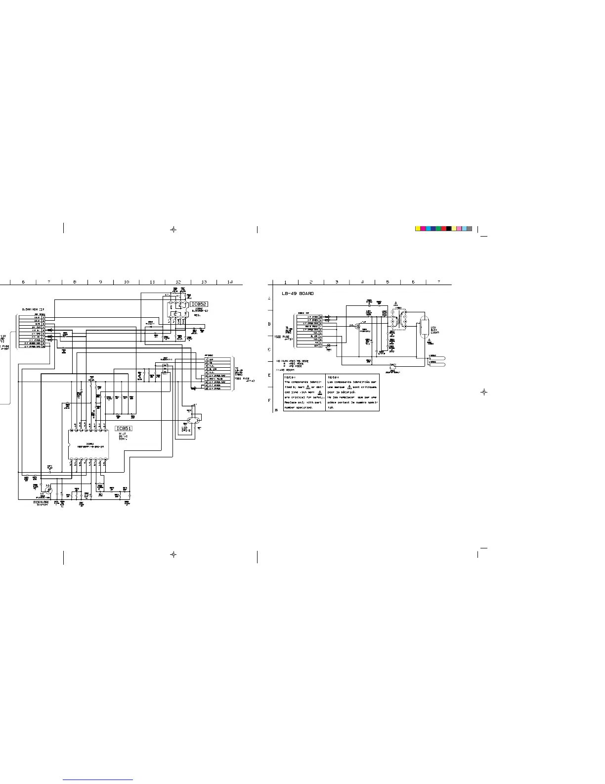
VF-109 (H AFC), LB-49 (BACK LIGHT) SCHEMATIC DIAGRAMS
— Ref. No. VF-109 Board, LB-49 Board; 4,000 Series —
4-72 4-73 4-74
H AFC
VF-109
BACK LIGHT
LB-49
/
COLOR EVF MODEL
• See page 4-66 for VF-109 BOARD printed wiring board.