EasyManua.ls Logo

Sony CCD-TRV32 - Evf Block Diagram

Sony CCD-TRV32
212 pages
Print Icon
To Next Page IconTo Next Page
To Next Page IconTo Next Page
To Previous Page IconTo Previous Page
To Previous Page IconTo Previous Page
Loading...
CCD-TRV32/TRV34/TRV34PK/TRV44/TRV52/TRV53/TRV312/TRV512(NTSC)
CCD-TRV14E/TRV24E/TRV44E(PAL)
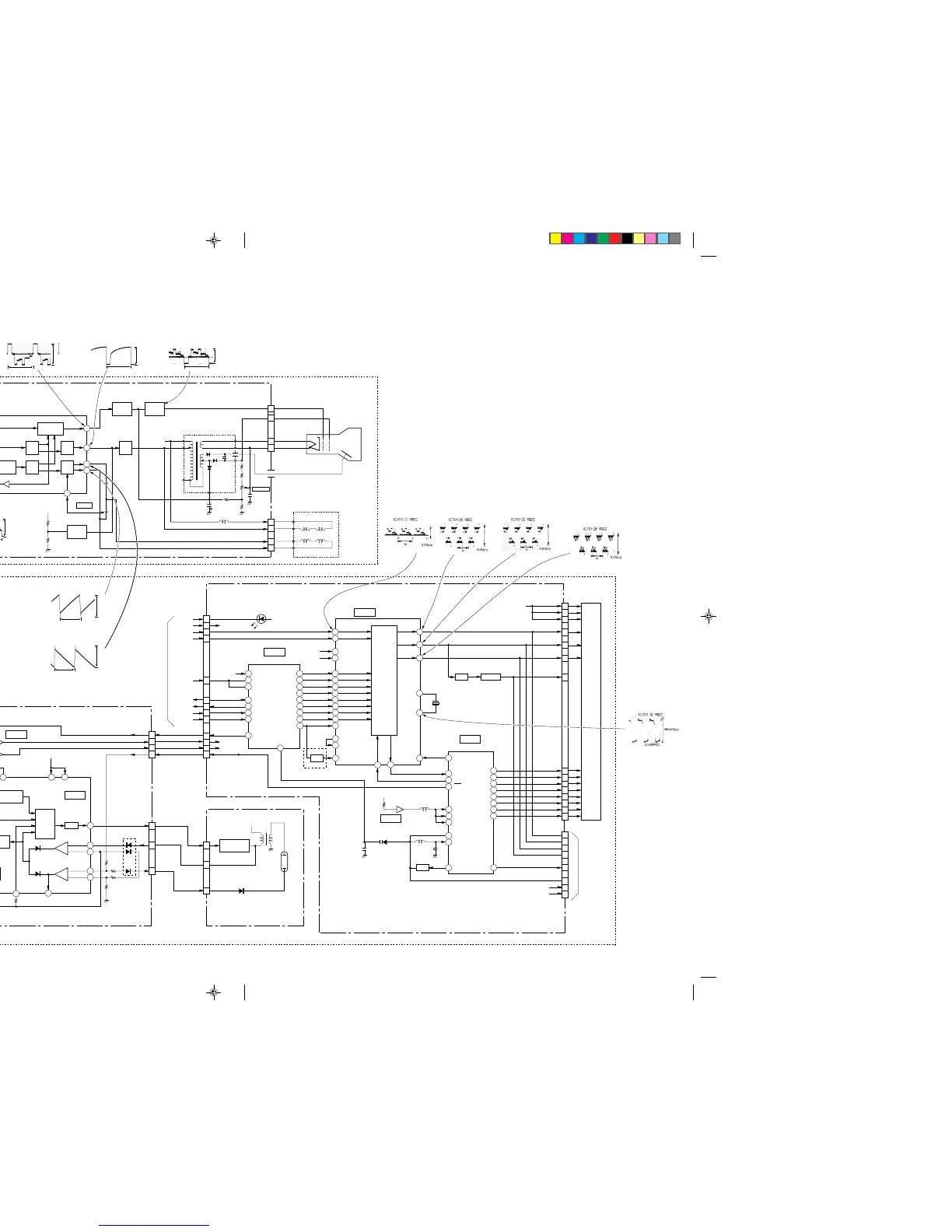
3-7. EVF BLOCK DIAGRAM
3-17 3-18
14
15
4
20
2
1
5
6
1
8
17
18
19
10
13
7
COLOR
BRIGHT
CONTRAST
PAL MODEL
SUB BRT R
SUB BRT B
TALLY
EVF 4.9V
EVF Y
EVF C
DI
DO
LD
EVR CLK
D 5V
(SEE PAGE 3-15)
VDD
CLK
INV CUR
SUB CONT B
11
GAMMA
3
HUE/BCL
VCO
9
27
6
32
28
42
35
30
13
2
38
7
34
SUB CONT R
COLOR
BRIGHT
43
VCC1
VCC2
EVF 4.9V
Q703
12V
(SEE PAGE 4-69)
CONTRAST
SUB BRT R
SUB BRT B
SUB CONT B
GAMMA 1
TINT
SYNC SEP
H FIL OUT
BURST OUT
SYNC IN
SYNC OUT
R.G.B
DECODER
3.58MHz(NT)
4.43MHz(PAL)
SUB CONT R
SEC
DO
DI
LD
VCC
RGB
DECODER
IC701
D/A CONV.
SW
IC702
VCO1
X901
VCO0
Q702
3
5
VIDEO
C IN
LPF
BUFFER
20
22
24
R
G
B
29
14
16
EVF 4.9V
13.5V
EVF 4.9V
D701
(TALLY)
12V
25
CN701
9
12
10
13
15
16
14
5
1
4
3
2
VDD
3.2V
4
REG
1
VDD
SCLK
FRP
HCK2
HST1
VCK1
VCK2
VST1
EN
CLR
CN902
SLYT
HCK1
HCK2
HST1
VCK1
VCK2
VST1
EN
CLR
HCK1
LCD TIMING GEN.
SYNC
EVF 4.9V
HB
CLP
CK1
CK0
24
23
22
21
20
18
17
16
37
19
1
43
28
RPD
39
27
36
36
37
35
42
41
IC704
IC703
LPF
4
13
7
8
9
10
11
12
2
V REF
2.5V
15
3
14
TRIANGLE
OSC
DISCHARGE
SW
FROM
MODE CONT
BLOCK
CN404
PWH
COMP
SCP
PRO DET
CURRENT
ERR AMP
SCP
COMP
1
5
VCC1 VCC2
CB
SYNC
CT
+
+
OUT
D852
CN853
2
4
7
2
4
7
2
3
1
4
CN851
EVF 15V
EVF 15V
EVF UNREG
EVF 15V
(SEE PAGE 3-15)
(SEE PAGE 4-72)
EVF 4.9V
EVF 4.9V
CN851
EVF UNREG
16
IC851
DC/AC CONV
IC852
REG
Q853
VF-110 BOARD
ND801
BACK LIGHT
CN801
T801
Q801
EVF
UNREG
LB-49 BOARD
(SEE PAGE 4-74)
SWITCHING
5
7
8
VF-109 BOARD
SYNC
13.5V
INV CUR
12V
SLYT
PCO
13.5V
12V
16
6
7
11
10
9
5
4
3
8
1
9
10
6
4
7
3
TEST
CONNECT
14
8
12
15
1
RGT
CN703
COLOR EVF MODEL
H VDD
V VDD
13.5V
13
COLOR
LCD
TO/FROM
MODE CONT
BLOCK
CN404
V SYNC
SEP
V
OSC
H
OSC
H
DRIV
V
OUT
H
OUT
VIDEO
MIX AMP
VIDEO
AMP
SYNC
SEP
VF-102 BOARD
B/W EVF MODEL
9
5
3
1
EVF 4.7V
Q901
RV905
V SIZE
Q902
13
16
11
AFC VIDEO AMP
(SEE PAGE 4-77)
(SEE PAGE 3-15)
Q903
EVF VIDEO
EVF Y
CG H
CN901
TALLY
TALLY
EVF 4.7VEVF 4.7V
D901
(TALLY)
IC901
4
1
3
5
VIDEO
OUT
Q904
EVF 4.7V
T901 FBT
HOLD
DOWN
4
1
2
3
DH2
DV1
DV2
DH1
HLC
DY ASSY
CN902
RV904
BRIGHT
5
2
3
1
CRT
G1
H
H
H
H
A
G2
G1
W901
G2
TO/FROM
MODE CONT
BLOCK
CN403
R OUT
G OUT
B OUT
COM
R OUT
G OUT
B OUT
LC COM
6
Q904 E
10Vp-p
H
1
IC901 3 REC/PB
2Vp-p
V
4
IC901 REC/PB
2.5Vp-p
H
5
IC901 REC/PB
2.3Vp-p
H
2
IC901 5 REC/PB
2.0Vp-p
V
3
IC901 REC/PB
1.0Vp-p
H

Table of Contents

Related product manuals