EasyManua.ls Logo

Sony CCD-TRV32 - Lcd) Schematic Diagram

Sony CCD-TRV32
212 pages
Print Icon
To Next Page IconTo Next Page
To Next Page IconTo Next Page
To Previous Page IconTo Previous Page
To Previous Page IconTo Previous Page
Loading...
CCD-TRV32/TRV34/TRV34PK/TRV44/TRV52/TRV53/TRV312/TRV512(NTSC)
CCD-TRV14E/TRV24E/TRV44E(PAL)
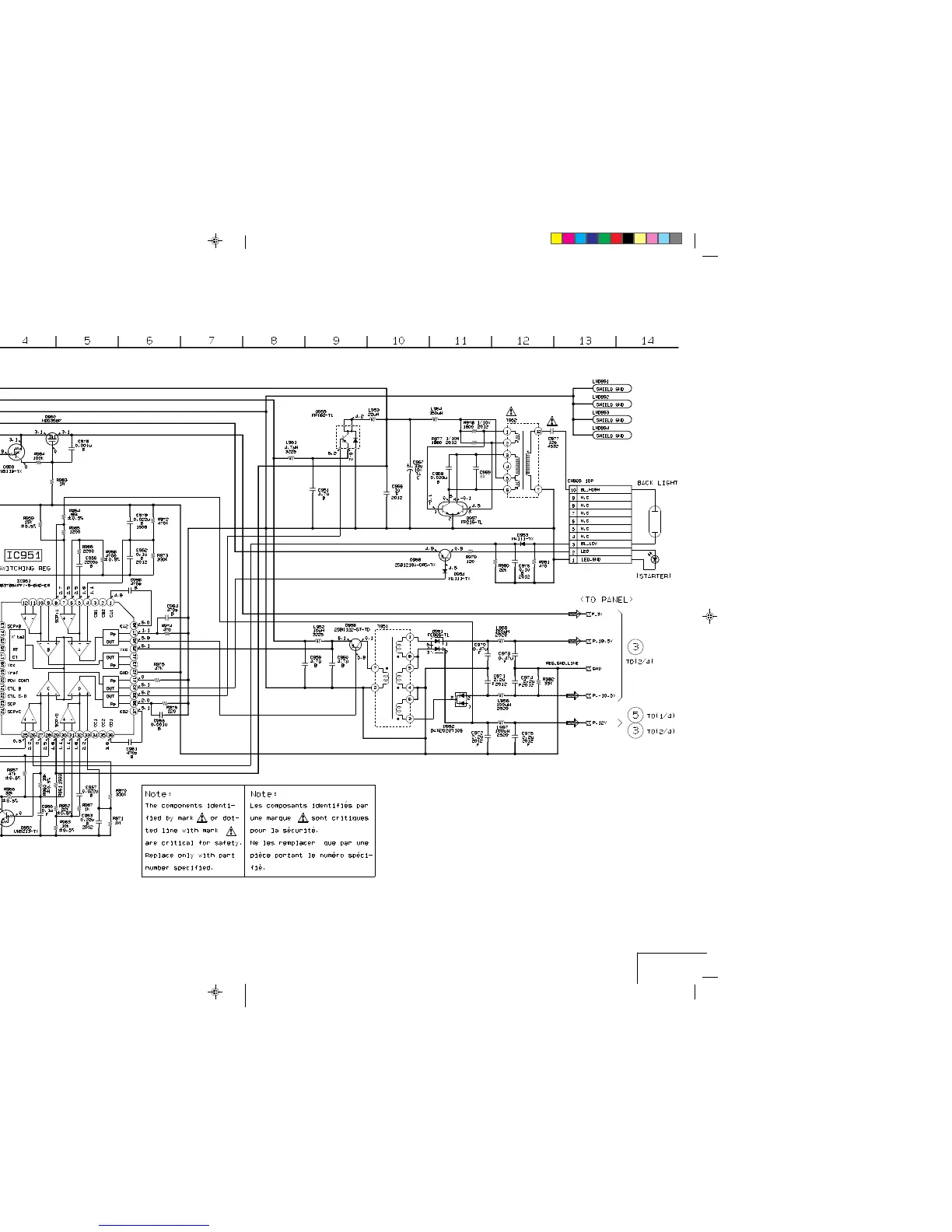
PD-76 (LCD) SCHEMATIC DIAGRAM
— Ref. No. PD-76 Board; 8,000 Series —
• See page 4-89 for PD-76 BOARD printed wiring board.
4-97 4-98
LCD
PD-76 (3/4)

Table of Contents

Related product manuals