EasyManua.ls Logo

Sony CCD-TRV32 - Overall (2) Block Diagram

Sony CCD-TRV32
212 pages
Print Icon
To Next Page IconTo Next Page
To Next Page IconTo Next Page
To Previous Page IconTo Previous Page
To Previous Page IconTo Previous Page
Loading...
CCD-TRV32/TRV34/TRV34PK/TRV44/TRV52/TRV53/TRV312/TRV512(NTSC)
CCD-TRV14E/TRV24E/TRV44E(PAL)
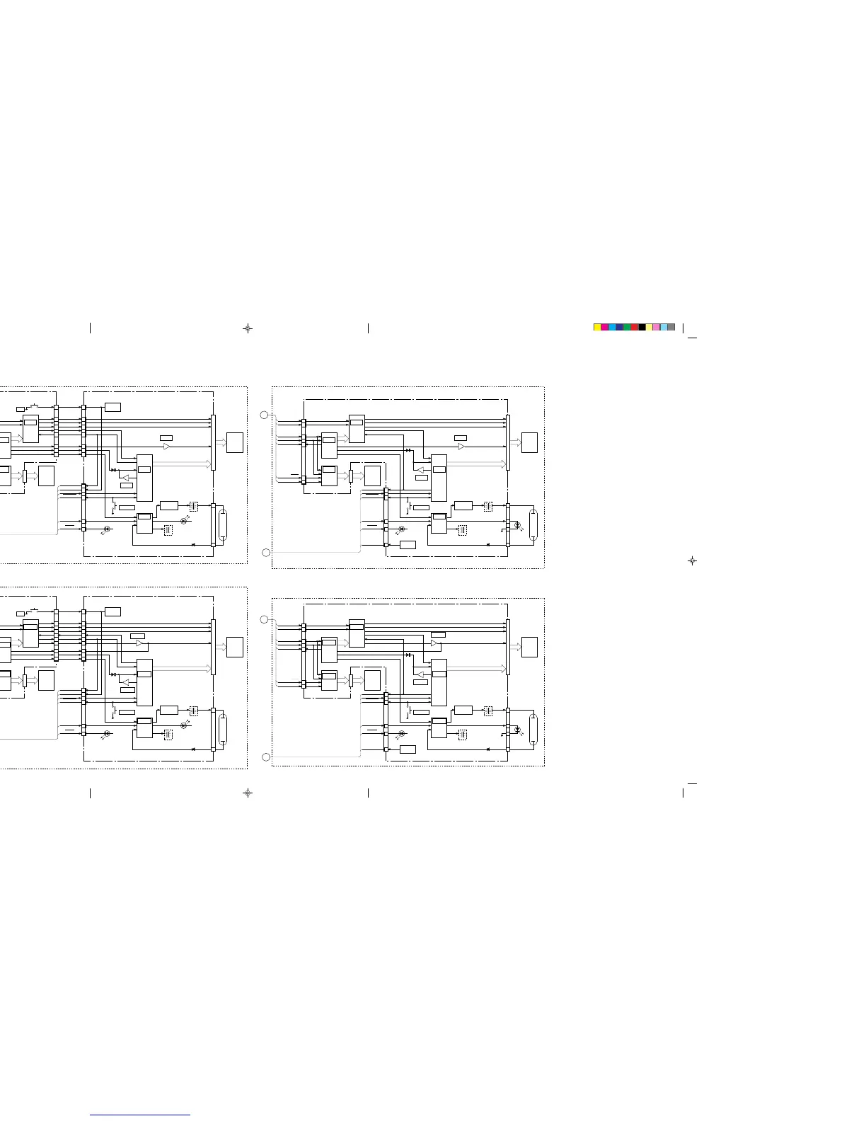
3-2. OVERALL (2) BLOCK DIAGRAM
3-4 3-5 3-6
9
10
4
3
6
1
2
LCD CONT
EEPROM
IC802
1
|
20
DISPLAY
LCD
RGB
DECODER
IC801
6
5
4
10
11
13
12
15
AE
S991
16
CN806
6
5
4
10
11
13
12
15
16
KEY AD
VR
VG
VB
SYNC
HDB
V COM
VCO
BL CONT
IC900
CN808
CN801
TRV24E MODEL
TRV44/TRV52/TRV512/TRV44E MODEL
TRV14E MODEL
TRV32/TRV34/TRV53/TRV312 MODEL
(SEE PAGE 3-3)
(SEE PAGES 4-121,125)
(SEE PAGES 4-115,119)
(SEE PAGES 4-137,141)
(SEE PAGES 4-131,135)
(SEE PAGE 3-3)
(SEE PAGE 3-3)
(SEE PAGE 3-3)
(SEE PAGE
3-3)
(SEE PAGE
3-3)
(SEE PAGE
3-3)
PANEL C
HI SCK
HI SO
HI SI
LCD COM/DATA
CS LCD
CN807
10
PANEL H
11
KEY AD4
8
REVERSE
9
MIRROR ON
2
BL ON
1
TALLY
D905
TALLY
REVERSE
S901
DD CONV
IC951
CN802
FUNCTION
KEY
S992-995
IC902
IC902
LCD CONT
IC901
D954
T951
DD TRANS
SWITCHING
Q955
LCD
PANEL
T952
INV TRANS
LOW
HIGH
10
3
D953
BACK
LIGHT
A
B
SD-24 BOARD PD-74 BOARD
CN803
CN951
9
10
4
3
6
1
2
LCD CONT
EEPROM
IC1802
1
|
20
DISPLAY
LCD
RGB
DECODER
IC1801
6
5
4
10
11
13
12
15
7
AE
S1991
16
CN1806
6
5
4
10
11
13
12
15
7
16
KEY AD
VR
VG
VB
SYNC
HSY
COM O
V COM
VCO
BL CONT
IC1900
CN1808
CN1801
PANEL Y
PANEL C
HI SCK
HI SO
HI SI
LCD COM/DATA
CS LCD
CN1807
10
PANEL H
11
KEY AD4
8
REVERSE
9
MIRROR ON
2
BL ON
1
TALLY
D1905
TALLY
REVERSE
S1901
DD CONV
IC1951
CN1802
FUNCTION
KEY
S1992-1995
IC1902
IC1902
LCD CONT
IC1901
D1954
T1951
DD TRANS
SWITCHING
Q1955
LCD
PANEL
T1952
INV TRANS
LOW
HIGH
10
3
D1953
BACK
LIGHT
A
B
SD-25 BOARD PD-75 BOARD
CN1803
CN1951
9
10
4
3
6
1
2
LCD CONT
EEPROM
IC802
1
|
20
DISPLAY
LCD
RGB
DECODER
IC801
IC900
CN808
CN801
(SEE PAGES 4-91,93,97,99)
(SEE PAGES 4-101,104,107,109)
PANEL Y
PANEL C
HI SCK
HI SO
HI SI
LCD COM/DATA
CS LCD
10
PANEL H
11
KEY AD4
8
REVERSE
9
MIRROR ON
2
BL ON
1
TALLY
D905
TALLY
REVERSE
S901
DD CONV
IC951
CN802
FUNCTION
KEY
S991-995
IC902
IC902
LCD CONT
IC901
T951
DD TRANS
SWITCHING
Q955
LCD
PANEL
T952
INV TRANS
LOW
HIGH
10
3
D953
BACK
LIGHT
A
B
PD-76 BOARD
CN803
CN805
2
1
9
10
4
3
6
1
2
LCD CONT
EEPROM
1
|
20
DISPLAY
LCD
RGB
DECODER
PANEL Y
PANEL C
HI SCK
HI SO
HI SI
LCD COM/DATA
CS LCD
10
PANEL H
11
KEY AD4
8
REVERSE
9
MIRROR ON
2
BL ON
1
TALLY
D1905
TALLY
REVERSE
S1901
DD CONV
FUNCTION
KEY
S1991-1995
LCD CONT
SWITCHING
LCD
PANEL
LOW
HIGH
10
3
D1953
BACK
LIGHT
A
B
PD-77 BOARD
2
1
IC1802
IC1801
IC1900
CN1808
CN1801
IC1951
CN1802
IC1902
IC1902
IC1901
T1951
DD TRANS
Q1955
T1952
INV TRANS
CN1803
CN1805
R
G
B
SYNC IN
SYNC OUT
V COM
VCO
BL CONT
R
G
B
SYNC IN
SYNC OUT
V COM
VCO
BL CONT
COM O
2.5 inch LCD (TYPE 1)
3.5 inch LCD (TYPE 4)
3.0 inch LCD (TYPE 3)
2.5 inch LCD (TYPE 2)
(SEE PAGE
3-3)

Table of Contents

Related product manuals