EasyManua.ls Logo

Sony CCD-TRV32 - Infrared Transmit Circuit Adjustment; (Ir Model); Preparations; Equipment Connection

Sony CCD-TRV32
212 pages
Print Icon
To Next Page IconTo Next Page
To Next Page IconTo Next Page
To Previous Page IconTo Previous Page
To Previous Page IconTo Previous Page
Loading...
6-81
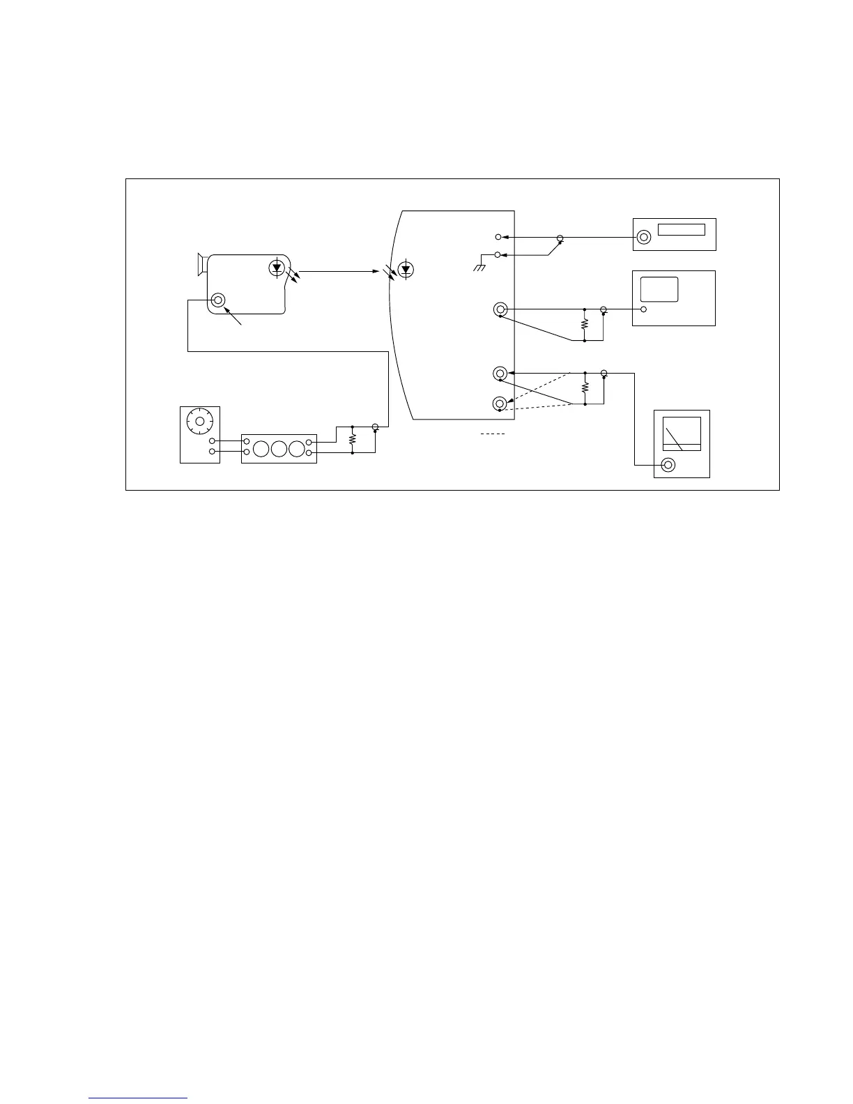
6-5. INFRARED TRANSMIT CIRCUIT
ADJUSTMENT (IR MODEL)
5-1. PREPARATIONS
1. Equipment connection
Resistors 75 : 1-247-804-11
270 : 1-249-410-11
330 : 1-249-411-11
47k : 1-249-437-11
2. Switch setting
IR switch (VC-188 board S308) ··············································· ON
This unit
EXT MIC terminal (L/R)
(IR)
Audio oscillator
Attenuater
600
(200 + 330)
Infra red receiver jig
(J-6082-383-A)
GND
VIDEO
OUT
AUDIO
OUT
L
R
75
47k
Oscilloscope
Frequency counter
Audio level meter
Use it in STEREO model.
TP607

Table of Contents

Related product manuals