CCD-TRV32/TRV34/TRV34PK/TRV44/TRV52/TRV53/TRV312/TRV512(NTSC)
CCD-TRV14E/TRV24E/TRV44E(PAL)
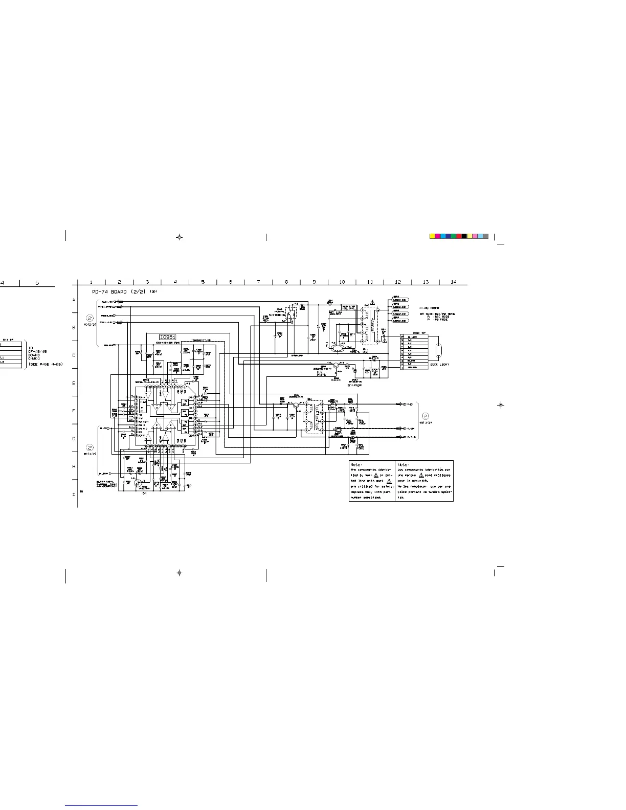
PD-74 (LCD DRIVER) SCHEMATIC DIAGRAM
— Ref. No. PD-74 Board; 8,000 Series —
4-119 4-120
LCD DRIVER
PD-74 (2/2)
• See page 4-113 for PD-74 BOARD printed wiring board.• Replaced are Blocks, so that there PRINTED WIRING BOARD are omitted.MF-7800 (FOCUS) SCHEMATIC DIAGRAM
4-118
FOCUS
MF-7800
/