EasyManua.ls Logo

Sony CCD-TRV32 - Lcd (A) Block Diagram

Sony CCD-TRV32
212 pages
Print Icon
To Next Page IconTo Next Page
To Next Page IconTo Next Page
To Previous Page IconTo Previous Page
To Previous Page IconTo Previous Page
Loading...
CCD-TRV32/TRV34/TRV34PK/TRV44/TRV52/TRV53/TRV312/TRV512(NTSC)
CCD-TRV14E/TRV24E/TRV44E(PAL)
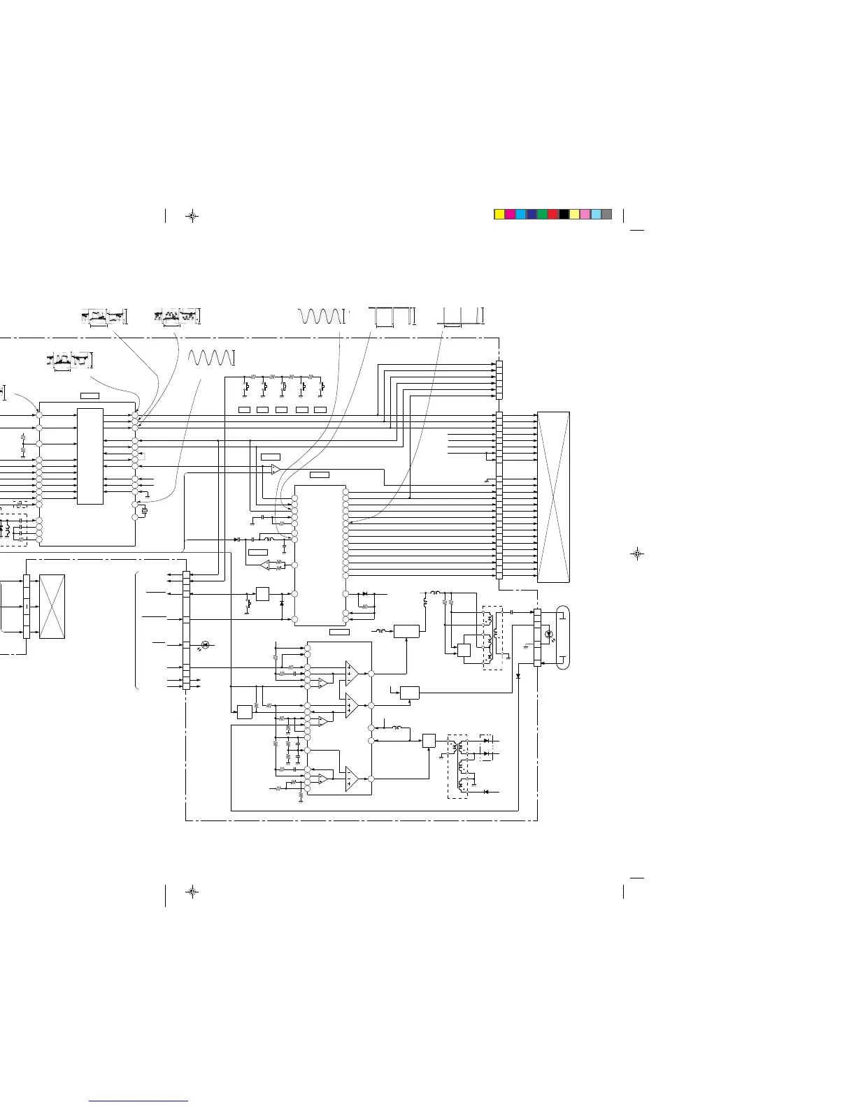
3-8. LCD (TYPE 4) BLOCK DIAGRAM
3-19 3-20
BUFFER
CONTRAST
CS/LD
P4.9V
BUFFER
EEPROM
IC802
BUFFERBUFFER
R.G.B
DECODER
P4.9V
P12V
V COM
VCO
BL CONT
X801
3.58MHz
(NTSC)
4.43MHz
(PAL)
IC900
12
15
17
32
IC801
IC902 (1/2)
IC902 (2/2)
IC901
PHO OUT
RIGHT
DD CONV
IC951
8
7
6
5
4
19
24
26
25
27
28
DRIVE
LED
SWITCHING
9
10
6
3
4
5
7
13
17
20
19
18
14
1
4
5
2
6
9
3
8
7
12
1
2
9
8
11
10
7
7
13
35
34
42
6
28
27
32
16
14
18
25
43
29
2
38
37
36
24
22
20
48
5
3
10
11
1
8
9
2
3
6
46
18
45
46
30
19
11
8
33
1
2
27
26
16
24
15
14
13
12
1
2
3
4
7
6
24
22
23
1
3
2
26
4
10
13
12
20
9
7
6
5
19
15
14
10
2
3
1
•
2
20
•
19
3
18
29
22
33
32
31
30
39
40
45
CN801
PANEL Y
PANEL C
HI SI
HI SO
HI SCK
CS PANEL
D3.1V
LCD COM/DATA
CS LCD
Q802
P4.9V
P3V
SW
Q959,960
VCC
CLK
DI
DO
VDD
BRIGHT
BRT R
BRT B
COLOR
CON R
CON B
HUE/BCL
V COM
COM0
BL CONT
Q805
PAL
MODEL
LCD CONT
SI
COM3
SEG0-15
SEG15
CK
C/D
CS
VDDD3.1V
4
16
COM2,3
COM0,1
CN808
DISPLAY
LCD
VXO I
BURST OUT
TINT
SUB CON B
SUB CON R
COLOR
SUB BRT B
SUB BRT R
BRIGHT
PICTURE
C IN
VIDEO
CONTRAST
VEE
VXO O
VCC2
VCC1
FRP
SYNC SEP
SYNC OUT
SYNC IN
B
G
R
H FIL OUT
SP–
S992
AE
S991
SP+
S993
BRT–
S994
BRT+
S995
6
5
7
PHO IN
HDB
CSY
FRP
OSC I
OSC O
PO
DOWN
RIGHT
SRT2
17
SRT1
DOWN
GSRT
GPCK
GRES
MCLK
CLR
SCNT
POCB
VDD
VDD
32
23
21
20
43
CN804
LOW
VR
VR
VG
VB
HDB
SYNC
SRT
CHECK
CONNECT
CN803
LCD PANEL
VG
VB
VGH
VGL
VSH
V REF H
V REF L
V COM
GSRT
MODE 1
MODE 2
P12V
25
VDD
P3V
P18.5V
P–10.5V
GPCK
GRES
MCLK
CLR
OE
18
HCNT
46
SCNT
16
HSW
22
HCNT
17
RESET
48
HSW
8
OE
18
RESET
CN805
HIGH
LIGHT
BACK
INV TRANS
VCC
SW
Q957
6
5
3
2
7
1
12
INV
D953
TALLY
D901
PO
P3V
Q955
UNREG
PANEL
Q958,D954P4.9V
UNREG
SW
7
Q956
P18.5V
P-10.5V
P12V
T951
PANEL
2
4
6
3
5
8
1
D952
VCC
D
A
VCC
C
LCD CONTROL
SPC D
CTL LD
SPC C
VREF
SPC A
P12V
START
SW
Q952
TALLY
VCC
PANEL H
CN802
REVERSE
S901
SW
Q901
1
2
3
TALLY
VCC
KEY AD4
TALLY
REVERSE
MIRROR ON
BL ON
PANEL UNREG
P4.9V P4.9V
P UNREG
D905
PD-76 BOARD
TO/FROM
MODE
BLOCK
CONTROL
CF-46
BOARD
CN405
TO/FROM
MODE
BLOCK
CONTROL
CF-46
BOARD
CN406
15
SEL
10
SEG0
12
OSC1 OSC2
VCO
10
B-Y
7
BURST OUT
9
R-Y
12
C OUT
NTSC MODEL
P4.9V
SRT R
SRT L
D951
T952
1
(TRV44/TRV52/TRV512/TRV44E MODEL)
(SEE PAGE 3-15)
(SEE PAGE 3-15)
(SEE PAGES 4-91,93,97,99)
5
IC801 REC/PB
5.6Vp-p
H
2
IC801 REC/PB
560mVp-p
4.43MHz (PAL)
3.58MHz (NTSC)
4
IC801 @™ REC/PB
5.6Vp-p
H
3
IC801 REC/PB
5.6Vp-p
H
1
IC801 3 REC/PB
0.5Vp-p
H
8
IC901 REC/PB
2.4Vp-p
9.53MHz
IC901  REC/PB
3Vp-p
H
7
IC901 REC/PB
3Vp-p
H
3.5 inch LCD (TYPE 4)

Table of Contents

Related product manuals