EasyManua.ls Logo

Sony CCD-TRV32 - Main Section

Sony CCD-TRV32
212 pages
Print Icon
To Next Page IconTo Next Page
To Next Page IconTo Next Page
To Previous Page IconTo Previous Page
To Previous Page IconTo Previous Page
Loading...
5-6
Ref. No. Part No. Description Remarks Ref. No. Part No. Description Remarks
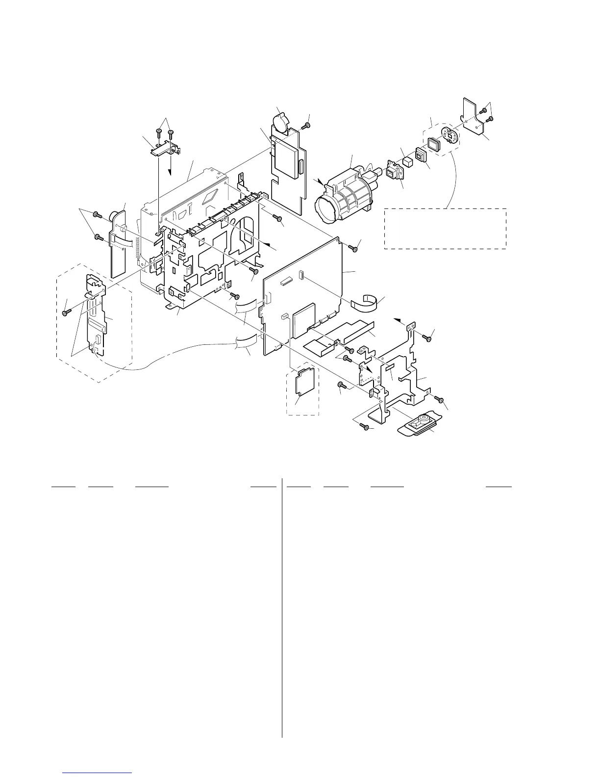
5-1-4. MAIN SECTION
b
c
154
161
159
151
152
CASSETTE
COMPARTMENT
BLOCK SECTION
(See page 5-11)
153
S003
154
154
163
165
164
IC401
166
167
154
154
158
160
157
154
154
154
156
154
170
168
not supplied
155
154
STEADY SHOT 
MODEL
a
a
*Be sure to read “Precautions for 
Replacement of CCD Imager ” on 
page 4-40 when changing the 
CCD imager.


b
IR MODEL
154
172
154
171
ZOOM LENS
BLOCK SECTION
(See page 5-10)
151 3-968-729-01 SCREW (M2), LOCK ACE, P2
152 A-7073-058-A JK-154 BOARD, COMPLETE (TRV14E/TRV24E)
152 A-7073-134-A JK-155 BOARD, COMPLETE
(TRV32/TRV53/TRV312/TRV512)
152 A-7073-162-A JK-155 BOARD, COMPLETE
(TRV34/TRV44/TRV52/TRV44E)
153 A-7093-269-A DD-94 BOARD, COMPLETE
(TRV14E/TRV24E/TRV44E)
153 A-7093-276-A DD-94 BOARD, COMPLETE
(TRV32/TRV34/TRV44/TRV52/TRV53/TRV312/TRV512)
154 3-713-786-21 SCREW (M2X3)
155 A-7093-268-A VC-188 BOARD, COMPLETE (TRV14E)
155 A-7093-275-A VC-188 BOARD, COMPLETE (TRV32/TRV312)
155 A-7093-272-A VC-188 BOARD, COMPLETE (TRV24E)
155 A-7093-280-A VC-188 BOARD, COMPLETE (TRV44E)
155 A-7093-283-A VC-188 BOARD, COMPLETE (TRV53)
155 A-7093-282-A VC-188 BOARD, COMPLETE (TRV52/TRV512)
155 A-7093-278-A VC-188 BOARD, COMPLETE (TRV34/TRV44)
156 1-782-155-11 CABLE, FLEXIBLE FLAT 16P
157 A-7073-091-A IR-28 BOARD, COMPLETE (TRV53)
158 1-665-151-11 FP-550 FLEXIBLE BOARD
* 159 3-975-367-01 FRAME, MD
160 1-665-150-11 FP-549 FLEXIBLE BOARD (EXCEPT TRV14E)
161 A-7073-145-A SE-60 BOARD, COMPLETE
(EXCEPT TRV14E/TRV53)
163 3-963-467-11 ADAPTOR (FH), CCD FITTING
164 1-547-787-41 FILTER BLOCK, OPTICAL (EXCEPT TRV14E)
164 1-547-924-41 FILTER BLOCK, OPTICAL (TRV14E)
165 3-961-192-01 RUBBER (FH), SEAL (EXCEPT TRV14E)
165 3-968-054-11 RUBBER (FM), SHIELD (TRV14E)
166 A-7073-057-A CD-164 BOARD, COMPLETE (TRV14E/TRV24E)
166 A-7073-133-A CD-165 BOARD, COMPLETE
(EXCEPT TRV14E/TRV24E)
167 3-318-203-11 SCREW (B1.7X6), TAPPING
168 3-965-871-01 SCREW, TRIPOD
169 X-3947-174-1 PLATE ASSY, REGURATION (TRV14E/TRV24E)
* 170 3-975-366-01 FRAME, LENS (TRV14E/TRV24E)
* 170 3-975-366-11 FRAME, LENS (EXCEPT TRV14E/TRV24E)
* 171 3-975-364-01 BRACKET, SHOE
172 3-976-740-01 SHEET, LENS
IC401 A-7030-638-A CCD BLOCK ASSY (MN37240FP)
(TRV32/TRV52/TRV53/TRV312/TRV512)
IC401 A-7030-779-A CCD BLOCK ASSY (ICX207AK-13)(TRV14E)
IC401 A-7030-782-A CCD BLOCK ASSY (ICX211AK-43)
(TRV24E/TRV44E)
IC401 A-7030-791-A CCD BLOCK ASSY (ICX209AK-43)
(TRV34/TRV44)
S003 1-762-441-21 SWITCH, ROTARY (ZOOM SW)

Table of Contents

Related product manuals