EasyManua.ls Logo

Sony CCD-TRV32 - Lcd (B) Block Diagram

Sony CCD-TRV32
212 pages
Print Icon
To Next Page IconTo Next Page
To Next Page IconTo Next Page
To Previous Page IconTo Previous Page
To Previous Page IconTo Previous Page
Loading...
CCD-TRV32/TRV34/TRV34PK/TRV44/TRV52/TRV53/TRV312/TRV512(NTSC)
CCD-TRV14E/TRV24E/TRV44E(PAL)
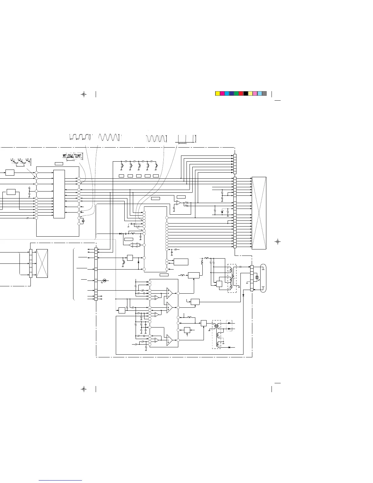
3-9. LCD (TYPE 3) BLOCK DIAGRAM
3-21 3-22
BUFFER
CONTRAST
CS/LD
P4.9V
BUFFER
EEPROM
IC1802
BUFFER
LPF
R.G.B
DECODER
P4.9V
P7.5V
X1801
IC1900
12
15
17
32
IC1801
IC1902 (1/2)
IC1902 (2/2)
IC1901
PHO OUT
DD CONV
IC1951
8
7
6
5
4
19
24
26
25
27
28
DRIVE
LED
SWITCHING
LPF & BUFFER
9
10
6
3
4
5
7
13
17
20
19
18
14
1
4
5
2
6
9
3
8
7
12
1
2
9
8
11
10
7
13
37
28
2
6
30
31
29
16
14
23
43
33
32
38
34
35
24
21
19
48
5
3
10
11
1
8
9
2
3
6
46
18
45
46
36
30
16
13
14
47
48
26
25
23
39
34
41
44
1
2
3
4
7
6
15
14
13
1
11
19
18
10
8
23
6
7
5
20
22
24
3
4
10
2
3
.
19
20
.
1
2
3
18
29
22
33
32
31
30
39
40
45
CN1801
PANEL Y
PANEL C
HI SI
HI SO
HI SCK
CS PANEL
D3.1V
LCD COM/DATA
CS LCD
Q1802
VCC
CLK
DI
DO
VDD
BRIGHT
BRT R
BRT B
COLOR
RGB AMP
COM ADJ
HUE/BCL
V COM
COM0
BL CONT
Q1803
LCD CONT
SI
COM3
SEG0-15
SEG15
CK
C/D
CS
VDDD3.1V
4
16
COM2,3
COM0,1
CN1808
DISPLAY
LCD
VXO ITINT
COM AMP
RGB AMP
COLOR
SUB BRT B
SUB BRT R
BRIGHT
PICTURE
C IN
VIDEO
36
SYNC SEP
CONTRAST
VXO O
VCC2
VCC1
FRPV
COM O
SYNC OUT
SYNC IN
B
G
R
FRPT
SP-
S1992
SP– SP+
S1993
BRT–
S1994
BRT+
S1995
6
5
7
PHO IN
FRPV
FRPT
SYNI
8
HSY
OSC I
OSC O
PDO
VREVC
HREVC
SPD
MODE2
EX1
EX2
CTR
CLD
CLS
SPS
POCB
V IN
VDD
32
24
20
19
5
CN1804
P–15.3V
LOW
VR
VR
VG
VB
SYNC
SRD
COM O
HSY
CHECK
CONNECT
CN1803
LCD PANEL
VG
VB
VGH
VSH
VB1
VB2
2
9
VCC
COM
VSS
VGL
EX1
MODE 1
MODE 2
D1903
P13V
P4.9V
EX2
40
21
EX3
EX3
CTR
CLD
CLS
SPS
17
CPS1
11
RES
CN1805
HIGH
LIGHT
BACK
INV TRANS
VCC
SW
Q1957
6
5
3
2
7
1
12
INV
D1953
TALLY
P4.9V
P4.9V
Q1955
Q1904,1905
UNREG
PANEL
Q1958,D1954P4.9V
D3.1V
P4.9V
UNREG
SW
7
Q1956
SW
Q1953
P13V
P–15.3V
P7.5V
DD TRANS
T1951
PANEL
2
8
1
4
5
3
6
D1952
VCC
D
A
VCC
C
LCD CONTROL
SPC D
CTL LD
SPC C
VREF
SPC A
START
SW
Q1952
TALLY
VCC
PANEL H
CN1802
VCO
BL CONT
V COM
REVERSE
S1901
SW
Q1901
1
2
3
TALLY
VCC
KEY AD4
TALLY
REVERSE
MIRROR ON
BL ON
PANEL UNREG
P4.9V P4.9V
P UNREG
D1905
PD-77 BOARD
TO/FROM
MODE
BLOCK
CONTROL
CF-46
BOARD
CN405
TO/FROM
MODE
BLOCK
CONTROL
CF-46
BOARD
CN406
15
SEL
10
SEG0
12
OSC1 OSC2
VCO
P4.9V
SPD
20
POW CONT
D1951
T1952
8
S1991
AE
SYNO
3
1
(TRV32/TRV34/TRV53/TRV312 MODEL)
(SEE PAGE 3-15)
(SEE PAGE 3-15)
P7.5V
(SEE PAGES 4-101,104,107,109)
2.4Vp-p
9.53MHz
1
IC1801 3 REC/PB
0.5Vp-p
H
5
IC1801 REC/PB
5.6Vp-p
H
6
IC1801 REC/PB
3.5Vp-p
4.77MHz
2
IC1801 REC/PB
560mVp-p
4.43MHz (PAL)
3.58MHz (NTSC)
7
IC1901 REC/PB
3Vp-p
H
8
IC1901 REC/PB
2.4Vp-p
9.53MHz
3.0 inch LCD (TYPE 3)

Table of Contents

Related product manuals