EasyManua.ls Logo

Sony CCD-TRV32 - Page 46

Sony CCD-TRV32
212 pages
Print Icon
To Next Page IconTo Next Page
To Next Page IconTo Next Page
To Previous Page IconTo Previous Page
To Previous Page IconTo Previous Page
Loading...
CCD-TRV32/TRV34/TRV34PK/TRV44/TRV52/TRV53/TRV312/TRV512(NTSC)
CCD-TRV14E/TRV24E/TRV44E(PAL)
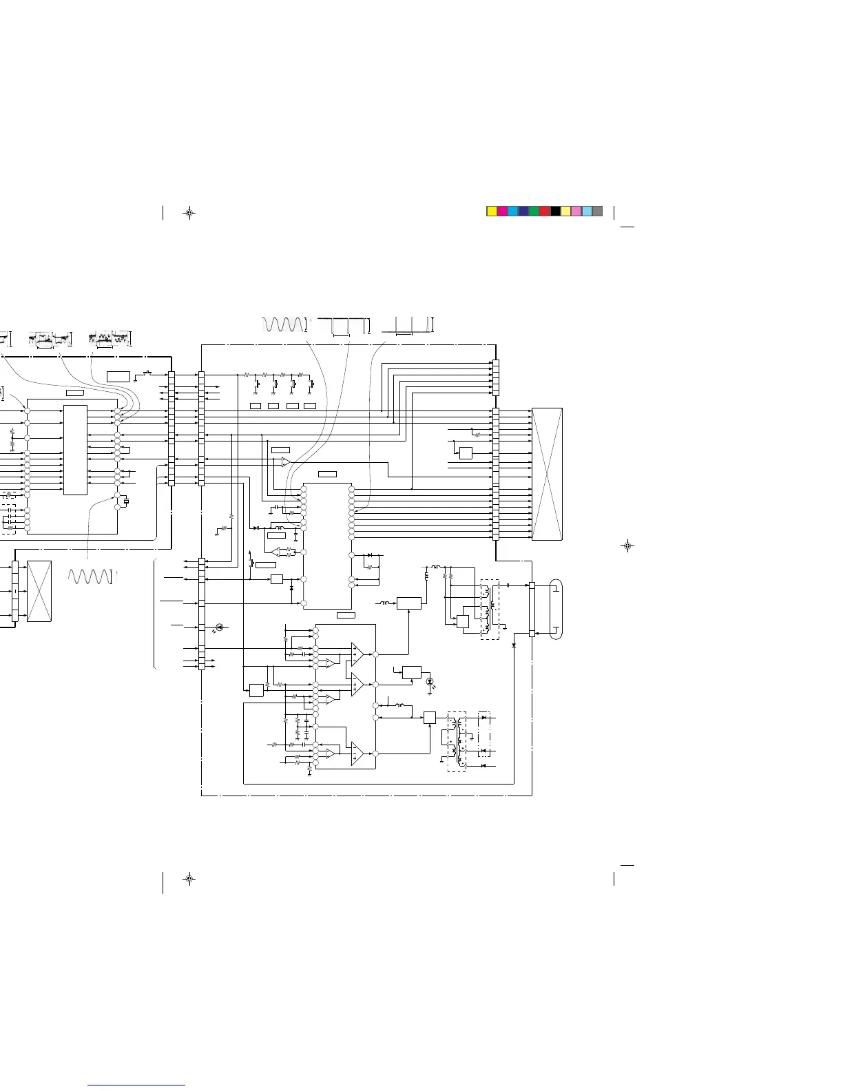
3-10.LCD (TYPE 1) BLOCK DIAGRAM
3-23 3-24
BUFFER
CONTRAST
CS/LD
P4.9V
BUFFER
EEPROM
IC802
BUFFERBUFFER
R.G.B
DECODER
P4.9V
P-7.5V
X801
3.58MHz
(NTSC)
4.43MHz
(PAL)
15
12
13
8
2
16
CN806
D3.1V
P4.9V
P–7.5V
CN807
P4.9V
P–7.5V
15
12
13
8
1
2
16
D3.1V
IC900
12
15
17
32
P4.9V
D3.1V
P–7.5V
IC801
IC902 (1/2)
IC902
(2/2)
IC901
PHO OUT
RIGHT
DD CONV
IC951
8
7
6
5
4
19
24
26
25
27
28
DRIVE
LED
SWITCHING
SD-24 BOARD
9
10
6
3
4
5
7
13
17
20
19
18
14
1
4
5
2
6
9
3
8
7
12
1
2
9
8
11
10
7
7
13
35
34
42
6
28
27
32
16
14
18
25
43
29
2
38
37
36
24
22
20
48
5
3
10
11
1
8
9
2
3
6
46
18
45
46
30
19
11
8
33
1
2
27
26
17
24
15
14
13
12
1
2
3
4
7
6
9
10
11
2
8
19
21
1
20
13
.
14
12
6
15
16
17
18
3
5
7
10
3
10
10
44
5
5
6
6
11
11
3
3
1
.
19
20
.
1
2
3
18
29
22
33
32
31
30
39
40
45
CN801
PANEL Y
PANEL C
HI SI
HI SO
HI SCK
CS PANEL
D3.1V
LCD COM/DATA
CS LCD
Q802
VCC
CLK
DI
DO
VDD
BRIGHT
BRT R
BRT B
COLOR
CONT R
CONT B
HUE/BCL
V COM
COM0
BL CONT
Q805
PAL
MODEL
LCD CONT
SI
COM3
SEG0-15
SEG15
CK
C/D
CS
VDDD3.1V
4
16
COM2,3
COM0,1
CN808
DISPLAY
LCD
VCO I
BURST OUT
TINT
SUB CONT B
SUB CONT R
COLOR
SUB BRT B
SUB BRT R
BRIGHT
PICTURE
C IN
VIDEO
CONTRAST
VEE
VCO O
VCC2
VCC1
FRP
SYNC SEP
SYNC OUT
SYNC IN
B
G
R
H FIL OUT
HDB
VB
VG
VR
KEY AD
SYNC
FRP
V COM
VCO
BL CONT
PROGRAM
AE
S991
SP-
S992
SP–
S992
SP+
S993
BRT–
S994
BRT+
S995
6
5
7
PHO IN
HDB
CSY
FRP
OSC I
OSC O
PO
DOWN
RIGHT
SRT
DOWN
GSRT
GPCK
GRES
MCLK
CLR
OE
POCB
VDD
VDD
32
23
21
20
43
CN804
P–18V
LOW
VR
VR
VG
VB
HDB
SYNC
SRT
CHECK
CONNECT
CN803
LCD PANEL
VG
VB
VSH
BCNT
VGH
VSS(–4.5V)
VSL
VSS
Q906
VGL
V COM
GSRT
MODE 1
MODE 2
GEN
P–7.5V
P11V
P4.9V
GPCK
GRES
MCLK
CLR
OE
CN951
HIGH
LIGHT
BACK
INV TRANS
VCC
SW
Q957
5
4
3
2
10
1
6
INV
D953
TALLY
D901
PO
P4.9V
Q955
UNREG
PANEL
Q958
D954
P4.9V
UNREG
SW
8
Q956
P11V
P–18V
P–7.5V
DD TRANS
T951
PANEL
2
7
4
3
6
5
1
D952
VCC
D
A
VCC
C
LCD CONTROL
SPC D
CTL LD
SPC C
VREF
SPC A
P11V
P-7.5V
START
SW
Q952
TALLY
VCC
PANEL H
CN802
REVERSE
S901
D3.1V
SW
Q901
1
2
3
TALLY
VCC
KEY AD4
TALLY
REVERSE
MIRROR ON
BL ON
PANEL UNREG
P4.9V P4.9V
P UNREG
D905
PD-74 BOARD
TO/FROM
MODE
BLOCK
CONTROL
CF-46
BOARD
CN405
TO/FROM
MODE
BLOCK
CONTROL
CF-45
BOARD
CN406
15
SEL
10
SEG0
12
OSC1 OSC2
VCO
10
B–Y
BURST OUT
9
R–Y
12
C OUT
NTSC MODEL
P4.9V
SRT
D951
T952
(TRV24E MODEL)
(TRV24E MODEL)
(SEE PAGE 3-15)
(SEE PAGE 3-15)
(SEE PAGES 4-121,125)
(SEE PAGES 4-115,119)
7
IC901 REC/PB
3Vp-p
H
8
IC901 REC/PB
2.4Vp-p
9.53MHz
IC901  REC/PB
3Vp-p
H
3
IC801 REC/PB
5.6Vp-p
H
4
IC801 @™ REC/PB
5.6Vp-p
H
5
IC801 REC/PB
5.6Vp-p
H
1
IC801 3 REC/PB
0.5Vp-p
H
2
IC801 REC/PB
560mVp-p
4.43MHz (PAL)
3.58MHz (NTSC)
2.5 inch LCD (TYPE 1)

Table of Contents

Related product manuals