EasyManua.ls Logo

Sony CCD-TRV32 - Page 83

Sony CCD-TRV32
212 pages
Print Icon
To Next Page IconTo Next Page
To Next Page IconTo Next Page
To Previous Page IconTo Previous Page
To Previous Page IconTo Previous Page
Loading...
SD-25
BOARD
(1/2)
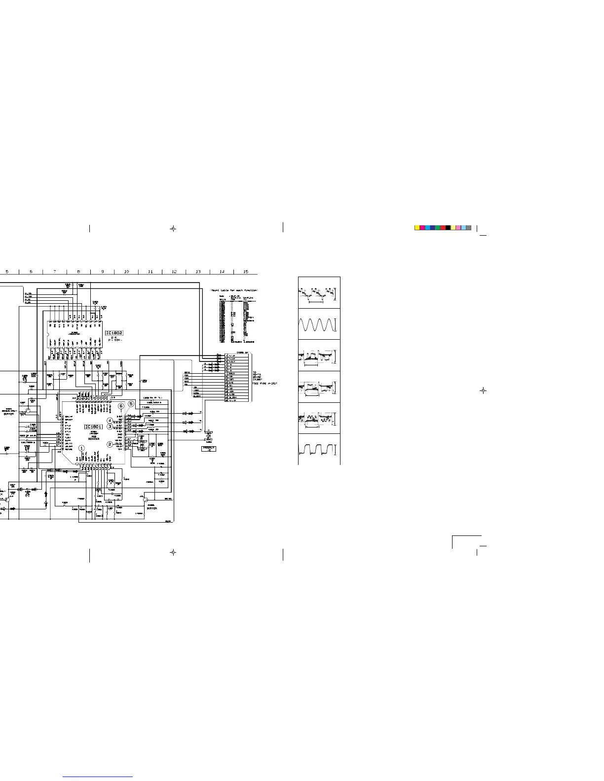
1
IC1801 3 REC/PB
2
IC1801 REC/PB
3
IC1801 REC/PB
4
IC1801 @™ REC/PB
5
IC1801 REC/PB
6
IC1801 REC/PB
3.5Vp-p
4.77MHz
0.5Vp-p
H
560mVp-p
5.6Vp-p
H
5.6Vp-p
H
5.6Vp-p
H
4.43MHz (PAL)
3.58MHz (NTSC)

Table of Contents

Related product manuals