EasyManua.ls Logo

Stryker OSC400 - Connection Structure of Systems

Stryker OSC400
149 pages
Print Icon
To Next Page IconTo Next Page
To Next Page IconTo Next Page
To Previous Page IconTo Previous Page
To Previous Page IconTo Previous Page
Loading...
107
S
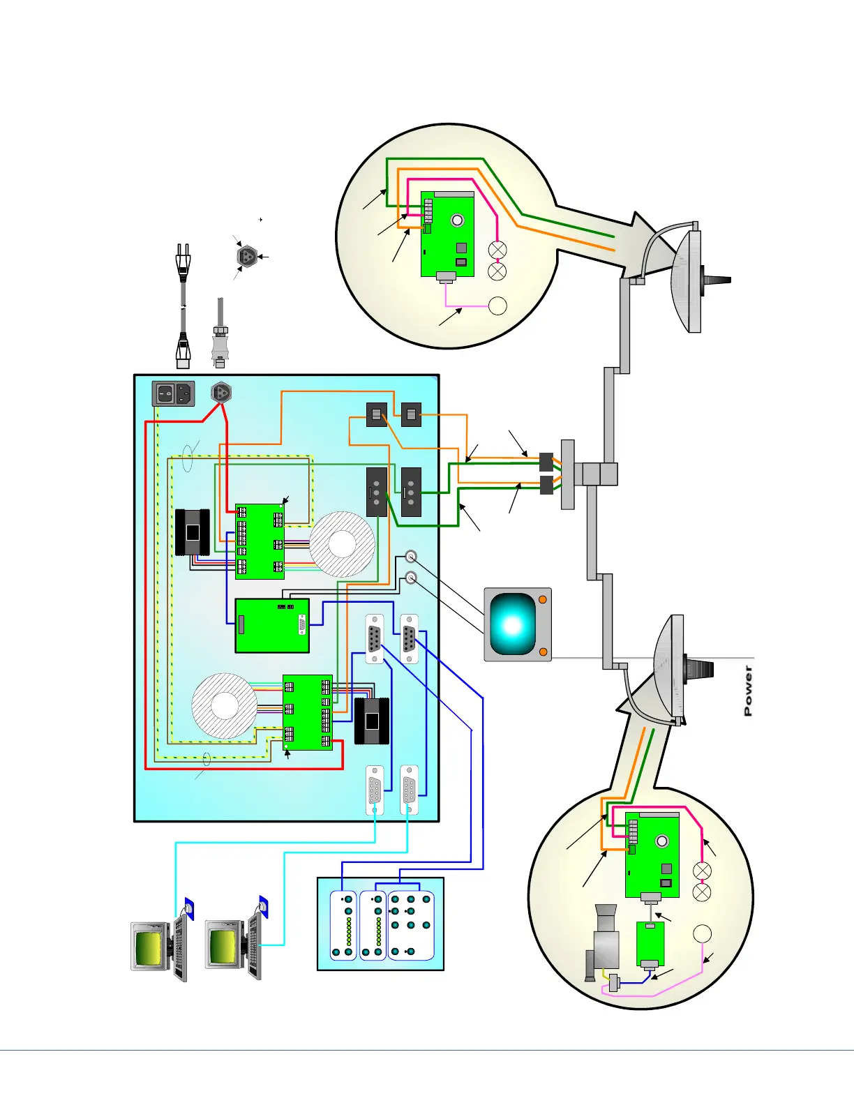
16.5.6 Connection Structure of Systems
e wiring for the whole system is shown below.
Power Supply Box with Safety Power
X4
X2
PE
-Lamp2
-Lamp1
+Lamp
+Vin
-Vin
uC
Heatsink
1
1
X1
ROM
1 2 1 21 2 1 21 2 1 2 1 2
1 2 1 2 1 2 1 2 3 1 2 1 2 1 2 1 2 1 2
1 2 1 2
1 2 1 21 2 1 21 2 1 2 1 2
1 2 1 2 1 2 1 2 3 1 2 1 2 1 2 1 2 1 21 2 1 2
1 1
1
1
Power Supply 2
Power Supply 1
Video
Demodulator
Main Power
Input
1 th Power supply
Main Power
2 th Power supply
Secondary
Primary
Primary
Light Power 1
Light Control 1
Control 1
BNC
S-VIDEO
X4
X2
PE
-Lamp2
-Lamp1
+Lamp
+Vin
-Vin
uC
Heatsink
1
1
X1
ROM
M
M
Control 2
Terminal 1
Terminal 2
Light Power 2
Light Control 2
Transformer
2
Transformer
1
Terminal
Power Box
Monitor
Control 2
Control 1
Light 1
with Camera
Light 2
without Camera
Armsystem
Main Power
Connection
1
Secondary
Heatsink with
Bridge Rectifier
Heatsink with
Bridge Rectifier
Steuer-
elektronik
Steuer-
elektronik
Video
Modulator
Camera
Wall Control Light 1
Wall Control Light 2
Light Control 1 (CAN)
Light Power 1 (24VDC)
Light Power 2 (24VDC)
Light Control 2 (CAN)
Light Power 1 (24VDC)
Light Control 1 (CAN)
Power to halogen bulb
Light Power 2 (24VDC)
Light Control 2 (CAN)
Power to halogen bulb
Control Light 1
Control Light 2
Earth
Screw
Earth
Screw
Combined Camera,
Motor and Power
Changing Motor
Changing Motor
24VDC
Safety Power
-
+
Earth
24VDC / 16A
Safety Power Female Connection
L = +
N = -
= Earth

Table of Contents

Related product manuals