EasyManua.ls Logo

Wacker Neuson WL34 - Page 283

Wacker Neuson WL34
348 pages
Print Icon
To Next Page IconTo Next Page
To Next Page IconTo Next Page
To Previous Page IconTo Previous Page
To Previous Page IconTo Previous Page
Loading...
SHB WL34 * 2.0 9-23
Electrical system 9
Diagrams
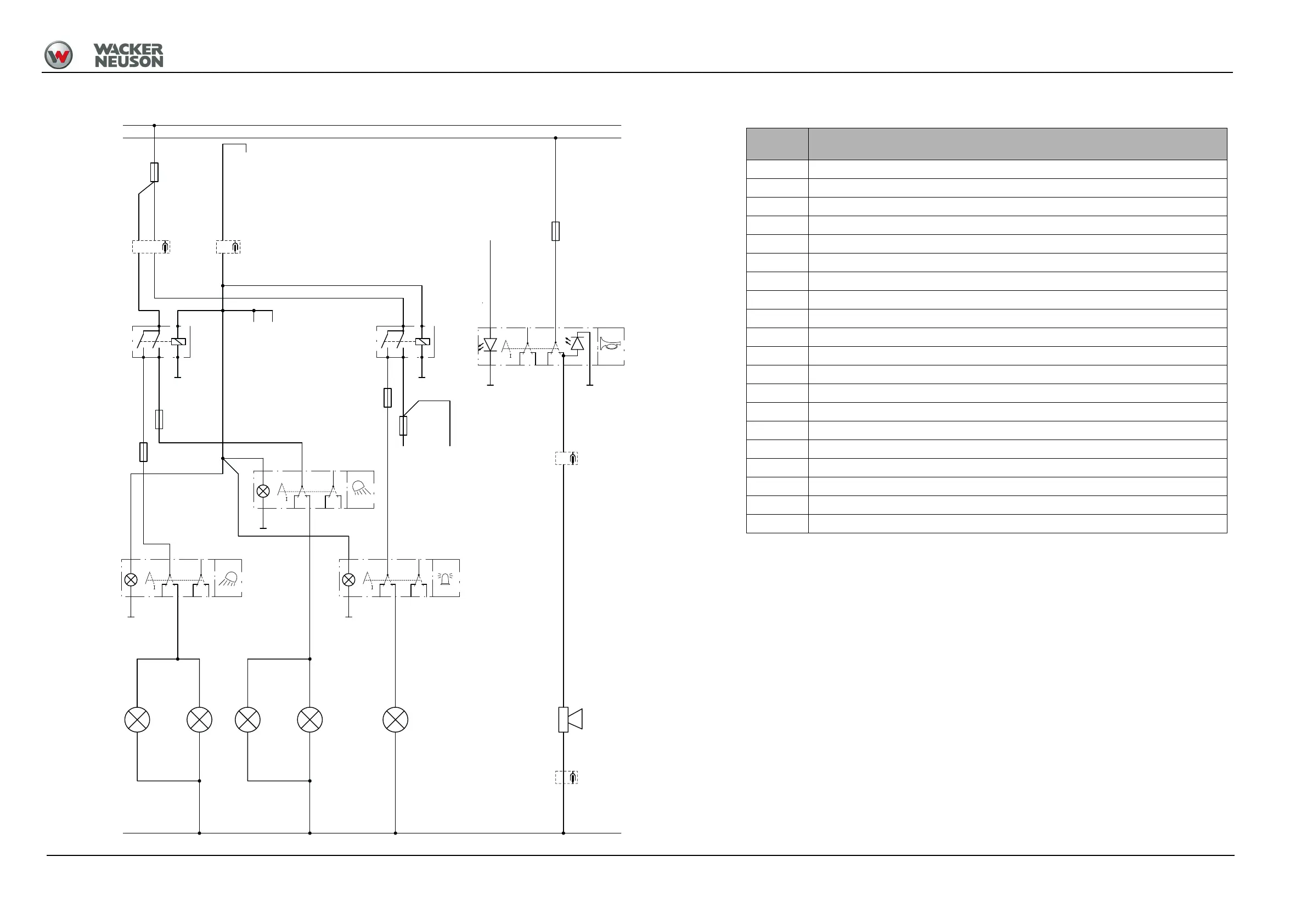
9.16 Electrical diagram – Working lights; Rotating beacon; Horn (FG05-01)
X001:18/FG01-2
S126:2/FG07-1
S126:9/FG07-1
F008/FG03-1
S059:9/FG09-1
F038/FG09-1
15 15
31 31
3030
7
8
1
3
46
52
0
9
1
2
12
9
10
8
271
56
0
9
10
8
271
56
0
9
10
8
271
56
0
2
E009
BU
E010
BU
BU-1,5
BU-1,5
BN
BNBN-1,5
E007
BU
E008
BU
BN
BNBN-1,5
F002
10 A
S055
GN-1,5
H028
BN-1,5
VT-1,5
VT/BK-1,5
B002a
VT-1,5
B002
GN
BK-1,5
B002a
BK-1,5
F302
50 A
RD-2,5
RD-2,5
X029
RD-2,5
RD-2,5
K047 K114
S016
S017
F037
15 A
F040
15 A
GN
GN
OG
OG
S018
F039
5 A
OG
OG
F041
7.5 A
GN
X030
GNGN
GN
GN
GN
GN
GN
RD/WH
87 85
30 86
8787 85
30 86
87
Assign-
ment
Designation
B002 Horn
E007 Rear working light
E008 Rear working light
E009 Front working lights
E010 Front working lights
F002 Horn, rotating beacon
F037 Front working lights
F039 Rear window wiper
F040 Rear working light
F041 Beacon
F302 Cabin main fuse
H028 Rotating beacon
K047 Working light relay
K114 Relay beacon
S016 Working light switch
S017 Working light switch
S018 Rotating beacon switch
S055 Horn
X029 Coding plug engine speed
X030 Cab

Table of Contents

Related product manuals