EasyManua.ls Logo

Wacker Neuson WL34 - Page 292

Wacker Neuson WL34
348 pages
Print Icon
To Next Page IconTo Next Page
To Next Page IconTo Next Page
To Previous Page IconTo Previous Page
To Previous Page IconTo Previous Page
Loading...
9-32 SHB WL34 * 2.0
9 Electrical system
Diagrams
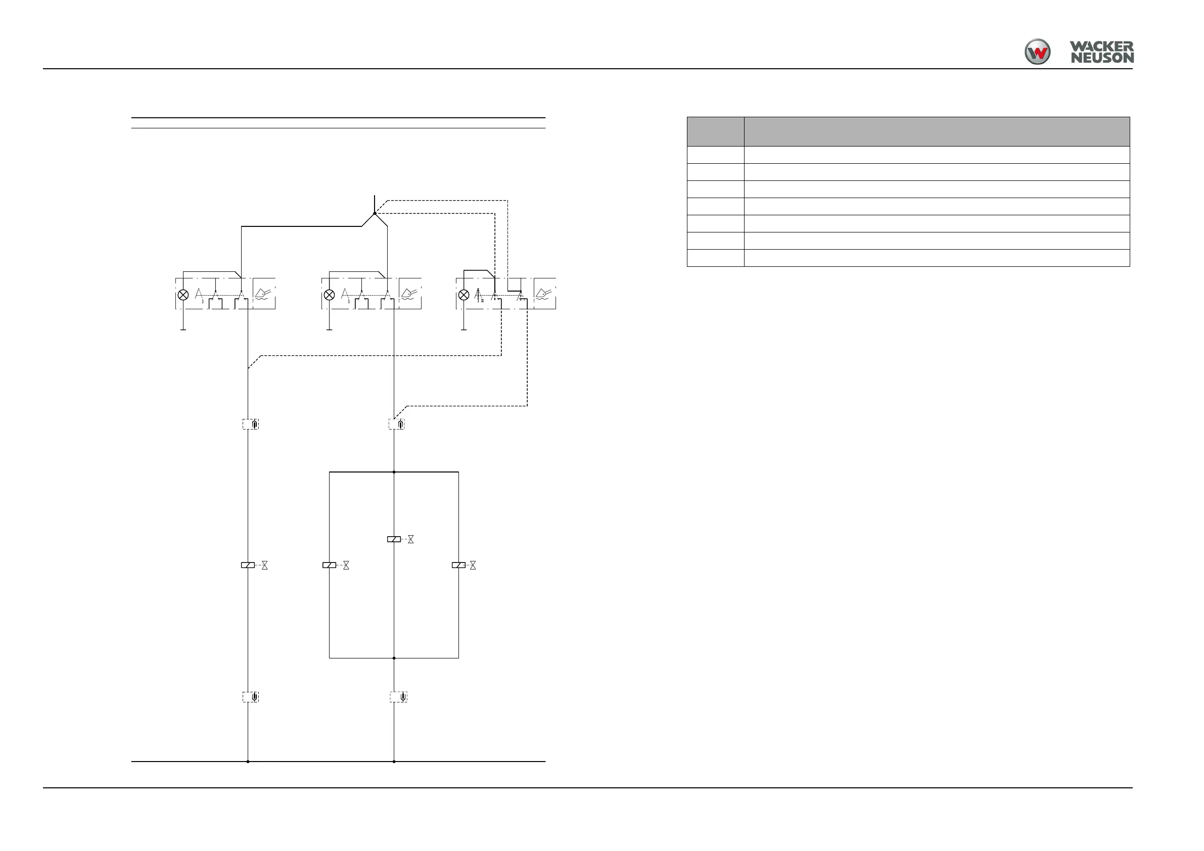
9.25 Electrical diagram – Loader unit stabilizer, counterbalance valve (FG11-02)
X002:6/FG01-1
15 15
31 31
3030
2
1
2
1
2
1
2
1
1
12
9
10
8
271
56
0
9
10
8
271
56
0
9
10
2
1
3
8
0
6
4
7
RD/WH-1,5
RD/WH-1,5
RD/WH-1,5
GN-1,5
RD/WH
Y119
RD/WH-1,5
BK-1,5
BK
BK
Y094
Y022
Y095
GN-1,5GN-1,5
GN
GN
GN
BK
BK
BK
BK-1,5BK-1,5
GN-1,5
GN-1,5
X064
X064
S112
RD/WH
BK
S112
RD/WH
S112
X050
X050
BK-1,5 GN-1,5
Assign-
ment
Designation
S112 Switch for loader unit stabilizer
X050 Options
X064 Interface options loading rocker
Y022 Tilt cylinder lock solenoid valve
Y094 Solenoid valve (boom interlock)
Y095 Solenoid valve (boom interlock)
Y119 Solenoid valve (loader unit stabiliser)

Table of Contents

Related product manuals