EasyManua.ls Logo

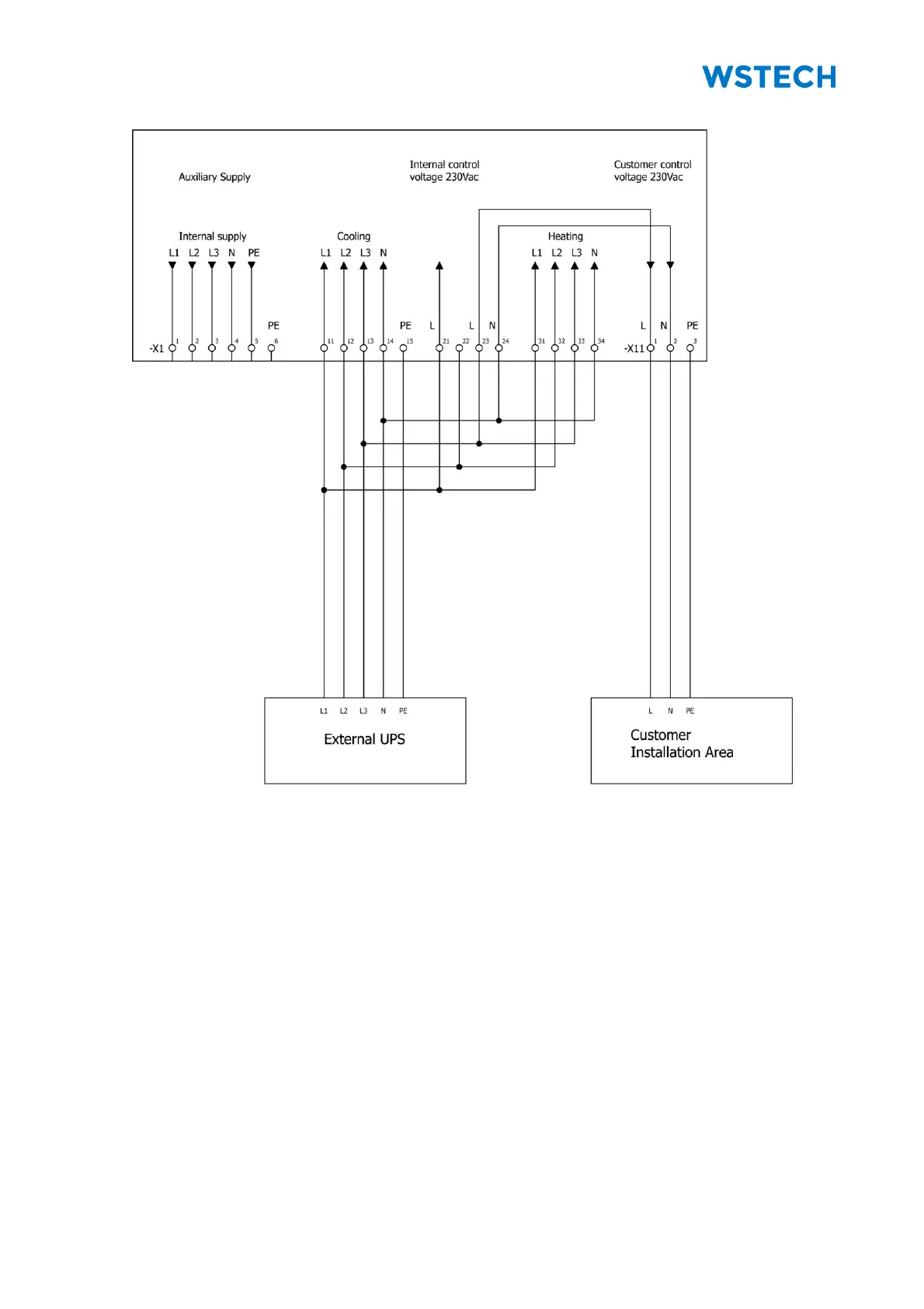
WSTECH APS Series - Figure 95: External Supply by the Customer

WSTECH APS Series
213 pages
Print Icon
To Next Page IconTo Next Page
To Next Page IconTo Next Page
To Previous Page IconTo Previous Page
To Previous Page IconTo Previous Page
Loading...
Original Operating Instructions
APS Series Outdoor Hybrid Inverter
Installation
APS-Series 120 Operating Instructions v320 EN
Page 112 of 213
Figure 95: External supply by the customer

Table of Contents