EasyManua.ls Logo

WSTECH APS Series - Figure 96: Supply Voltage for Customer Installation Area

WSTECH APS Series
213 pages
Print Icon
To Next Page IconTo Next Page
To Next Page IconTo Next Page
To Previous Page IconTo Previous Page
To Previous Page IconTo Previous Page
Loading...
Original Operating Instructions
APS Series Outdoor Hybrid Inverter
Installation
APS-Series 120 Operating Instructions v320 EN
Page 113 of 213
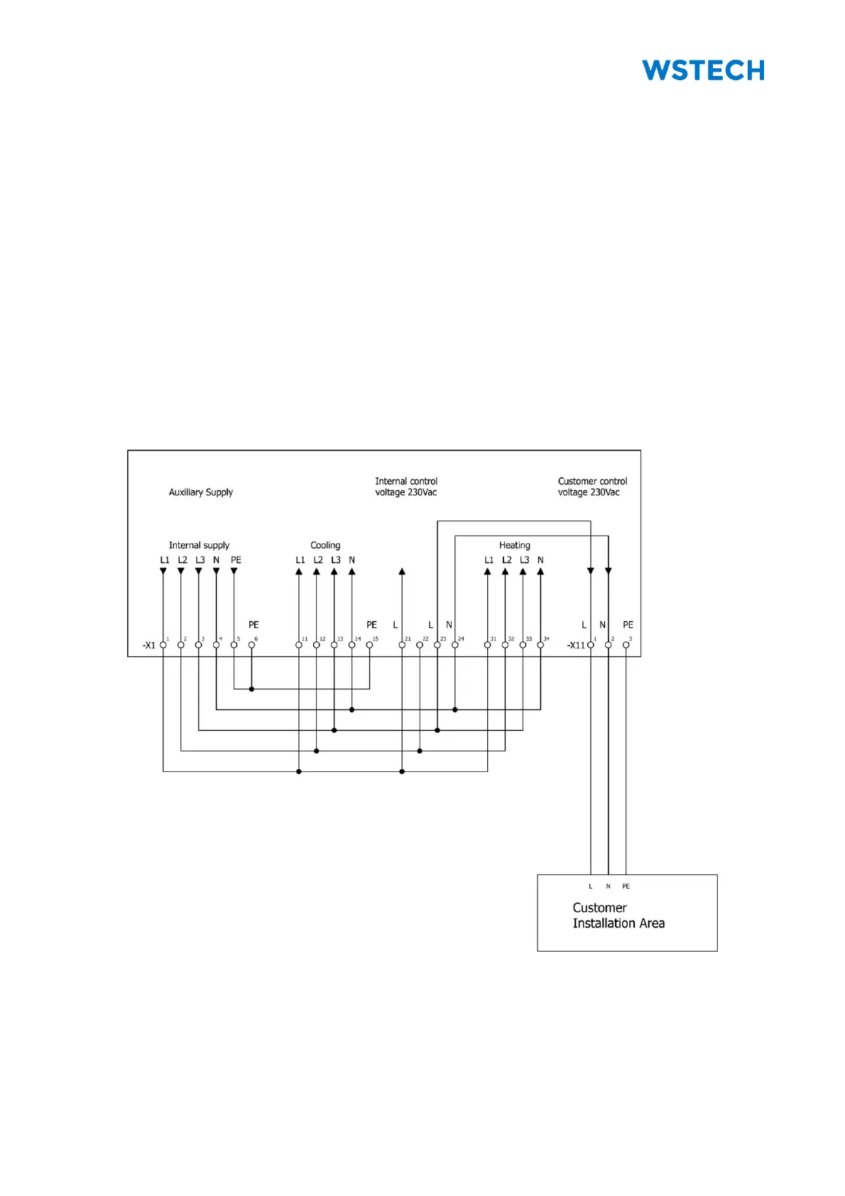
4.7.1.2 Supply Voltage for Customer Installation Area
Customer connection:
Apparent power: 1 kVA
Voltage: 230 V
Maximum current: 4.35 A
NOTICE: The customer installation area and its terminals are in the control unit
(Section +C1).
Procedure:
1. Open doors in Section +C1.
2. Open corresponding cable duct.
3. Route PE conductor, N conductor and L conductor from terminal strip
(-X11) to the customer installation area and connect them (Figure 96).
4. Close cable ducts.
Figure 96: Supply voltage for customer installation area

Table of Contents