EasyManua.ls Logo

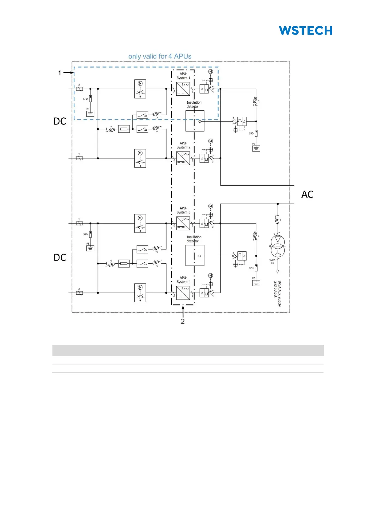
WSTECH APS Series - Figure 7: Schematic Structure (APS with 3-4 Apus)

WSTECH APS Series
213 pages
Print Icon
To Next Page IconTo Next Page
To Next Page IconTo Next Page
To Previous Page IconTo Previous Page
To Previous Page IconTo Previous Page
Loading...
Original Operating Instructions
APS Series Outdoor Hybrid Inverter
Description
APS-Series 120 Operating Instructions v320 EN
Page 29 of 213
Figure 7: Schematic structure (APS with 3-4 APUs)
Pos.
Description
1
APS
2
APUs

Table of Contents