EasyManua.ls Logo

Yamaha XVS6501997 - Page 174

Yamaha XVS6501997
327 pages
Print Icon
To Next Page IconTo Next Page
To Next Page IconTo Next Page
To Previous Page IconTo Previous Page
To Previous Page IconTo Previous Page
Loading...
4-70
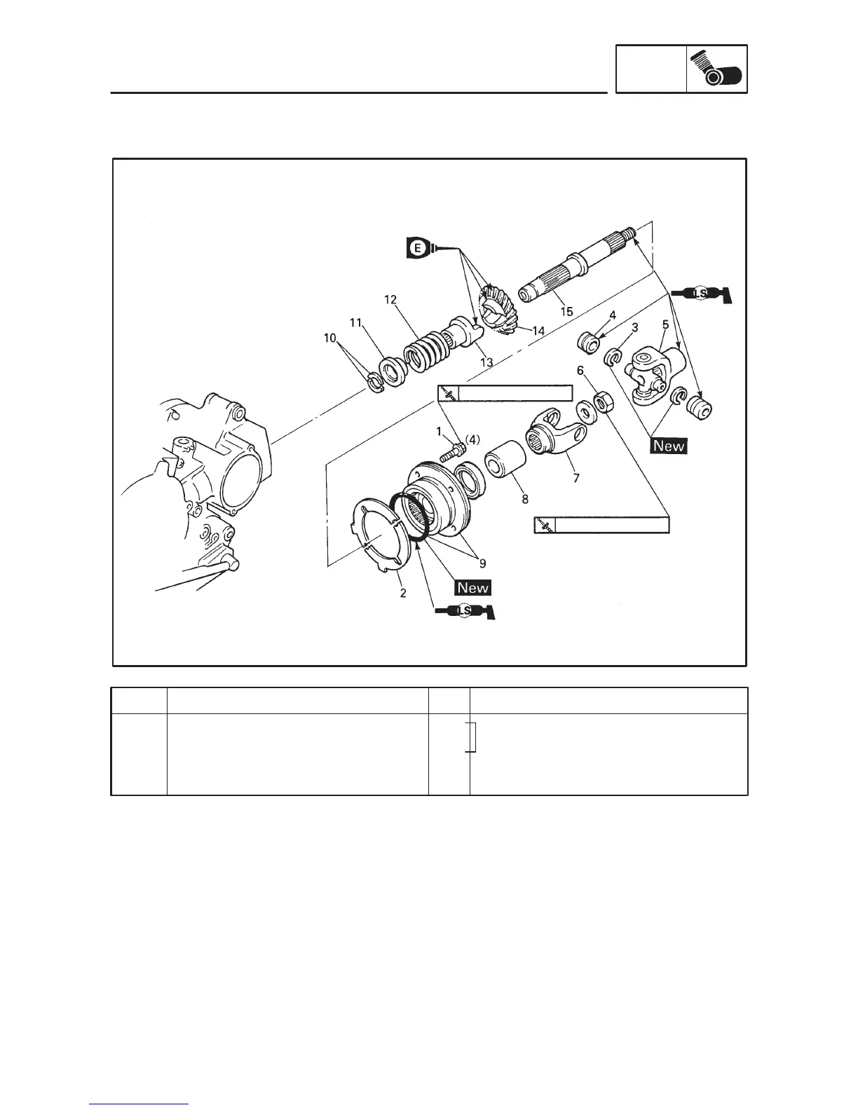
MIDDLE GEAR
ENG
Order Job name/Part name Q’ty Remarks
14
15
Middle driven pinion gear
Middle driven shaft
1
1
Refer to “MIDDLE DRIVEN PINION
GEAR REMOVAL/INSTALLATION”.
For installation, reverse the removal
procedure.
25 Nm (2.5 m kg)
90 Nm (9.0 m kg)

Table of Contents