EasyManua.ls Logo

Yamaha XVS6501997 - Lubrication Diagrams

Yamaha XVS6501997
327 pages
Print Icon
To Next Page IconTo Next Page
To Next Page IconTo Next Page
To Previous Page IconTo Previous Page
To Previous Page IconTo Previous Page
Loading...
2-22
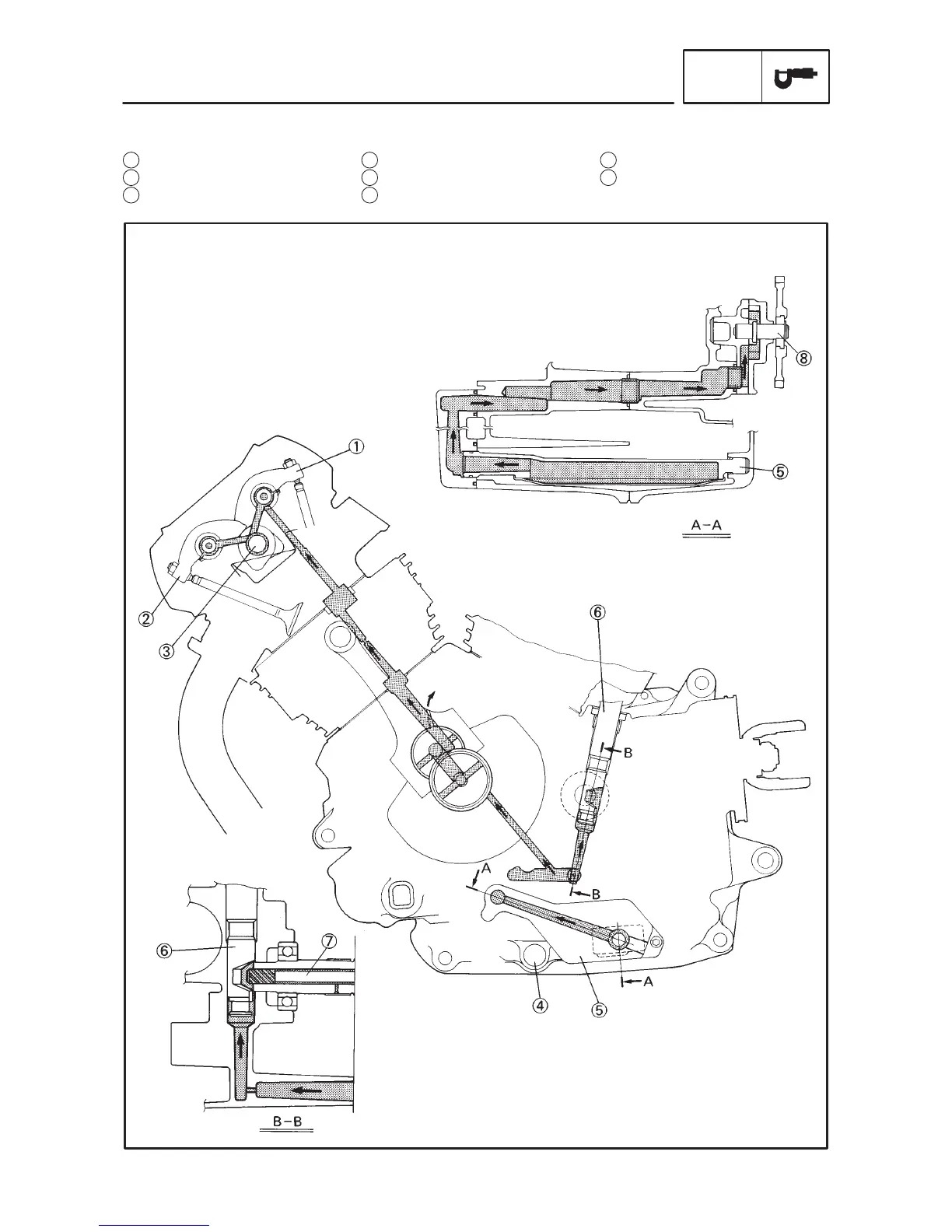
LUBRICATION DIAGRAMS
SPEC
7 Push rod 1
8 Oil pump
4 Drain bolt
5 Oil strainer
6 Push lever
1 Rocker arm (intake)
2 Rocker arm (exhaust)
3 Camshaft
EB205000
LUBRICATION DIAGRAMS

Table of Contents