EasyManua.ls Logo

Yamaha XVS6501997 - Page 239

Yamaha XVS6501997
327 pages
Print Icon
To Next Page IconTo Next Page
To Next Page IconTo Next Page
To Previous Page IconTo Previous Page
To Previous Page IconTo Previous Page
Loading...
6-39
23 Nm (2.3 m kg)
10 Nm (1.0 m kg)
20 Nm (2.0 m kg)
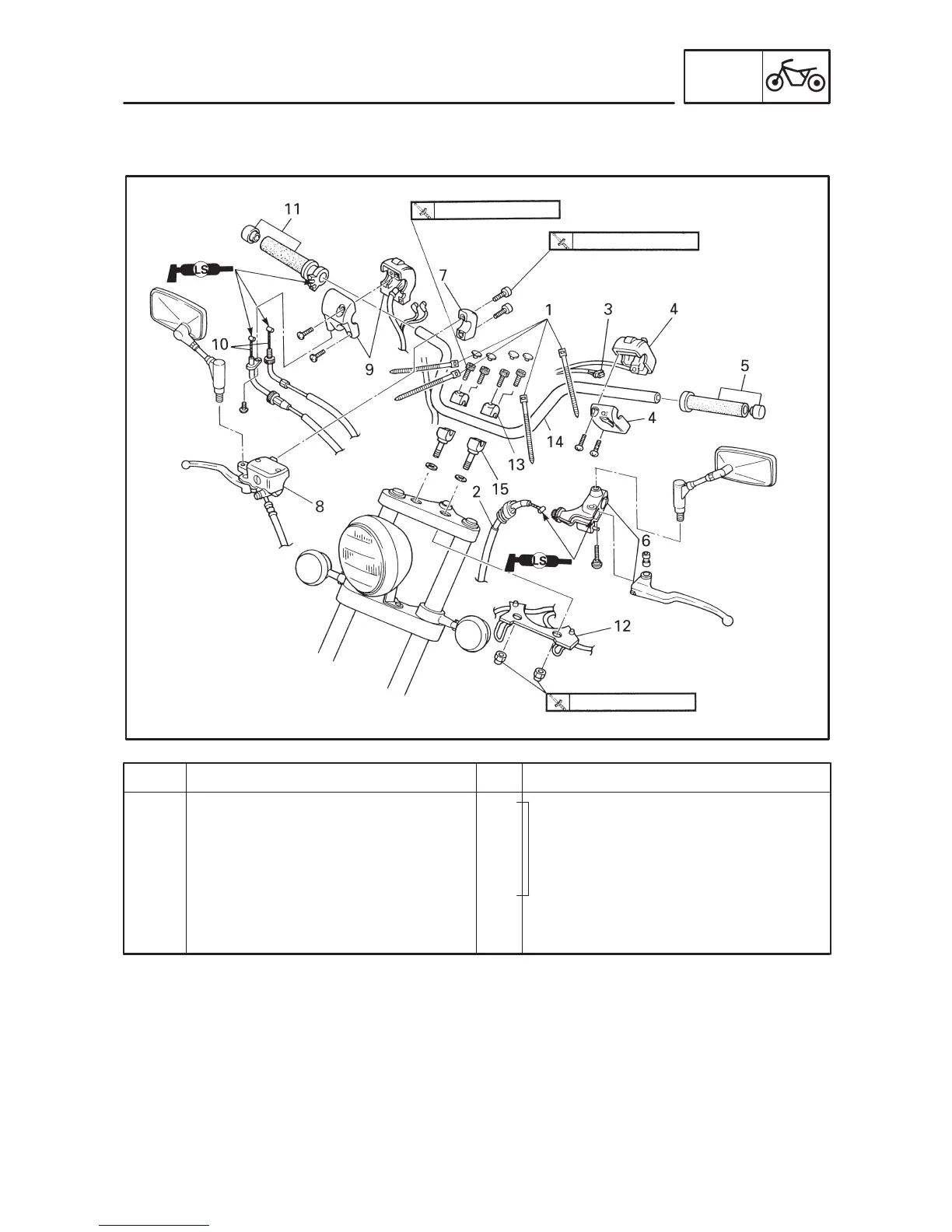
Refer to “HANDLEBAR INSTALLA-
TION”.
For installation, reverse the removal
procedure.
Order Job name/Part name Q’ty Remarks
11
12
13
14
15
Throttle grip assembly
Cable guide
Handlebar holder (upper)
Handlebar
Handlebar holder (lower)
1
1
2
1
2
HANDLEBAR
CHAS

Table of Contents