EasyManua.ls Logo

Yamaha XVS6501997 - Page 247

Yamaha XVS6501997
327 pages
Print Icon
To Next Page IconTo Next Page
To Next Page IconTo Next Page
To Previous Page IconTo Previous Page
To Previous Page IconTo Previous Page
Loading...
6-47
Order Job name/Part name Q’ty Remarks
3
4
5
6
7
8
9
10
11
12
13
14
15
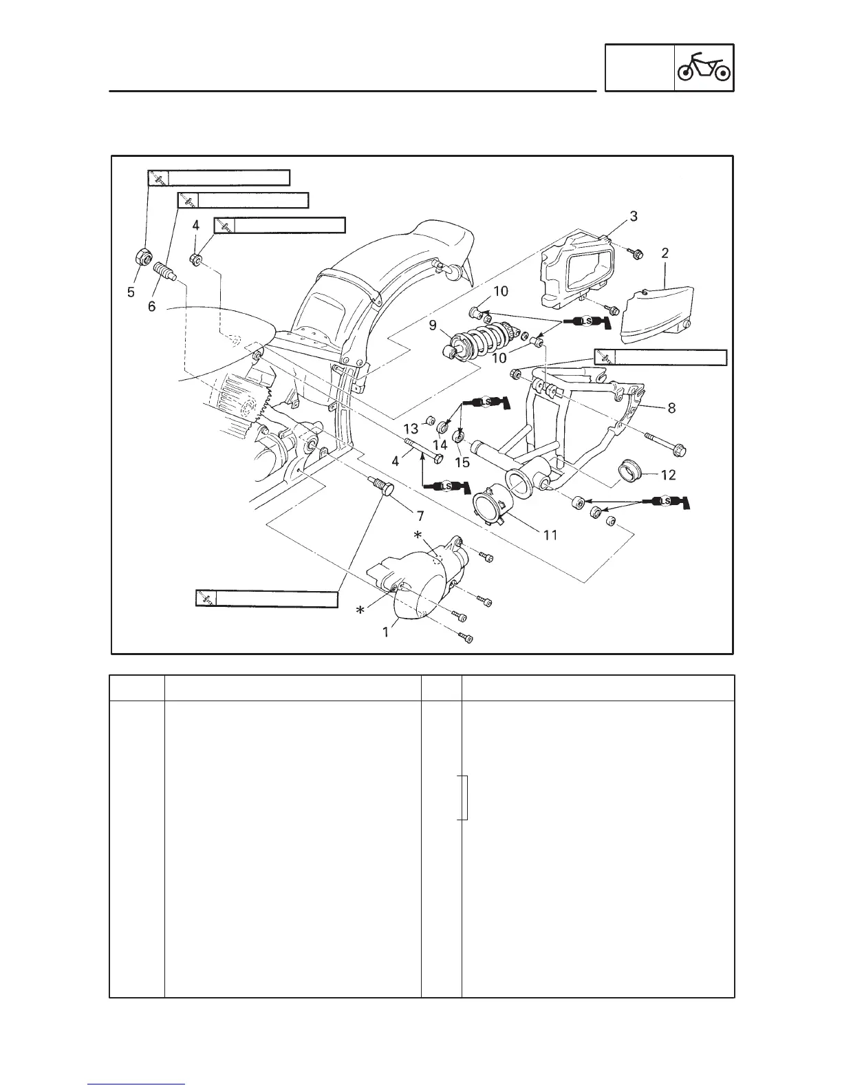
Tool box
Bolt/nut (rear shock absorber -
upper)
Pivot shaft nut
Pivot shaft (right)
Pivot shaft (left)
Swingarm
Rear shock absorber
Collars
Rubber boot
Bushing
Collars
Oil seals
Bearings
1
1/1
1
1
1
1
1
2
1
1
2
2
2
Loosen
Refer to “SWINGARM INSTALLA-
TION”.
Refer to “REAR SHOCK ABSORBER
INSTALLATION”.
For installation, reverse the removal
procedure.
100 Nm (10.0 m kg)
7 Nm (0.7 m kg)
62 Nm (6.2 m kg)
62 Nm (6.2 m kg)
100 Nm (10.0 m kg)
REAR SHOCK ABSORBER AND SWINGARM
CHAS

Table of Contents